Salve, si può con arduino uno r3, collegare due keypad ?
Grazie mille e buona settimana.
2 keypad
8 messaggi
• Pagina 1 di 1
0
voti
[2] Re: 2 keypad
Dipende da quanti pin necessita ogni keypad e da come è fatta.
Se fossero delle banali matrici di switch, si potrebbero collegare in parallelo le linee delle righe (o delle colonne) e risparmiare un po' di segnali, ma ovviamente va scritta una routine per gestirle.
Se fossero delle banali matrici di switch, si potrebbero collegare in parallelo le linee delle righe (o delle colonne) e risparmiare un po' di segnali, ma ovviamente va scritta una routine per gestirle.

-

PietroBaima
90,7k 7 12 13 - G.Master EY

- Messaggi: 12206
- Iscritto il: 12 ago 2012, 1:20
- Località: Londra
0
voti
[4] Re: 2 keypad
ok , hai documentazione dove posso vedere come fare?
Grazie mille.
Grazie mille.
Ultima modifica di
alev il 29 lug 2016, 12:39, modificato 1 volta in totale.
Motivazione: Rimossa citazione integrale messaggio precedente
Motivazione: Rimossa citazione integrale messaggio precedente
4
voti
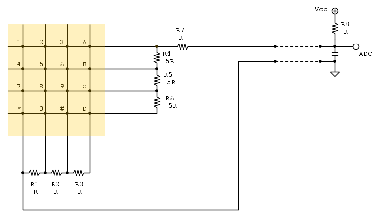
[5] Re: 2 keypad
Certo.
1. Collega la tastiera così:
2. Usa il riferimento dell'ADC diretto a Vcc esterna, senza usare il riferimento interno.
3. Usa questa tabella per leggere i valori (1 significa che leggi il fondo scala dell'ADC, per esempio se hai un ADC a 8 bit leggi 255, 1/2 significa che leggi 127 ecc...)


R potrebbe essere per esempio 1k
, OPEN significa che non è stato premuto alcun tasto.
Potresti usare, come 5R, 4.7k
.
Il condensatore potrebbe essere 10nF, per esempio.
Considera un margine di acquisizione dell'ADC, uno o due valori in più o in meno costituiscono un errore accettabile.
Ciao,
Pietro.
1. Collega la tastiera così:
2. Usa il riferimento dell'ADC diretto a Vcc esterna, senza usare il riferimento interno.
3. Usa questa tabella per leggere i valori (1 significa che leggi il fondo scala dell'ADC, per esempio se hai un ADC a 8 bit leggi 255, 1/2 significa che leggi 127 ecc...)


R potrebbe essere per esempio 1k
, OPEN significa che non è stato premuto alcun tasto.Potresti usare, come 5R, 4.7k
.Il condensatore potrebbe essere 10nF, per esempio.
Considera un margine di acquisizione dell'ADC, uno o due valori in più o in meno costituiscono un errore accettabile.
Ciao,
Pietro.
-

PietroBaima
90,7k 7 12 13 - G.Master EY

- Messaggi: 12206
- Iscritto il: 12 ago 2012, 1:20
- Località: Londra
0
voti
[6] Re: 2 keypad
ok ti ringrazio molto .. ma io intendevo inserire due keypad come figura:
non la tastiera del PC, se ho letto bene.
Ti ringrazio molto e ora cerco tante informazioni per creare il mio progetto e poi ti faro sapere.
Saluti e buon settimana.
non la tastiera del PC, se ho letto bene.
Ti ringrazio molto e ora cerco tante informazioni per creare il mio progetto e poi ti faro sapere.
Saluti e buon settimana.
Ultima modifica di
PietroBaima il 16 ago 2016, 8:09, modificato 1 volta in totale.
Motivazione: Integrata immagine in EY, originariamente postata da server esterno.
Motivazione: Integrata immagine in EY, originariamente postata da server esterno.
1
voti
[7] Re: 2 keypad
la1982 ha scritto:ok ti ringrazio molto .. ma io intendevo inserire due keypad come figura:
pure io
la1982 ha scritto:non la tastiera del PC, se ho letto bene.
tastiera del PC
Non intendevo la tastiera del PC, se guardi bene l'immagine che hai postato vedrai che si tratta esattamente della tastiera che ho disegnato nel mio schema, devi solo collegare le resistenze come indicato.
la1982 ha scritto:Ti ringrazio molto e ora cerco tante informazioni per creare il mio progetto e poi ti faro sapere.
Saluti e buon settimana.
Prego!
Buona settimana anche a te!
Ciao,
Pietro.
PS: per favore, le immagini non inserirle da server esterno, ma postale come allegato, grazie. Ho corretto il tuo post.
-

PietroBaima
90,7k 7 12 13 - G.Master EY

- Messaggi: 12206
- Iscritto il: 12 ago 2012, 1:20
- Località: Londra
8 messaggi
• Pagina 1 di 1
Chi c’è in linea
Visitano il forum: Nessuno e 18 ospiti

Elettrotecnica e non solo (admin)
Un gatto tra gli elettroni (IsidoroKZ)
Esperienza e simulazioni (g.schgor)
Moleskine di un idraulico (RenzoDF)
Il Blog di ElectroYou (webmaster)
Idee microcontrollate (TardoFreak)
PICcoli grandi PICMicro (Paolino)
Il blog elettrico di carloc (carloc)
DirtEYblooog (dirtydeeds)
Di tutto... un po' (jordan20)
AK47 (lillo)
Esperienze elettroniche (marco438)
Telecomunicazioni musicali (clavicordo)
Automazione ed Elettronica (gustavo)
Direttive per la sicurezza (ErnestoCappelletti)
EYnfo dall'Alaska (mir)
Apriamo il quadro! (attilio)
H7-25 (asdf)
Passione Elettrica (massimob)
Elettroni a spasso (guidob)
Bloguerra (guerra)


pigreco]=π