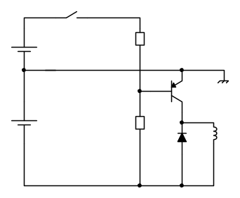
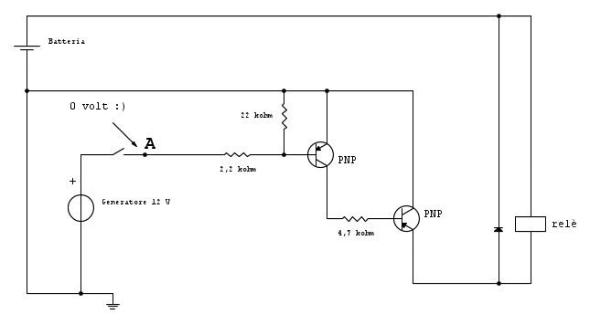
Area 51 si so che era più semplice collegare il rele in quel modo per risolvere il problema, ma volevo evitare di mantenere il rele sempre eccitato visto che l'evenienza che va via la corrente è molto rara.
Sinceramente non voglio tenere sul circuito un rele sempre acceso (non solo perche consuma 30 mA) ma non so se
alla fin fine possa rovinarsi se sta sempre acceso :/
cme ritornado sul circuito
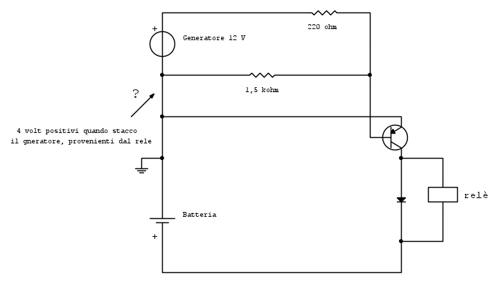
in pratica come dicevo ho una corrente di ritorno dal rele e in particolare dalla bobina di 4 volt quando tolgo il generatore per poter risolvere la cosa ho dovuto inserire un diodo nel punto
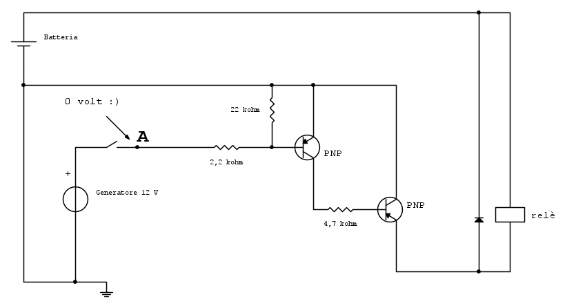
A dove ho questa corrente :
non so perché ci sia qulla corrente, penso forse perche dalla batteria e tramite la bobina del rele giunge la positiva, altri metodi diversi per risolvere il problema non li ho trovati

.
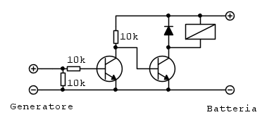
Inoltre vorrei chiedere se c'è un modo per aumentare la corrente proveniente dal PNP perche ho visto che molto bassa e il rele commuta quasi a fatica ... posso inserire un altro PNP come amplificatore di corrente, se si qual è il modo migliore per collegarlo al primo ?
Grazi comunque dlle risposte ieri era ferragosto è ho avuto poco tempo a stare dietro

,
so anche io che posso collegare al contrario il rele ma vorrei evitare che il rele resti sempre acceso quando c'è corrente :/