Attivare rele con NPN usato come interruttore inverso
Moderatori:
carloc,
g.schgor,
BrunoValente,
IsidoroKZ
49 messaggi
• Pagina 3 di 5 • 1, 2, 3, 4, 5
0
voti
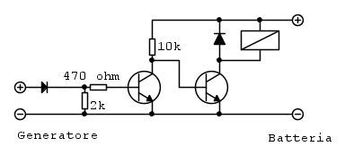
Grazie bruno il circuito funziona benissimo ! solo pero che ho dovuto modificare le resistenze
questo è il circuito che funziona, se metto le due resitenze da 10 k invece dei 470 ohm e dei 2,2 k
non funziona, ho dovuto anche qui inserire quel diodo, perché ho una tensione
di ritorno di 1,7 volt, qunado stacco il generatore, che ptrebbe darmi fastidio sul circuito ...
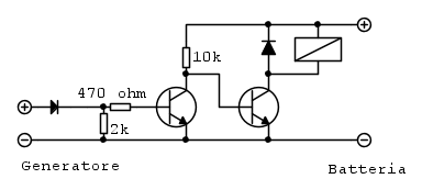
questo è il circuito che funziona, se metto le due resitenze da 10 k invece dei 470 ohm e dei 2,2 k
non funziona, ho dovuto anche qui inserire quel diodo, perché ho una tensione
di ritorno di 1,7 volt, qunado stacco il generatore, che ptrebbe darmi fastidio sul circuito ...
2
voti
Immagino ti dia problemi quando il generatore è spento, forse il relè tende a sfarfallare, giusto?
Comunque 470 ohm è un valore troppo basso, 10k è un valore più adatto e non dovrebbe influire sul funzionamento.
E' corretto abbassare il valore della prima resistenza se dal generatore arriva sporcizia quando è spento, 2.2k va bene ma forse occorrerebbe anche un condensatore da qualche uF tra base ed emettitore, dipende da cosa arriva dal generatore quando è spento.
Oppure, se tende a vibrare quando il generatore è acceso vuol dire che dal generatore non arriva una tensione continua e allora occorre un condensatore a valle del diodo verso il riferimento e in ogni caso va riportato il valore di quella resistenza da 470 ohm a 10k
Comunque 470 ohm è un valore troppo basso, 10k è un valore più adatto e non dovrebbe influire sul funzionamento.
E' corretto abbassare il valore della prima resistenza se dal generatore arriva sporcizia quando è spento, 2.2k va bene ma forse occorrerebbe anche un condensatore da qualche uF tra base ed emettitore, dipende da cosa arriva dal generatore quando è spento.
Oppure, se tende a vibrare quando il generatore è acceso vuol dire che dal generatore non arriva una tensione continua e allora occorre un condensatore a valle del diodo verso il riferimento e in ogni caso va riportato il valore di quella resistenza da 470 ohm a 10k
-

BrunoValente
39,6k 7 11 13 - G.Master EY

- Messaggi: 7796
- Iscritto il: 8 mag 2007, 14:48
0
voti
Grazie Bruno del tuo aiuto e sopratutto della tua esprienza che metti a disposizione per aiutarmi
.
Da premettere che il tuo circuito fa funzionare meglio il rele!
Allora, quei 1,7 volt che misuro in quel punto del diodo, li ho quando stacco fisicamente il generatore dal circuito.
Quindi non è il genratore a darmi quel problema, semplicemtne perché il generatore lo elimino fisicamente
qunado effettuo la misurazione, ho paura a questo punto che sia il rele che utilizzo a mandarmi quella corrente spuria indietro, dal polo positivo della batteria.
Prima con il primissimo circuito quella tensione non voluta era di 4 volt ora col tuo solo di 1,7 volt, potrei anche non farci caso, ma se mettendo quel diodo comunque il rele funziona e il circuito a monte resta pulito pulito ....
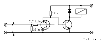
Per le resistenze hai ragione, le ho aumentate tutte e due, ora il circuito si presenta cosi:
quelle resistenze basse le ho messe io, perché se usavo due resistenze uguali da 10 k il rele non commutava, in pratica, per funzionare ho visto, che la resistenza sul negativo di (10 k) dev' essere 4 volte superiore rispetto
a quella che va alla base del trasistor (2,2 k), non chiedetemi il motivo, ma solo cosi funziona, potrei anche provare a questo punto 22 k 4,7 k , ma aspetto conferma, forse a quel punto sarebbero troppo alte .
. Da premettere che il tuo circuito fa funzionare meglio il rele!
Allora, quei 1,7 volt che misuro in quel punto del diodo, li ho quando stacco fisicamente il generatore dal circuito.
Quindi non è il genratore a darmi quel problema, semplicemtne perché il generatore lo elimino fisicamente
qunado effettuo la misurazione, ho paura a questo punto che sia il rele che utilizzo a mandarmi quella corrente spuria indietro, dal polo positivo della batteria.
Prima con il primissimo circuito quella tensione non voluta era di 4 volt ora col tuo solo di 1,7 volt, potrei anche non farci caso, ma se mettendo quel diodo comunque il rele funziona e il circuito a monte resta pulito pulito ....
Per le resistenze hai ragione, le ho aumentate tutte e due, ora il circuito si presenta cosi:
quelle resistenze basse le ho messe io, perché se usavo due resistenze uguali da 10 k il rele non commutava, in pratica, per funzionare ho visto, che la resistenza sul negativo di (10 k) dev' essere 4 volte superiore rispetto
a quella che va alla base del trasistor (2,2 k), non chiedetemi il motivo, ma solo cosi funziona, potrei anche provare a questo punto 22 k 4,7 k , ma aspetto conferma, forse a quel punto sarebbero troppo alte .
1
voti
Dovresti specificare meglio dove misuri quella tensione, cioè dove metti i puntali del tester e soprattutto dovresti specificare che difetto ti provoca.
Se hai problemi con il valore delle resistenze vuol dire che dal generatore non arrivano 12V e la storia del rapporto 4 tra i valori è priva di senso; il fatto che hai trovato la combinazione che te lo fa funzionare non significa nulla, bisogna capire perché si comporta così.
Dovresti anzitutto misurare la tensione in ingresso con il generatore collegato per capire se arrivano davvero 12V.
Sei sicuro di aver collegato anche il negativo del generatore?
Ma, soprattutto, sei sicuro che generatore e batteria abbiano il meno in comune o che si possano impunemente collegare insieme?
-

BrunoValente
39,6k 7 11 13 - G.Master EY

- Messaggi: 7796
- Iscritto il: 8 mag 2007, 14:48
0
voti
Allora andiamo una domanda alla volta, in pratica, una volta tolto il generatore, i puntali li metto in A e B , e qui misuro 1,7 volt :
il generatore è un alimentatore DC 12 volti 4 amper
la batteria una batteria al piombo 12 volt 7 Ah
per le resistenze ho provato parecchie volte a mettere 2 resitenze da 10k o due da 4,7 k, ma il rele non si eccita invece con valori 1k e 4,7k o 2,2k e 10 kohm funziona
il generatore è un alimentatore DC 12 volti 4 amper
la batteria una batteria al piombo 12 volt 7 Ah
per le resistenze ho provato parecchie volte a mettere 2 resitenze da 10k o due da 4,7 k, ma il rele non si eccita invece con valori 1k e 4,7k o 2,2k e 10 kohm funziona
2
voti
1.7 V / 10 kohm = 170 uA
questi 170 uA "hanno da uscire" dalla base del transistor NPN che ho disegnato "strano".
Il circuito come sopra disegnato (da me) *funziona* come lo hai descritto te per i seguenti buoni motivi:
- un transistor montato "all'incovercio" (scambiando collettore con emettitore) funziona "perfettamente" ed ha(veva) degli usi molto particolari - ma con un guadagno minore all'unita' (Piercarlo dove sei???)
- questo spiega perche' il rapporto tra resistenza di collettore e quella di base deve essere 4 a 1
- Se fai il rapporto tra la corrente di collettore 12 v / 10 kohm = 1.2 mA e quella di base necessaria per "azionare" il circuito 12 V / 2k2 ohm = 5.5 mA ottieni
hfe = 1.2 / 5.5 = ~0.2
che e' dell'ordine di grandezza di quello di un transistor montato alla rovescia.
Ma i 170 uA?
La giunzione base emettitore del transistor montato alla rovescia e' contropolarizzata ed ha una tensione di rottura inversa di circa 6 V.
La corrente I che circola nella maglia +12 V- 10 kohm - giunzione E-B - 2k2 ohm - 10 kohm - massa vale:
I= (12 - 6) / (10000 + 2200 + 10000) = 270 uA
che non sono significativamente diversi dai 170 uA che tu misuri (per ottenere 170 uA occorre che la tensione di rottura inversa della giunzione B-E sia di ~8 V)
Domanda(e):
che transistor hai montato e - per caso - non hai scambiato i pedini emettitore / collettore?
EDIT
Ultima modifica di
alev il 17 ago 2016, 10:31, modificato 3 volte in totale.
Motivazione: Rimossa citazione inutile messaggio precedente
Motivazione: Rimossa citazione inutile messaggio precedente
0
voti
io nel circuito sto usando due PNP 3906 questi :
http://electroniccomponents.ecrater.com ... -pnp-to-92
http://electroniccomponents.ecrater.com ... -pnp-to-92
1
voti
Nel circuito hai disegnato 2 NPN
Potresti per favore disegnare il circuito "corretto" con le tensioni misurate in *tutti* i nodi, nei due stati:
1) rele eccitato
2) rele diseccitato
EDIT
Ultima modifica di
alev il 17 ago 2016, 9:13, modificato 1 volta in totale.
Motivazione: Rimossa citazione inutile messaggio precedente
Motivazione: Rimossa citazione inutile messaggio precedente
0
voti
ops mea culpa allora il circuito è di
BrunoValente ma io ho usato dei pnp, sono un po confuso oggi forse troppa stanchezza e non riuscivo a vedere che erano 2 NPN sul disegno, ora sostituendoli il circuito funziona con le resistenze da 10 k ohm, ma presenta due incovenienti ...
1 nel momento in cui stacco il generatore il rele per eccitarsi ci mette troppo tempo anche 5 6 secondi
2 qunado finalmente si eccita, oscilla vistosamente per 3 4 secondi e non so il perche ...
il secondo problema penso di risolverlo con un condesatore come consigliato da bruno, ma il primo non so perche ci metta tutto quel tempo per eccitare il rele
...
ora vado a dormire sono troppo stanco continuo domani
, altrimenti invece dei trasistor PNP NPN potrei scambiare qualcos'altro .... a domani
.
1 nel momento in cui stacco il generatore il rele per eccitarsi ci mette troppo tempo anche 5 6 secondi
2 qunado finalmente si eccita, oscilla vistosamente per 3 4 secondi e non so il perche ...
il secondo problema penso di risolverlo con un condesatore come consigliato da bruno, ma il primo non so perche ci metta tutto quel tempo per eccitare il rele
ora vado a dormire sono troppo stanco continuo domani
.0
voti
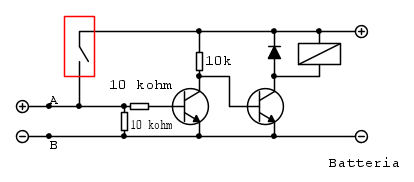
floppinoo ha scritto:non riuscivo a vedere che erano 2 NPN sul disegno, ora sostituendoli il circuito funziona con le resistenze da 10 k ohm
Bene
floppinoo ha scritto: ma presenta due incovenienti ...
1 nel momento in cui stacco il generatore il rele per eccitarsi ci mette troppo tempo anche 5 6 secondi
2 qunado finalmente si eccita, oscilla vistosamente per 3 4 secondi e non so il perche ...
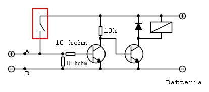
Considera il circuito qui sotto - dovrebbe essere quello "reale" che tu hai costruito.
Scollega il generatore all'ingresso del circuito
Fai l'aggiunta riquadrata in rosso - un interruttore.
Commuta l'interruttore da aperto a chiuso e viceversa ed osserva il comportamento del rele'
Ci mette ancora 5 o 6 secondi ad eccitarsi da quando azioni l'interruttore ed oscilla per 3 o 4 secondi?
Misura la tensione di *tutti* i nodi del circuito nelle due condizioni di interruttore chiuso ed aperto.
49 messaggi
• Pagina 3 di 5 • 1, 2, 3, 4, 5
Chi c’è in linea
Visitano il forum: Nessuno e 48 ospiti

Elettrotecnica e non solo (admin)
Un gatto tra gli elettroni (IsidoroKZ)
Esperienza e simulazioni (g.schgor)
Moleskine di un idraulico (RenzoDF)
Il Blog di ElectroYou (webmaster)
Idee microcontrollate (TardoFreak)
PICcoli grandi PICMicro (Paolino)
Il blog elettrico di carloc (carloc)
DirtEYblooog (dirtydeeds)
Di tutto... un po' (jordan20)
AK47 (lillo)
Esperienze elettroniche (marco438)
Telecomunicazioni musicali (clavicordo)
Automazione ed Elettronica (gustavo)
Direttive per la sicurezza (ErnestoCappelletti)
EYnfo dall'Alaska (mir)
Apriamo il quadro! (attilio)
H7-25 (asdf)
Passione Elettrica (massimob)
Elettroni a spasso (guidob)
Bloguerra (guerra)






