si ma lo step up lo suo per altri scopi, non lo uso pèr comandare il rele, il rele è alimentato solo dalla batteria in pratica lo step up lo uso per aumetare la tensione su altri carichi a monte.
comunque una domandana da ignorante
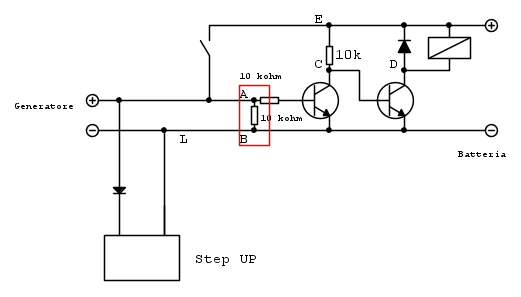
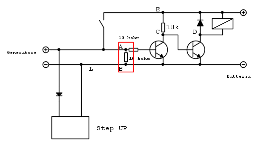
ma la resistenza da 10 Kom tra A e B quella che va dal + al / del generatore a cosa serve ? Perche ho visto che togliendola comunque il rele commuta ... qualcuno mi può spiegare ?
Attivare rele con NPN usato come interruttore inverso
Moderatori:
carloc,
g.schgor,
BrunoValente,
IsidoroKZ
49 messaggi
• Pagina 5 di 5 • 1, 2, 3, 4, 5
2
voti
In poche parole telegrafiche:
Se c'è un tempo, questo dipende da una capacità.
Se nel circuito non ci sono capacità, non deve esserci neppure un tempo.
Quindi la capacità è "fuori", collegata a AB
Se c'è uno "step-up", questo in uscita ha certamente un condensatore ed è questo a creare il ritardo.
Oltre che a generare ogni altro casino osservato.
Ovviamente va tolto questo e non tanto il generatore.
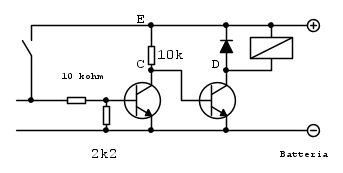
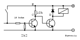
Quanto alla resistenza in serie alla base, il suo valore è relativamente importante. Serve più che altro a limitare la corrente quando è applicata tensione. 10k andrà anche bene.
Quanto alla resistenza verso massa, il mio parere è che tanto è più bassa, meglio è, in quanto stiamo parlando di transistor che, nell'attesa di passare da interdizione a saturazione, hanno il vizio di amplificare segnali di disturbo che appaiono come vibrazione (modulazione) all' uscita.
Qundi meglio una R di basso valore. Meglio 2k2 che 10k. Certamente aumenta la corrente assorbita quando la base è alimentata, ma basta mettere la resistenza a massa dopo quella in serie alla base.
Se c'è un tempo, questo dipende da una capacità.
Se nel circuito non ci sono capacità, non deve esserci neppure un tempo.
Quindi la capacità è "fuori", collegata a AB
Se c'è uno "step-up", questo in uscita ha certamente un condensatore ed è questo a creare il ritardo.
Oltre che a generare ogni altro casino osservato.
Ovviamente va tolto questo e non tanto il generatore.
Quanto alla resistenza in serie alla base, il suo valore è relativamente importante. Serve più che altro a limitare la corrente quando è applicata tensione. 10k andrà anche bene.
Quanto alla resistenza verso massa, il mio parere è che tanto è più bassa, meglio è, in quanto stiamo parlando di transistor che, nell'attesa di passare da interdizione a saturazione, hanno il vizio di amplificare segnali di disturbo che appaiono come vibrazione (modulazione) all' uscita.
Qundi meglio una R di basso valore. Meglio 2k2 che 10k. Certamente aumenta la corrente assorbita quando la base è alimentata, ma basta mettere la resistenza a massa dopo quella in serie alla base.
-

Brianz
5.828 5 10 - CRU - Account cancellato su Richiesta utente
- Messaggi: 858
- Iscritto il: 24 mar 2016, 11:27
0
voti
floppinoo ha scritto:si ma lo step up lo suo per altri scopi, non lo uso pèr comandare il rele, il rele è alimentato solo dalla batteria in pratica lo step up lo uso per aumetare la tensione su altri carichi a monte
Come l'hai disegnato tu nello schema, lo step-up influenza anche il relè
Poi vedi tu
0
voti
Ok allora io il generatore lo stacco dal circuito per simulare (la mancanza di corrente) e vedere se il rele commuta correttamente, non è che viene elimato ....
Ora per far funzionare tutto ho messo un diodo tra step up e generatore in particolare sulla positiva, lo step up mi serve per usare altri carichi a monte che necessitano di una tensione superiore di 12 V e quindi non posso eliminarlo.
Per la resistenza io mi rierivo non alla resistenza che va alla base, ma quella evidenziata in rosso vedi giù, ho provato a toglierla e il circuito sembra funzionare ugualmente ... volevo capire questa resistenza a cosa serve :)
Ora per far funzionare tutto ho messo un diodo tra step up e generatore in particolare sulla positiva, lo step up mi serve per usare altri carichi a monte che necessitano di una tensione superiore di 12 V e quindi non posso eliminarlo.
Per la resistenza io mi rierivo non alla resistenza che va alla base, ma quella evidenziata in rosso vedi giù, ho provato a toglierla e il circuito sembra funzionare ugualmente ... volevo capire questa resistenza a cosa serve :)
3
voti
Prova così
La funzione della R è quella di mantenere una bassa impedenza sulla base in modo da renderla meno sensibile possibile al rumore che c'è quando stacchi la tensione di ingresso.
L'ho indicato prima...
La funzione della R è quella di mantenere una bassa impedenza sulla base in modo da renderla meno sensibile possibile al rumore che c'è quando stacchi la tensione di ingresso.
L'ho indicato prima...
-

Brianz
5.828 5 10 - CRU - Account cancellato su Richiesta utente
- Messaggi: 858
- Iscritto il: 24 mar 2016, 11:27
0
voti
Grande Area 51 !! con quella configurazione e spostando la resitenza come hai fatto, posso togliere anche il diodo tra generatore e step up e tutto funziona benissimo, senza vibrazioni e senza ritardi
yuppyyy, finalmente !!!! ora vado a festeggiare con un bel gelato o birra 
yuppyyy, finalmente !!!! ora vado a festeggiare con un bel gelato o birra
49 messaggi
• Pagina 5 di 5 • 1, 2, 3, 4, 5
Chi c’è in linea
Visitano il forum: Nessuno e 197 ospiti

Elettrotecnica e non solo (admin)
Un gatto tra gli elettroni (IsidoroKZ)
Esperienza e simulazioni (g.schgor)
Moleskine di un idraulico (RenzoDF)
Il Blog di ElectroYou (webmaster)
Idee microcontrollate (TardoFreak)
PICcoli grandi PICMicro (Paolino)
Il blog elettrico di carloc (carloc)
DirtEYblooog (dirtydeeds)
Di tutto... un po' (jordan20)
AK47 (lillo)
Esperienze elettroniche (marco438)
Telecomunicazioni musicali (clavicordo)
Automazione ed Elettronica (gustavo)
Direttive per la sicurezza (ErnestoCappelletti)
EYnfo dall'Alaska (mir)
Apriamo il quadro! (attilio)
H7-25 (asdf)
Passione Elettrica (massimob)
Elettroni a spasso (guidob)
Bloguerra (guerra)






