Ciao,
come da titolo vorrei progettare un alimentatore alimentato in alternata limitato a 27V e 3A (lo devo usare per la carica di due batterie al Pb-gel 2x 12V 24Ah),
pensavo di fare classico trasformatore 230/24, ponte di diodi, condensatore con elettronica di controllo per limitare i27V e i 3A
avete degli integrati da consigliarmi o altre soluzioni da propormi?
Alimentatore 230Vac ==> 27Vdc 3A lim. in corrente e tensione
Moderatori:
carloc,
g.schgor,
BrunoValente,
IsidoroKZ
12 messaggi
• Pagina 1 di 2 • 1, 2
0
voti
ci avevo pensato, ma preferivo cimentarmi per la prima volta su un alimentatore switching...
i lineari mi dissiperebbero troppa potenza, avrei bisogno di un dissipatore enorme e oltretutto il progetto verra contenuto in una scatola stagna, volevo evitare l'effetto stufetta
i lineari mi dissiperebbero troppa potenza, avrei bisogno di un dissipatore enorme e oltretutto il progetto verra contenuto in una scatola stagna, volevo evitare l'effetto stufetta
-

francicoma
60 1 6 - Frequentatore

- Messaggi: 151
- Iscritto il: 5 lug 2013, 1:23
0
voti
a parte che esistono caricabatterie (o anche alim switching) già fatti a prezzi irrisori, faccio presente che è meglio caricarle singolarmente o in parallelo, in serie sarebbe concettualmente opportuno prevedere un controllo di carica (BMS)
1
voti
Ciao, se proprio ti vuoi cimentare con gli switching, gli LM2576 e LM2596 della National danno 3 A, con pochissimi componenti esterni di facile reperilita'...
saluti
saluti
3
voti
Se serve per la ricarica di batterie, sara' necessario che l'alimentatore sia limitabile in corrente oltre che regolabile in tensione.
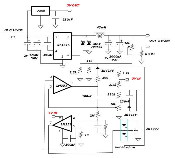
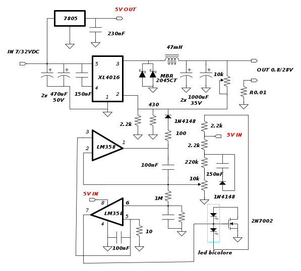
Quindi, dopo trasformatore e ponte potresti mettere uno step-down sul genere di questo:
Non e' un'impresa da poco se si considerano le difficolta' costruttive e del layout ma, come detto da altri, esistono in commercio cose simili a pochi dollari in Cina.
Sia l'integrato che il diodo schottky devono comunque essere posti su dissipatore, anche se di modeste dimensioni.

Quindi, dopo trasformatore e ponte potresti mettere uno step-down sul genere di questo:
Non e' un'impresa da poco se si considerano le difficolta' costruttive e del layout ma, come detto da altri, esistono in commercio cose simili a pochi dollari in Cina.
Sia l'integrato che il diodo schottky devono comunque essere posti su dissipatore, anche se di modeste dimensioni.

marco
0
voti
grazie comunque per lo schema del circuito, adesso gli do un'occhiata più approfondita
-

francicoma
60 1 6 - Frequentatore

- Messaggi: 151
- Iscritto il: 5 lug 2013, 1:23
0
voti
ho dato una vista al datasheet del xl4016, ho visto che noi dobbiamo costruire un circuito retroattivo che alzi o abbassi la tensione sul secondo pin (FB feedback) l la tensione deve essere 1.25.
per controllare in tensone ho visto che avete giustamente messo il classico partitore di tensione con il trimmer regolabile
non ho capito invece come funziona la parte del circuito che controlla anche la corrente...
sinceramente appena ho visto la resistenza di shunt in uscita dal carico immaginavo che da quella si prelevava la tensione, con un op-amp l'aumentavi e in qualche modo la portavi al pin 2 senza creare interferenze con la parte che controlla la tensione...
invece e tutto diverso
come funziona?
per controllare in tensone ho visto che avete giustamente messo il classico partitore di tensione con il trimmer regolabile
non ho capito invece come funziona la parte del circuito che controlla anche la corrente...
sinceramente appena ho visto la resistenza di shunt in uscita dal carico immaginavo che da quella si prelevava la tensione, con un op-amp l'aumentavi e in qualche modo la portavi al pin 2 senza creare interferenze con la parte che controlla la tensione...
invece e tutto diverso
come funziona?-

francicoma
60 1 6 - Frequentatore

- Messaggi: 151
- Iscritto il: 5 lug 2013, 1:23
12 messaggi
• Pagina 1 di 2 • 1, 2
Chi c’è in linea
Visitano il forum: Google [Bot] e 29 ospiti

Elettrotecnica e non solo (admin)
Un gatto tra gli elettroni (IsidoroKZ)
Esperienza e simulazioni (g.schgor)
Moleskine di un idraulico (RenzoDF)
Il Blog di ElectroYou (webmaster)
Idee microcontrollate (TardoFreak)
PICcoli grandi PICMicro (Paolino)
Il blog elettrico di carloc (carloc)
DirtEYblooog (dirtydeeds)
Di tutto... un po' (jordan20)
AK47 (lillo)
Esperienze elettroniche (marco438)
Telecomunicazioni musicali (clavicordo)
Automazione ed Elettronica (gustavo)
Direttive per la sicurezza (ErnestoCappelletti)
EYnfo dall'Alaska (mir)
Apriamo il quadro! (attilio)
H7-25 (asdf)
Passione Elettrica (massimob)
Elettroni a spasso (guidob)
Bloguerra (guerra)




