Cos'è ElectroYou | Login Iscriviti

ElectroYou - la comunità dei professionisti del mondo elettrico

installazione lampada a led al posto di una alogena

Progettazione, esercizio, manutenzione, sicurezza, leggi, normative...

Moderatori: Foto Utentesebago, Foto UtenteMASSIMO-G, Foto Utentelillo, Foto UtenteMike

0
voti

[1] installazione lampada a led al posto di una alogena

Messaggioda Foto Utentehuyol » 7 set 2016, 12:09

salve a tutti,

in una camera devo sostituire la lampada alogena di una piantana con una lampada led.
Attualmente la piantana prende corrente da una presa comandata a muro.
La alogena viene accesa/spenta da tre punti (parete, comodino, comodino).
Dentro la placca a parete c'è il dimmer che comanda l'alogena.
So che il dimmer a TRIAC (come penso sia quello situato dentro la placca) non può essere utilizzato per comandare una lampada led, per cui ho deciso di eliminare il dimmer, eliminare i tre pulsanti (parete, comodino, comodino) ed inserire tre punti di accensione/spegnimento tradizionali (due deviatori ed un invertitore).
La mia domanda è:
per attuare quanto ho previsto sopra, come modifiche all'impianto....devo semplicemente eliminare il dimmer? ed i relativi fili che attualmente sono ai contatti del dimmer li devo eliminare oppure collegare tra loro? eliminando il dimmer, automaticamente la presa che ora è comandata diventa una presa tradizionale?
grazie a chi vorrà dedicare il suo tempo per risolvere il mio problema O_/ O_/
Avatar utente
Foto Utentehuyol
120 2 5
Frequentatore
Frequentatore
 
Messaggi: 203
Iscritto il: 30 gen 2011, 19:24

0
voti

[2] Re: installazione lampada a led al posto di una alogena

Messaggioda Foto Utentegabrisav » 7 set 2016, 18:10

Se il dimer è comandato da pulsanti al suo posto puoi installare un rele passo passo, anche elettronico

Non far caso alla dicitura temporizzato, trovi anche quelli semplicemente passo passo
Allegati
$_35.JPG
$_35.JPG (16.04 KiB) Osservato 7226 volte
Avatar utente
Foto Utentegabrisav
1.852 2 4 7
Expert EY
Expert EY
 
Messaggi: 1711
Iscritto il: 13 set 2015, 18:26
Località: Borgosatollo (Bs)

0
voti

[3] Re: installazione lampada a led al posto di una alogena

Messaggioda Foto Utentehuyol » 7 set 2016, 23:16

ehm....la rumorosità di un relé....al confronto di quella di un interruttore?? O_/
Avatar utente
Foto Utentehuyol
120 2 5
Frequentatore
Frequentatore
 
Messaggi: 203
Iscritto il: 30 gen 2011, 19:24

0
voti

[4] Re: installazione lampada a led al posto di una alogena

Messaggioda Foto Utentegabrisav » 7 set 2016, 23:56

Un rele elettronico non fa nessun rumore
Avatar utente
Foto Utentegabrisav
1.852 2 4 7
Expert EY
Expert EY
 
Messaggi: 1711
Iscritto il: 13 set 2015, 18:26
Località: Borgosatollo (Bs)

0
voti

[5] Re: installazione lampada a led al posto di una alogena

Messaggioda Foto Utentehuyol » 8 set 2016, 0:06

ok...grazie per la risposta....con il relé elettronico, se ho capito bene, potrei lasciare i tre pulsanti attualmente montati....giusto?
e con il relé elettronico, la presa, che attualmente è comandata, rimarrebbe tale oppure sarebbe "svincolata" dal relé e quindi potrei utilizzarla con un qualsiasi utilizzatore?
Avatar utente
Foto Utentehuyol
120 2 5
Frequentatore
Frequentatore
 
Messaggi: 203
Iscritto il: 30 gen 2011, 19:24

0
voti

[6] Re: installazione lampada a led al posto di una alogena

Messaggioda Foto Utentehuyol » 10 set 2016, 10:44

ehm....c'è nessuno che può rispondere al mio ultimo post? :ok: O_/
Avatar utente
Foto Utentehuyol
120 2 5
Frequentatore
Frequentatore
 
Messaggi: 203
Iscritto il: 30 gen 2011, 19:24

0
voti

[7] Re: installazione lampada a led al posto di una alogena

Messaggioda Foto Utentegabrisav » 10 set 2016, 11:33

Se la presa era comanda resta comandata anche con il rele elettronico
Avatar utente
Foto Utentegabrisav
1.852 2 4 7
Expert EY
Expert EY
 
Messaggi: 1711
Iscritto il: 13 set 2015, 18:26
Località: Borgosatollo (Bs)

0
voti

[8] Re: installazione lampada a led al posto di una alogena

Messaggioda Foto Utentehuyol » 10 set 2016, 11:43

grazie mille!! O_/
Avatar utente
Foto Utentehuyol
120 2 5
Frequentatore
Frequentatore
 
Messaggi: 203
Iscritto il: 30 gen 2011, 19:24

0
voti

[9] Re: installazione lampada a led al posto di una alogena

Messaggioda Foto Utenteattilio » 10 set 2016, 11:45

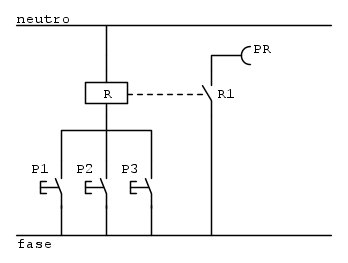
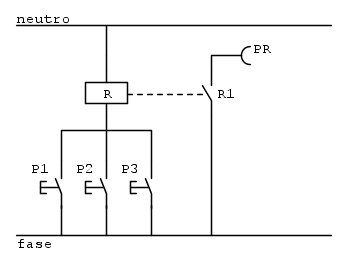
il contatto del relè va in serie alla fase verso la presa, almeno è quello che dovrebbe accadere per una presa comandata

sei in grado di leggere un semplice schema elettrico?



dove
P1, P2, P3 sono i pulsanti che interrompono in questo caso la fase
R è il relè passo passo (con circuito di comando separato da quello di potenza)
R1 è il contatto di potenza del relè, su cui va inserita la fase dell'impianto e il ritorno verso la presa comandata
PR è la presa comandata che riceve la fase dal relé e il neutro e la terra direttamente dall'impianto

edit:
molti relè passo passo, hanno invece il circuito di comando non separato da quello di potenza, in pratica per interrompere la fase al carico (presa comandata) bisogna avere il neutro ai pulsanti, ma in definitiva non cambia nulla
Ognuno sta solo sul cuor della terra
trafitto da un raggio di sole:
ed è subito sera


Salvatore Quasimodo
Avatar utente
Foto Utenteattilio
61,4k 8 12 13
free expert
 
Messaggi: 9167
Iscritto il: 21 gen 2007, 14:34

0
voti

[10] Re: installazione lampada a led al posto di una alogena

Messaggioda Foto Utentehuyol » 10 set 2016, 11:52

grazie attilio per la risposta....si, il circuito è chiaro.....mi sarà indispensabile quando sostituirò il dimmer con il relè elettronico....sto aspettando la lampada led, trovata su internet ad un prezzo giusto (la metà di quanto mi chiedevano in negozio) :ok:
Avatar utente
Foto Utentehuyol
120 2 5
Frequentatore
Frequentatore
 
Messaggi: 203
Iscritto il: 30 gen 2011, 19:24

Prossimo

Torna a Impianti, sicurezza e quadristica

Chi c’è in linea

Visitano il forum: Nessuno e 77 ospiti