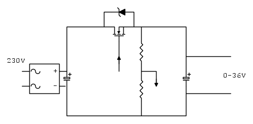
daniele1996 ha scritto:Si, il simbolo é sbagliato perché non c'é su fidocad
Ti sbagli
Moderatori:
carloc,
g.schgor,
BrunoValente,
IsidoroKZ
daniele1996 ha scritto:Si, il simbolo é sbagliato perché non c'é su fidocad







daniele1996 ha scritto:Va bene, seguirò il vostro consiglio.. ma dove potrei trovare le documentazioni per studiarli? non ho libri che trattano ciò...


daniele1996 ha scritto:...sul pilotaggio del mosfet potrei usare anche un optoisolatore e non è questo il mio problema...


Visitano il forum: Nessuno e 167 ospiti