SE il fischio viene dal segnale di scansione della tastiera
E si conosce la frequenza di scansione (per vederla bisogna attaccarci un oscilloscopio) E non è troppo alta
E si conosce l'impedenza d'uscita dall'altro lato (ovvero lo schema dell'altro estremo dove arriva il cavo, oppure si cerca di misurarla con oscilloscopio e resistenze in serie)
ALLORA FORSE mettendo un filtro opportunamente calcolato a ogni estremo si può ridurre o eliminare il fischio
MA è difficile sistemare un prodotto progettato male
e comunque lo può fare solo qualcuno che abbia un laboratorio attrezzato, e ci deve spendere del tempo e non ci sono garanzie di successo.
Altrimenti si potrebbe provare a tenere separato e schermato il cavo del segnale della tastiera dal cavo del segnale del microfono
Oppure scollega il segnale tastiera (sempre dalla parte opposta al microfono) e vedi se il fischio sparisce. Però poi la tastiera non funzionerà. Metterlo in corto come ha fatto l'americano è un'altra possibilità per eliminare il segnale, ma rischi di bruciare qualcosa se non ci sono protezioni.
Mi sembra strano che il fischio ci sia solo alcune volte.
Non sarà qualcos'altro e non la tastiera?
Decoder tastiera...ma funziona cosi ?
Moderatori:
carloc,
g.schgor,
BrunoValente,
IsidoroKZ
22 messaggi
• Pagina 2 di 3 • 1, 2, 3
0
voti
Big fan of ⋮ƎlectroYou! Ausili per disabili e anziani su ⋮ƎlectroYou
Caratteri utili: À È É Ì Ò Ó Ù α β γ δ ε η θ λ μ π ρ σ τ φ ω Ω º ª ² ³ √ ∛ ∜ ₀ ₁ ₂ ₃ ₄ ₅ ₆ ∃ ∄ ∆ ∈ ∉ ± ∓ ∾ ≃ ≈ ≠ ≤ ≥
Caratteri utili: À È É Ì Ò Ó Ù α β γ δ ε η θ λ μ π ρ σ τ φ ω Ω º ª ² ³ √ ∛ ∜ ₀ ₁ ₂ ₃ ₄ ₅ ₆ ∃ ∄ ∆ ∈ ∉ ± ∓ ∾ ≃ ≈ ≠ ≤ ≥
0
voti
no, in genere succede quando si mette una prolunga al cavo originale.
qui la discussione completa e anche il manuale in PDF con lo schema elettrico completo:
http://www.arifidenza.it/forum/topic.as ... _ID=206559
http://www.arifidenza.it/FORUM/topic.as ... _ID=253857
dove confermano che il ticchettio e' dovuto all'oscillatore interno.
qui il manuale con schema
forums.qrz.com/showthread.php?284060-Kenwood-MC-59-DTMF-
che ne pensate ? grazie x aiuto
qui la discussione completa e anche il manuale in PDF con lo schema elettrico completo:
http://www.arifidenza.it/forum/topic.as ... _ID=206559
http://www.arifidenza.it/FORUM/topic.as ... _ID=253857
dove confermano che il ticchettio e' dovuto all'oscillatore interno.
qui il manuale con schema
forums.qrz.com/showthread.php?284060-Kenwood-MC-59-DTMF-
che ne pensate ? grazie x aiuto

0
voti
mi pare anche gli americani annaspano ....
http://boardreader.com/thread/Kenwood_T ... dXrcx.html
questa la risposta di un epserto al forum:
Ho visto i tuoi post sul forum di Ari Fidenza relativamente ai problemi microfonici dei kenwood.
Purtroppo, se anche il kit originale che costa una follia non funziona, penso che ci sarà poco da fare.
Comunque, tanto per darti le mie esperienze io ho fatto le seguenti prove:
- usato cavo STP cat. 5e con collegamenti come da ethernet (bi-ve/ve bi-ar/blu bi-blu/ar bi-ma/ma) e il rumore c'è;
- messe ferriti su cavo di cui sopra, ed il rumore persiste;
- usato cavo cat.6 con collegamenti completamente dritti (senza sbinamenti su 3/4/5/6) ed il rumore permane;
- usato cavo 8 fili piatto, tipico di collegamenti telefoni digitali isdn, ed anche in questo caso il rumore rimane.
Ho letto su vari forum americani che anche là pensano di tenersi il rumore perché non hanno trovato soluzioni.
Rimarrò in lettura sul forum, ma se dovessi trovare una soluzione ti chiedo se puoi avvisarmi perché io non sono iscritto al forum.
Ti autorizzo, se ritieni possa essere interessante, a postare questo mio sul forum arifidenza
Ciao
prove fatte da altro om , ma anche con cavo STP nulla !
raga se riuscite a trovare inghippo voi... siete il TOP !!!
http://boardreader.com/thread/Kenwood_T ... dXrcx.html
questa la risposta di un epserto al forum:
Ho visto i tuoi post sul forum di Ari Fidenza relativamente ai problemi microfonici dei kenwood.
Purtroppo, se anche il kit originale che costa una follia non funziona, penso che ci sarà poco da fare.
Comunque, tanto per darti le mie esperienze io ho fatto le seguenti prove:
- usato cavo STP cat. 5e con collegamenti come da ethernet (bi-ve/ve bi-ar/blu bi-blu/ar bi-ma/ma) e il rumore c'è;
- messe ferriti su cavo di cui sopra, ed il rumore persiste;
- usato cavo cat.6 con collegamenti completamente dritti (senza sbinamenti su 3/4/5/6) ed il rumore permane;
- usato cavo 8 fili piatto, tipico di collegamenti telefoni digitali isdn, ed anche in questo caso il rumore rimane.
Ho letto su vari forum americani che anche là pensano di tenersi il rumore perché non hanno trovato soluzioni.
Rimarrò in lettura sul forum, ma se dovessi trovare una soluzione ti chiedo se puoi avvisarmi perché io non sono iscritto al forum.
Ti autorizzo, se ritieni possa essere interessante, a postare questo mio sul forum arifidenza
Ciao
prove fatte da altro om , ma anche con cavo STP nulla !
raga se riuscite a trovare inghippo voi... siete il TOP !!!

0
voti
Io credo che qui ci sia la soluzione.
In pratica si tratta di usare un cavo STP (che ha quattro doppini intrecciati, e ciascun doppino schermato singolarmente) e collegare le coppie giuste:
3/8 (massa e dati seriali)
5/6 (massa audio e audio )
4/2 (+8 V e PTT)
1/7 (cablati ma non connessi)
Se ho ben capito, ma anche a logica:
- massa e dati seriali (il segnale da schermare perché non disturbi) vanno in un doppino schermato,
- massa audio e audio (il segnale più importante da proteggere) in un altro doppino schermato,
- +8 V e PTT in un altro,
- l'ultimo doppino è collegato anche se non è usato.
Il cavo non è una prolunga al cavo originale ma lo sostituisce completamente.
Il collegamento non è Ethernet standard ma va fatto crimpando i connettori RJ45 al cavo rispettando l'ordine indicato.
Una volta fatto il cavo, con un multimetro devi verificare che i collegamenti siano fatti come nel cavo originale per non combinare guai all'utilizzarlo.
Non riesco a scaricare il manuale con lo schema, credo lo possano fare solo gli utenti registrati in quel foro.
Puoi anche provare a mettere una resistenza in serie a D2 e un condensatore in parallelo a C22. I valori, senza dati di frequenza e impedenza, non si possono sapere e si rischia di perdere tempo. Eventualmente prova con 1000 ohm e 10 nF poi continua per tentativi. Anche una perlina di ferrite sul filo DW potrebbe aiutare.
In pratica si tratta di usare un cavo STP (che ha quattro doppini intrecciati, e ciascun doppino schermato singolarmente) e collegare le coppie giuste:
3/8 (massa e dati seriali)
5/6 (massa audio e audio )
4/2 (+8 V e PTT)
1/7 (cablati ma non connessi)
Se ho ben capito, ma anche a logica:
- massa e dati seriali (il segnale da schermare perché non disturbi) vanno in un doppino schermato,
- massa audio e audio (il segnale più importante da proteggere) in un altro doppino schermato,
- +8 V e PTT in un altro,
- l'ultimo doppino è collegato anche se non è usato.
Il cavo non è una prolunga al cavo originale ma lo sostituisce completamente.
Il collegamento non è Ethernet standard ma va fatto crimpando i connettori RJ45 al cavo rispettando l'ordine indicato.
Una volta fatto il cavo, con un multimetro devi verificare che i collegamenti siano fatti come nel cavo originale per non combinare guai all'utilizzarlo.
Non riesco a scaricare il manuale con lo schema, credo lo possano fare solo gli utenti registrati in quel foro.
Puoi anche provare a mettere una resistenza in serie a D2 e un condensatore in parallelo a C22. I valori, senza dati di frequenza e impedenza, non si possono sapere e si rischia di perdere tempo. Eventualmente prova con 1000 ohm e 10 nF poi continua per tentativi. Anche una perlina di ferrite sul filo DW potrebbe aiutare.
Big fan of ⋮ƎlectroYou! Ausili per disabili e anziani su ⋮ƎlectroYou
Caratteri utili: À È É Ì Ò Ó Ù α β γ δ ε η θ λ μ π ρ σ τ φ ω Ω º ª ² ³ √ ∛ ∜ ₀ ₁ ₂ ₃ ₄ ₅ ₆ ∃ ∄ ∆ ∈ ∉ ± ∓ ∾ ≃ ≈ ≠ ≤ ≥
Caratteri utili: À È É Ì Ò Ó Ù α β γ δ ε η θ λ μ π ρ σ τ φ ω Ω º ª ² ³ √ ∛ ∜ ₀ ₁ ₂ ₃ ₄ ₅ ₆ ∃ ∄ ∆ ∈ ∉ ± ∓ ∾ ≃ ≈ ≠ ≤ ≥
-1
voti
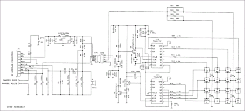
....trovato eccolo:
http://forums.qrz.com/index.php?attachm ... pdf.58482/
quindi confermi che funziona in quel modo con il "sensing" tranìmite la R da 1 k ?
http://forums.qrz.com/index.php?attachm ... pdf.58482/
quindi confermi che funziona in quel modo con il "sensing" tranìmite la R da 1 k ?
0
voti
1enry1 ha scritto:quindi confermi che funziona in quel modo con il "sensing" tranìmite la R da 1 k ?
Adesso che hai pubblicato lo schema completo, vedo che le righe e le colonne della tastiera sono scambiate rispetto a quanto avevo spiegato io.
In più non ci sono transistor che pilotano le colonne, ma solo resistenze. Quindi il passaggio di corrente avviene in modo diverso: quando si preme un tasto la corrente non passa quando la riga e la colonna corrispondono col tasto premuto, e anche quando né la riga né la colonna corrispondono. La logica è diversa, ma funziona ugualmente.
Confermo che funziona grazie al "sensing" di corrente di quella resistenza.
Big fan of ⋮ƎlectroYou! Ausili per disabili e anziani su ⋮ƎlectroYou
Caratteri utili: À È É Ì Ò Ó Ù α β γ δ ε η θ λ μ π ρ σ τ φ ω Ω º ª ² ³ √ ∛ ∜ ₀ ₁ ₂ ₃ ₄ ₅ ₆ ∃ ∄ ∆ ∈ ∉ ± ∓ ∾ ≃ ≈ ≠ ≤ ≥
Caratteri utili: À È É Ì Ò Ó Ù α β γ δ ε η θ λ μ π ρ σ τ φ ω Ω º ª ² ³ √ ∛ ∜ ₀ ₁ ₂ ₃ ₄ ₅ ₆ ∃ ∄ ∆ ∈ ∉ ± ∓ ∾ ≃ ≈ ≠ ≤ ≥
0
voti
ottimo, quindi confermato, ma mi pare scelta progettuale demenziale o sbaglio ?
PS quindi sto benedetto fischio e/o disturbo che lamentano potrebbe anche
derivare da questa soluzione ?
PS quindi sto benedetto fischio e/o disturbo che lamentano potrebbe anche
derivare da questa soluzione ?
22 messaggi
• Pagina 2 di 3 • 1, 2, 3
Chi c’è in linea
Visitano il forum: Nessuno e 33 ospiti

Elettrotecnica e non solo (admin)
Un gatto tra gli elettroni (IsidoroKZ)
Esperienza e simulazioni (g.schgor)
Moleskine di un idraulico (RenzoDF)
Il Blog di ElectroYou (webmaster)
Idee microcontrollate (TardoFreak)
PICcoli grandi PICMicro (Paolino)
Il blog elettrico di carloc (carloc)
DirtEYblooog (dirtydeeds)
Di tutto... un po' (jordan20)
AK47 (lillo)
Esperienze elettroniche (marco438)
Telecomunicazioni musicali (clavicordo)
Automazione ed Elettronica (gustavo)
Direttive per la sicurezza (ErnestoCappelletti)
EYnfo dall'Alaska (mir)
Apriamo il quadro! (attilio)
H7-25 (asdf)
Passione Elettrica (massimob)
Elettroni a spasso (guidob)
Bloguerra (guerra)


