L'unico che potrebbe dirti qual è la minima tensione di cortocircuito nel punto di consegna è il distributore.
La potenza di cortocircuito minima si ottiene ipotizzando la mancanza di una o più fonti di energia esterne ed interne all'impianto. Nel tuo caso puoi escludere il contributo dell'impianto fotovoltaico, come del resto già stai facendo considerando la Icc del solo distributore, ma per quest'ultima puoi escludere ben poco, visto che la linea arriva presumibilmente da un unico trasformatore.
Del resto io non capisco il tuo ragionamento. La corrente di cortocircuito minima bisogna considerarla in un impianto per evitare eccessive cadute di tensione all'avviamento di grossi motori e ridurre al minimo le distorsioni della forma d'onda della tensione non per stabilire se il dispositivo di protezione interviene il quale, ad ogni modo, per una corrente di cortocircuito inferiore al valore di intervento magnetico dello stesso, interviene secondo la curva termica
trasformatore di isolamento 5 kVA monofase, icc?
Moderatori:
sebago,
MASSIMO-G,
lillo,
Mike
35 messaggi
• Pagina 3 di 4 • 1, 2, 3, 4
0
voti
admin ha scritto:Del resto io non capisco il tuo ragionamento...ad ogni modo, per una corrente di cortocircuito inferiore al valore di intervento magnetico dello stesso, interviene secondo la curva termica
Alla base della mia richiesta per il calcolo della corrente Icc minima a valle del trafo, c'è il quesito se sia presente o meno la protezione dagli indiretti a valle del trafo, dato che non è presente un differenziale ma un solo MT 25A classe C.
Il sistema in caso di secondo guasto a terra si tramuterebbe in TN-S e qui dovrei verificare che apra entro 5 secondi, no?
-

montanarin
10 2 - Messaggi: 29
- Iscritto il: 10 nov 2014, 18:23
0
voti
Devi considerare il valore della corrente di cortocircuito nel punto più distante a valle della linea che parte dal trasformatore di isolamento, se vuoi la corrente minima di cortocircuito nella parte di impianto da esso alimentata.
Ma come dovrebbe essere il secondo guasto a terra se il trasformatore è monofase?
Ma come dovrebbe essere il secondo guasto a terra se il trasformatore è monofase?
0
voti
admin ha scritto:Ma come dovrebbe essere il secondo guasto a terra se il trasformatore è monofase?
Essendo un trasformatore di isolamento a valle di esso ho un IT; immagino che ad un primo guasto verso terra uno dei due poli (fase o neutro) vadano a terra e si predisponga così un TN-S o TT; ad un secondo guasto a terra ecco avrei dei problemi sugli indiretti.
-

montanarin
10 2 - Messaggi: 29
- Iscritto il: 10 nov 2014, 18:23
0
voti
Affinché intervenga il magnetotermico per doppio guasto, le masse di diversi utilizzatori alimentati dal trasformatore di isolamento devono essere interconnesse con un conduttore di protezione (che non deve essere collegato all'impianto di terra); in tal modo il doppio guasto diventa un cortocircuito e si evita il pericolo che sia la persona in contatto con le due masse a chiudere il circuito di guasto.
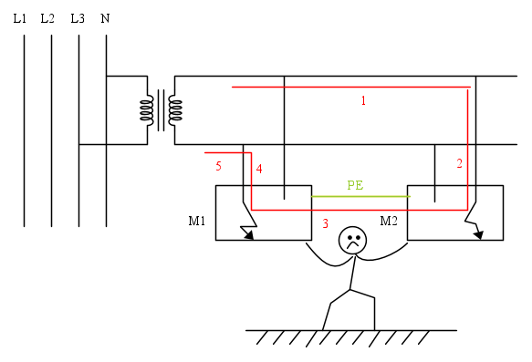
La corrente di cortocircuito è data dalla tensione nominale diviso l'impedenza dell'anello di guasto, che è la somma dell'impedenza della rete, dell'impedenza di cortocircuito del trasformatore, e dell'impedenza dei cavi che chiudono il circuito di guasto (in fig. 1,2,3,4,5).
Per trovare la minima corrente di cortocircuito occorre considerare il percorso che dà luogo all'impedenza di chiusura massima, che in pratica coincide con il percorso più lungo a parità di sezioni dei cavi.
Tale corrente deve far intervenire il magnetotermico entro 0,4 s.
La corrente di cortocircuito è data dalla tensione nominale diviso l'impedenza dell'anello di guasto, che è la somma dell'impedenza della rete, dell'impedenza di cortocircuito del trasformatore, e dell'impedenza dei cavi che chiudono il circuito di guasto (in fig. 1,2,3,4,5).
Per trovare la minima corrente di cortocircuito occorre considerare il percorso che dà luogo all'impedenza di chiusura massima, che in pratica coincide con il percorso più lungo a parità di sezioni dei cavi.
Tale corrente deve far intervenire il magnetotermico entro 0,4 s.
0
voti
Ecco la mia situazione.. per gli indiretti c'è la protezione per separazione elettrica?
-

montanarin
10 2 - Messaggi: 29
- Iscritto il: 10 nov 2014, 18:23
1
voti
L'unica massa è quella dell'inverter e la protezione dai contatti indiretti è assicurata dal trasformatore di isolamento.
La linea di 10 m ha un'impedenza molto inferiore a quella di cortocircuito del trasformatore ( 6 mohm contro 300 mohm) per cui la corrente di cortocircuito in pratica non varia.
Un doppio guasto sulla massa dell'inverter è un cortocircuito
La linea di 10 m ha un'impedenza molto inferiore a quella di cortocircuito del trasformatore ( 6 mohm contro 300 mohm) per cui la corrente di cortocircuito in pratica non varia.
Un doppio guasto sulla massa dell'inverter è un cortocircuito
0
voti
Aggiungo un ulteriore elemento e se un polo all'uscita del trafo fosse messo a terra; vedi figura?
cambia qualcosa? è più pericoloso
----------
edit admin
Non usare server esterni per le immagini: allegarle al messaggio
cambia qualcosa? è più pericoloso
----------
edit admin
Non usare server esterni per le immagini: allegarle al messaggio
Ultima modifica di
admin il 27 set 2016, 16:42, modificato 2 volte in totale.
Motivazione: Allegata immagine. Eliminato link a server esterno
Motivazione: Allegata immagine. Eliminato link a server esterno
-

montanarin
10 2 - Messaggi: 29
- Iscritto il: 10 nov 2014, 18:23
0
voti
Cambia sistema di protezione: non è più separazione elettrica ma diventa o un TN, se la massa dell'inverter è connessa alla stessa terra, od un TT se connessa ad una terra diversa, e diventa inutile che il trasformatore sia un trasformatore di isolamento
0
voti
L'impianto di terra è il medesimo sia per la connessione della massa (inverter) che per la connessione del polo a terra;
per gli indiretti vale comunque?
a monte del trafo c'è il differenziale...
admin ha scritto:L'unica massa è quella dell'inverter e la protezione dai contatti indiretti è assicurata dal trasformatore di isolamento.
La linea di 10 m ha un'impedenza molto inferiore a quella di cortocircuito del trasformatore ( 6 mohm contro 300 mohm) per cui la corrente di cortocircuito in pratica non varia.
Un doppio guasto sulla massa dell'inverter è un cortocircuito
per gli indiretti vale comunque?
a monte del trafo c'è il differenziale...
-

montanarin
10 2 - Messaggi: 29
- Iscritto il: 10 nov 2014, 18:23
35 messaggi
• Pagina 3 di 4 • 1, 2, 3, 4
Torna a Impianti, sicurezza e quadristica
Chi c’è in linea
Visitano il forum: Google [Bot] e 189 ospiti

Elettrotecnica e non solo (admin)
Un gatto tra gli elettroni (IsidoroKZ)
Esperienza e simulazioni (g.schgor)
Moleskine di un idraulico (RenzoDF)
Il Blog di ElectroYou (webmaster)
Idee microcontrollate (TardoFreak)
PICcoli grandi PICMicro (Paolino)
Il blog elettrico di carloc (carloc)
DirtEYblooog (dirtydeeds)
Di tutto... un po' (jordan20)
AK47 (lillo)
Esperienze elettroniche (marco438)
Telecomunicazioni musicali (clavicordo)
Automazione ed Elettronica (gustavo)
Direttive per la sicurezza (ErnestoCappelletti)
EYnfo dall'Alaska (mir)
Apriamo il quadro! (attilio)
H7-25 (asdf)
Passione Elettrica (massimob)
Elettroni a spasso (guidob)
Bloguerra (guerra)

