Cos'è ElectroYou | Login Iscriviti

ElectroYou - la comunità dei professionisti del mondo elettrico

Costruzione Audio Mixer su base Ray Wilson MFOS

hi-fi, luci, suoni, effetti speciali, palcoscenici...

Moderatore: Foto UtenteIsidoroKZ

0
voti

[1] Costruzione Audio Mixer su base Ray Wilson MFOS

Messaggioda Foto UtenteMave » 26 set 2016, 0:41

Ciao a tutti!! Sono ormai 5 anni che non scrivo, ora però eccomi qua in cerca di aiuto per una progettazione (???) dovrei dire FUSIONE di idee!

Ho trovato uno schema in rete, completo, funzionante e testato, (progetto di Ray Wilson MFOS) che però non rientra pienamente con le mie necessità e mi piacerebbe aggiungere qualche piccolo extra di cui vi parlerò fra poco, prima qualche premessa:
Il tutto sarà un modulo e lavorerà insieme ad altri moduli fisicamente distinti, montati in un rack. Creando un sistetizzatore audio modulare.
Il tutto rispetterà gli standard "eurorack" (sia meccanici che elettronici).

Esempi: Tensione dei segnali audio 10Vpp, alimentazione +/-12Vdc, i collegamenti tra moduli sono effettuati con delle patch jack da 3.5mm mono, giusto per capirci.

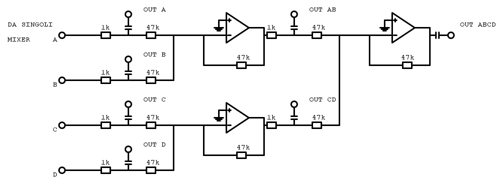
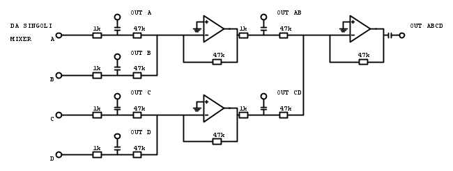
Dunque, questa è la pagina del progetto di Ray che adatterò agli standard Eurorack con qualche modifica: Progetto

Mi piacerebbe eliminare i due switch (S3 e S6) che uniscono due dei quattro mixer, presto fatto, tolti.
Adesso ci ritroviamo con uno schema di 4 mixer che non interagiscono tra di loro, io però vorrei anche avere altre uscite, delle miscelazioni dei canali in uscita, dei submixer per cosi dire. Per cui oltre avere una uscita per ogni mixer, averne un'altra che fornisce la miscelazione del canale uno e due, e un'altra ancora per il canale tre e quattro. Poi fatto trenta, facciamo trentuno :mrgreen: : una ulteriore uscita con tutte e quattro le miscelazioni.
Il tutto accessibile contemporaneamente.
Quando malsana idea mi è balzata in mente ero incuriosito e sono andato a cercare se in commerco esiste gia un accrocco simile ed era li, proprio come lo avevo immaginato, allego una immagine presa online:
SubMix-Front-02.gif

Le mie idee sono queste:
Considerando che lo schema di Ray si ripete per ogni mixer, eliminando la parte del circuito dei due switch S3 e S6, ci troviamo con 4 mixer separati. Il circuito per creare queste nuove funzioni non è troppo complicato: amplificatori non invertenti come gia ci sono poco piu a monte e quei condensatori elettrolitici non polarizzati in uscita (di cui non mi è ancora molto chiara la loro funzione in quel caso :roll: )

C'è qualche accortezza che bisogna prendere per avere il segnale sia in uscita che miscelato nuovamente con l'uscita di un altro mixer?

Ho qualche sensazione su un possibile malfunzionamento: In qualche uscita mi ritroverò qualche segnale che viene dalla parte sbagliata e oltre che andare a miscelarsi con un'altra uscita, mi trovo anche quest'ultimo miscelato nell'uscita sbagliata, insomma un casino pazzesco. Non sono per niente sicuro di essermi spiegato bene in questa frase.
Scusatemi ma ora mi sono completamente confuso e incasinato la testa.. :shock: :?: :shock:

Basta ho scritto troppo, fatemi sapere cosa ne pensate. :ok:

Matteo
Ultima modifica di Foto Utentealev il 26 set 2016, 11:57, modificato 2 volte in totale.
Motivazione: Chiarito titolo
Avatar utente
Foto UtenteMave
100 1 6
Frequentatore
Frequentatore
 
Messaggi: 194
Iscritto il: 27 gen 2012, 21:41
Località: Terlano

1
voti

[2] Re: Costruzione Audio Mixer su base Ray Wilson MFOS

Messaggioda Foto UtenteMave » 26 set 2016, 11:54

Aggiornamento:
Sono arrivato ad una idea che magari può funzionare.. il problema è che se io miscelo i canali A e B, all'uscita A mi ritrovo anche qualcosa che arriva da B cosi mettendo le resistenze da 47k dovrebbe risolversi.
Riguardo alle resistenze da 1k, non sono molto sicuro riguardo la loro utilità, ma le ho messe.

I condensatori elettrolitici non polarizzati in uscita penso di aver capito che servono a togliere gli offset in continua per cui vanno messi cosi oppure in uscita ai primi quattro canali prima di ogni ulteriore miscelazione e basta?



Aspetto qualche parere!
Ah, dimenticavo.. con me non date nulla per scontato! :lol: :lol:
Avatar utente
Foto UtenteMave
100 1 6
Frequentatore
Frequentatore
 
Messaggi: 194
Iscritto il: 27 gen 2012, 21:41
Località: Terlano

0
voti

[3] Re: Costruzione Audio Mixer su base Ray Wilson MFOS

Messaggioda Foto UtenteSediciAmpere » 6 ott 2016, 9:13

sì, esatto, si fa proprio così, oppure duplicando le resistenze in uscita dai singoli mixer e inviando i quattro segnali ad un altro mixer, così sono indipendenti
i condensatori sulle uscite servono per fermare eventuali correnti continue
Avatar utente
Foto UtenteSediciAmpere
4.187 5 5 8
Master
Master
 
Messaggi: 4847
Iscritto il: 31 ott 2013, 15:00

0
voti

[4] Re: Costruzione Audio Mixer su base Ray Wilson MFOS

Messaggioda Foto UtenteMave » 7 ott 2016, 0:28

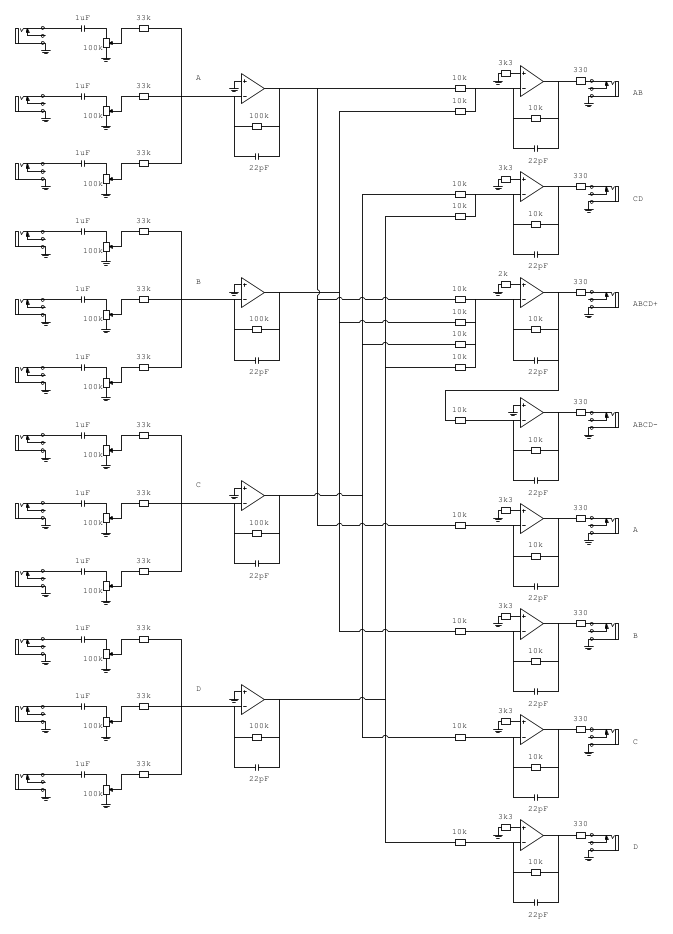
Grazie per il consiglio Sedici, ma nel mentre ho scoperto appunto l'amplificatore operazionale usato come sommatore (non che non lo avessi mai visto, ma ora ne so di più) e sono giunto anche io alla stessa soluzione e ho realizzato uno schema, che come si può immaginare è incredibilmente ripetitivo.
(apritelo perche ci sono dei caratteri sulla destra nascosti)


E questo è. Ora però ho un altro paio di quisiti da porre:

Inizialmente avevo il dubbio che le resistenze in ingresso agli amplificatori operazioni che sommano due o piu canali possano essere di valore troppo basso, di conseguenza la possibilità di avere i segnali che vagano dove non devono: in altri canali. Ma poi in realtà ho realizzato che devono farsi un viaggio per un bel po di resistenze prima di arrivare ad un opamp sbagliato, per cui correggetemi se sbaglio :arrow: .. Quelle resistenze sono ok.

Inoltre sempre scopiazzati malamente, i condensatori, oggetti dall'utilità non sempre a me chiara. 22uf in parallelo alle reistenze di feedback, perche :?:

Inoltre (n°2) ho visto mixer con le entrate sommate su un unico opamp (come sul mio schema) e invece altri in cui prima tutti i segnali passano per il loro opamp e poi sommate in un altro. Che differenze ci sono tra i due circuiti? Che vantaggio ha ingrandire il circuito in quel modo?

Già troppe domande! O_/
Grazie da subito!
Avatar utente
Foto UtenteMave
100 1 6
Frequentatore
Frequentatore
 
Messaggi: 194
Iscritto il: 27 gen 2012, 21:41
Località: Terlano

0
voti

[5] Re: Costruzione Audio Mixer su base Ray Wilson MFOS

Messaggioda Foto UtenteSediciAmpere » 8 ott 2016, 3:10

Ti rispondo con ordine:
1) finché l'operazionale lavora in zona lineare, i due ingressi si trovano sempre allo stesso potenziale; essendo il + connesso a massa, anche il - risulta al potenziale di massa (si chiama massa virtuale), perciò i vari segnali provenienti dai diversi ingressi è come se passassero attraverso le resistenze e andassero a massa, rimanendo completamente indipendenti tra di loro.
2) servono per non far oscillare l'operazionale, 22uF è un valore decisamente troppo alto, il valore corretto è 470pF o 330pF (picoFarad)
3) in ogni ingresso si può inserire un buffer per rendere l'impedenza vista dalla sorgente, indipendente dal potenziometro e dalla resistenza da 33kOhm, in particolare è utile per sorgenti particolari che richiedono un'impedenza molto alta
4) non ho capito la domanda
Avatar utente
Foto UtenteSediciAmpere
4.187 5 5 8
Master
Master
 
Messaggi: 4847
Iscritto il: 31 ott 2013, 15:00

0
voti

[6] Re: Costruzione Audio Mixer su base Ray Wilson MFOS

Messaggioda Foto Utenteclaudiocedrone » 8 ott 2016, 3:21

Mave ha scritto: ...Inoltre sempre scopiazzati malamente, i condensatori, oggetti dall'utilità non sempre a me chiara. 22uf in parallelo alle reistenze di feedback, perche :?... :

:-) Questa la so e ti rispondo; quei condensatori (non certo da 22 microfarad come hai scritto nel post :mrgreen: un po' più credibili i 22 pF che hai scritto nello schema ma da 22 nF forse ancora meglio) in parallelo con la resistenza di feedback formano una cella passabasso allo scopo di limitare "in alto" la banda passante del'amplificatore e non farlo lavorare con frequenze troppo elevate (ultrasoniche in campo audio) che non interessano l'applicazione e che inoltre sono foriere di disturbi e guai vari. O_/
P.s. Preceduto... O_/
"Non farei mai parte di un club che accettasse la mia iscrizione" (G. Marx)
Avatar utente
Foto Utenteclaudiocedrone
21,3k 4 7 9
Master EY
Master EY
 
Messaggi: 15302
Iscritto il: 18 gen 2012, 13:36

0
voti

[7] Re: Costruzione Audio Mixer su base Ray Wilson MFOS

Messaggioda Foto UtenteMave » 8 ott 2016, 18:30

SediciAmpere ha scritto:1) finché l'operazionale lavora in zona lineare, i due ingressi si trovano sempre allo stesso potenziale; essendo il + connesso a massa, anche il - risulta al potenziale di massa (si chiama massa virtuale), perciò i vari segnali provenienti dai diversi ingressi è come se passassero attraverso le resistenze e andassero a massa, rimanendo completamente indipendenti tra di loro.

Accidenti! Ogni volta che mi rendo conto di qualcosa del genere mi meraviglio di non esserci riuscito ad arrivare da solo. #-o

SediciAmpere ha scritto:3) in ogni ingresso si può inserire un buffer per rendere l'impedenza vista dalla sorgente, indipendente dal potenziometro e dalla resistenza da 33kOhm, in particolare è utile per sorgenti particolari che richiedono un'impedenza molto alta
4) non ho capito la domanda

In base a cosa si determinano le impedenze, sia in uscita che in entrata?
qual è la quarta domanda?


SediciAmpere ha scritto:2) servono per non far oscillare l'operazionale, 22uF è un valore decisamente troppo alto, il valore corretto è 470pF o 330pF (picoFarad)

claudiocedrone ha scritto:quei condensatori (non certo da 22 microfarad come hai scritto nel post :mrgreen: un po' più credibili i 22 pF che hai scritto nello schema ma da 22 nF forse ancora meglio)/

Ho controllato dallo schema da cui ho preso spunto e il valore utilizzato è 22pF, che frequenze verrebbero tagliate?

O_/
Grazie per l'aiuto!
Avatar utente
Foto UtenteMave
100 1 6
Frequentatore
Frequentatore
 
Messaggi: 194
Iscritto il: 27 gen 2012, 21:41
Località: Terlano

0
voti

[8] Re: Costruzione Audio Mixer su base Ray Wilson MFOS

Messaggioda Foto Utenteclaudiocedrone » 8 ott 2016, 19:51

Mave ha scritto: ...In base a cosa si determinano le impedenze, sia in uscita che in entrata?...

:-) Parti dal presupposto che la resistenza (preferisco parlare di resistenza e non di impedenza ma la sostanza non cambia) di uscita di uno stadio (o la resistenza di segnale se non ci sono stadi precedenti) va in parallelo alla resistenza di entrata del successivo; da ciò è intuitivo ( :mrgreen: ) che dal parallelo delle due resistenze si ottiene una resistenza complessiva di valore sempre inferiore al valore della minore tra le due (se uguali sarà la metà) e questa sarà la "nuova" resistenza di segnale, da cui deriva che se la resistenza di entrata non è sufficientemente elevata rispetto alla "vecchia" resistenza di segnale da lasciarne praticamente inalterato il valore, il segnale subirà una attenuazione; in pratica la resistenza di entrata deve essere abbastanza elevata rispetto alla resistenza di segnale da non influenzarne il valore, ovvero, come si suol dire, da non caricare la sorgente di segnale. (Attenzione che questo discorso non c'entra una cippa con l'adattamento di impedenza il quale riguarda le linee di trasmissione.)
Mave ha scritto: ...Ho controllato dallo schema da cui ho preso spunto e il valore utilizzato è 22pF, che frequenze verrebbero tagliate?...

Quale schema ? Su quello di Ray Wilson i condensatori in feedback sono da 47 pF... ad ogni modo vengono tagliate, poiché riportate in ingresso invertite di fase (configurazione invertente e retroazione negativa) quelle frequenze per le quali la reattanza del condensatore è trascurabile. O_/
"Non farei mai parte di un club che accettasse la mia iscrizione" (G. Marx)
Avatar utente
Foto Utenteclaudiocedrone
21,3k 4 7 9
Master EY
Master EY
 
Messaggi: 15302
Iscritto il: 18 gen 2012, 13:36

0
voti

[9] Re: Costruzione Audio Mixer su base Ray Wilson MFOS

Messaggioda Foto UtenteMave » 8 ott 2016, 20:15

:ok: Direi che il discorso impedenze è molto piu semplice di quanto pensassi.

Invece riguardo al condensatore, si Ray aveva quelli da 47pF, ma come ho detto qualche messaggio prima ho preso spunto da piu schemi, dallo schema di Ray ho preso la struttura circuitale intorno agli amplificatori, e invece da un altro schema online a caso, il loro modo di interagire per miscelare i segnali.
Per sbaglio ho preso il valore del condensatore dallo schema sbagliato, ma anche qui, cosa cambia tra uno e l'altro?
La frequenza di taglio del filtro nel feedback?

(solo a titolo informativo: l'altro schema ha un sistema di bypass per i condensatori che filtrano la corrente continua, rendendo possibile l'utilizzo per il mixaggio di segnali di modulazione a frequenze molto basse, anche quattro-cinque secondi per ciclo.
però questo renderebbe il pannello assurdamente pieno, e non che non lo sia gia, quando sinceramente per ora non ne sento il bisogno)

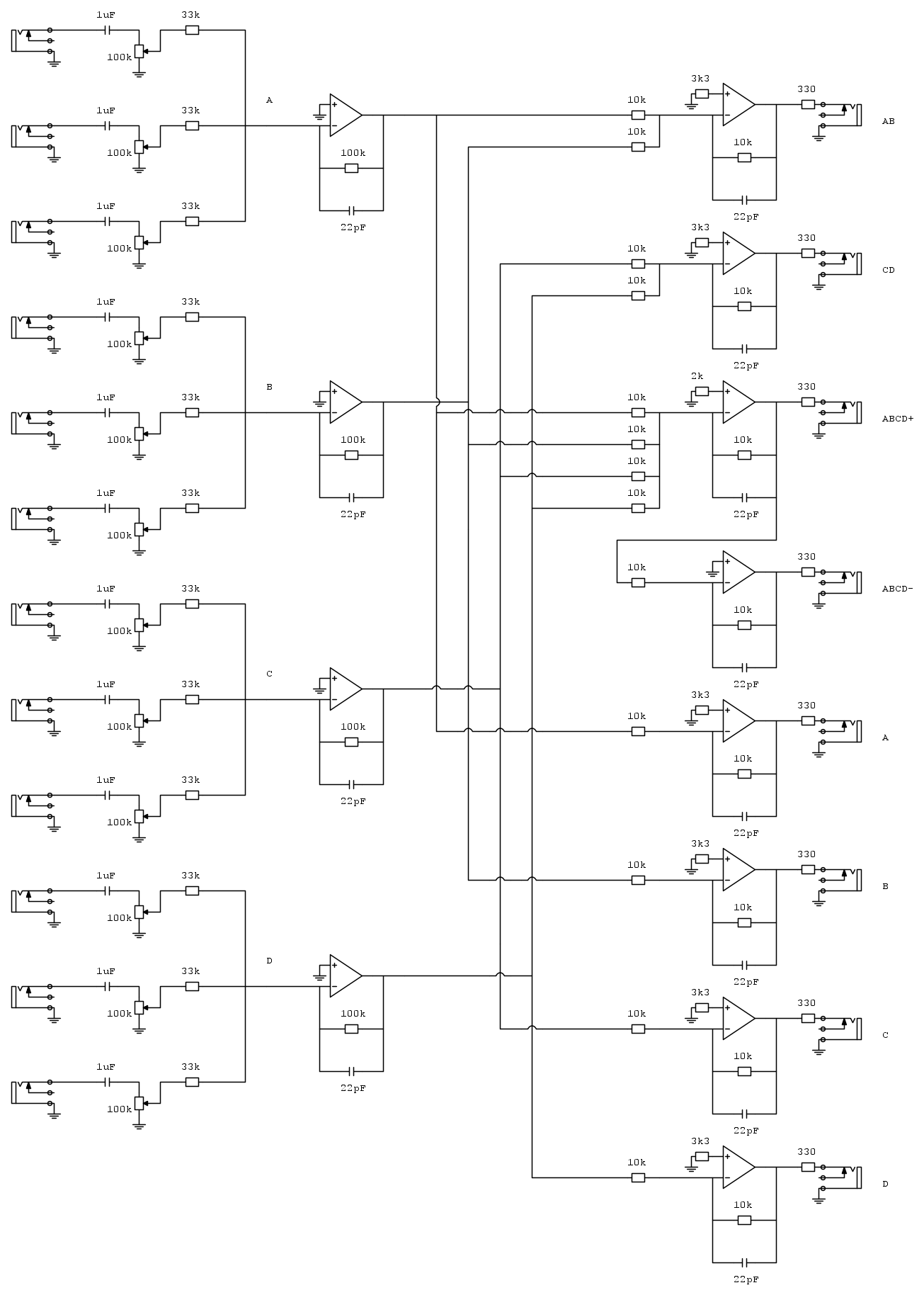
Vi presento il pannello:
Mixer.jpg
Avatar utente
Foto UtenteMave
100 1 6
Frequentatore
Frequentatore
 
Messaggi: 194
Iscritto il: 27 gen 2012, 21:41
Località: Terlano

0
voti

[10] Re: Costruzione Audio Mixer su base Ray Wilson MFOS

Messaggioda Foto UtenteSediciAmpere » 9 ott 2016, 1:27

Mave ha scritto:Per sbaglio ho preso il valore del condensatore dallo schema sbagliato, ma anche qui, cosa cambia tra uno e l'altro? La frequenza di taglio del filtro nel feedback?

esatto, è un filtro passa-basso che serve limitare la banda passante in modo da aumentare il margine di stabilità, deve essere calcolato in funzione dell'integrato che utlizzerai, se ancora no l'hai scelto non userei valori minori di 470pF

Mave ha scritto:Vi presento il pannello:

Bello! :ok:
Avatar utente
Foto UtenteSediciAmpere
4.187 5 5 8
Master
Master
 
Messaggi: 4847
Iscritto il: 31 ott 2013, 15:00

Prossimo

Torna a Elettronica e spettacolo

Chi c’è in linea

Visitano il forum: Nessuno e 9 ospiti