Cos'è ElectroYou | Login Iscriviti

ElectroYou - la comunità dei professionisti del mondo elettrico

Metodo dei nodi

Circuiti, campi elettromagnetici e teoria delle linee di trasmissione e distribuzione dell’energia elettrica

Moderatori: Foto Utenteg.schgor, Foto UtenteIsidoroKZ

1
voti

[1] Metodo dei nodi

Messaggioda Foto UtenteFab996 » 25 ott 2016, 18:32

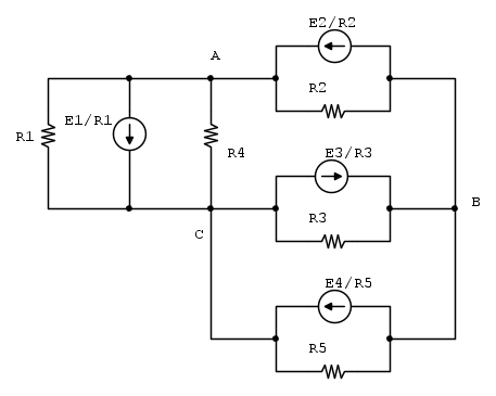
Dato il circuito in figura devo applicare il metodo dei nodi per risolverlo. So che posso applicarlo in quanto tutti i lati sono Norton trasformabili.



Viene scelto come nodo di salto il nodo C, non capisco dei passaggi effettuati:
\begin{bmatrix}G_1+G_2+G_4 & -G_2 \\-G_2 & G_1+G_2+G_4 \end{bmatrix}
\begin{bmatrix} V_A\\ V_B \end{bmatrix}=\begin{bmatrix} -E_1/R_1 +E_2/R_2\\ -E_2/R_2+E_3/R_3-E_4/R_5 \end{bmatrix}

La prima matrice è formata dalla somma delle conduttanze che entrano nei nodi lungo la diagonale principale, e dalla somma delle conduttanze che vi sono percorrendo ila lato che congiunge il nodo A con il nodo B cambiate di segno lungo l'altra diagonale. Poi la seconda matrice è la matrice delle incognite. Non capisco come è stata ricavata la matrice dei termini noti...
Avatar utente
Foto UtenteFab996
13 6
Frequentatore
Frequentatore
 
Messaggi: 100
Iscritto il: 8 giu 2016, 15:36

1
voti

[2] Re: Metodo dei nodi

Messaggioda Foto Utenteg.schgor » 25 ott 2016, 19:22

E' spiegato qui.
Avatar utente
Foto Utenteg.schgor
57,8k 9 12 13
G.Master EY
G.Master EY
 
Messaggi: 16971
Iscritto il: 25 ott 2005, 9:58
Località: MILANO

0
voti

[3] Re: Metodo dei nodi

Messaggioda Foto UtenteFab996 » 25 ott 2016, 21:11

g.schgor ha scritto:E' spiegato qui.


Ma perché è -E_1/R_1perché c'è il segno meno? e da dove viene -E_1/R_1 ?
Avatar utente
Foto UtenteFab996
13 6
Frequentatore
Frequentatore
 
Messaggi: 100
Iscritto il: 8 giu 2016, 15:36

1
voti

[4] Re: Metodo dei nodi

Messaggioda Foto UtenteMarkyMark » 25 ott 2016, 21:53

La colonna dei termini noti contiene le correnti dei generatori (dopo aver trasformato i lati in equivalenti Norton) presi con il + se entranti e con il - se uscenti.
Avatar utente
Foto UtenteMarkyMark
3.422 2 5 6
Master EY
Master EY
 
Messaggi: 518
Iscritto il: 11 giu 2016, 12:01

0
voti

[5] Re: Metodo dei nodi

Messaggioda Foto UtenteFab996 » 25 ott 2016, 23:16

MarkyMark ha scritto:La colonna dei termini noti contiene le correnti dei generatori (dopo aver trasformato i lati in equivalenti Norton) presi con il + se entranti e con il - se uscenti.

Ok grazie, ma perché la corrente vale proprio E/R ?
Avatar utente
Foto UtenteFab996
13 6
Frequentatore
Frequentatore
 
Messaggi: 100
Iscritto il: 8 giu 2016, 15:36

1
voti

[6] Re: Metodo dei nodi

Messaggioda Foto UtenteMarkyMark » 26 ott 2016, 8:31

Se trasformi tutti i rami in equivalenti Norton trovi i generatori di corrente che valgono \frac{E}{R} (corrente di corto circuito). Più tardi se ho tempo posto lo schema.
Avatar utente
Foto UtenteMarkyMark
3.422 2 5 6
Master EY
Master EY
 
Messaggi: 518
Iscritto il: 11 giu 2016, 12:01

3
voti

[7] Re: Metodo dei nodi

Messaggioda Foto UtenteMarkyMark » 26 ott 2016, 10:17

Eccomi, sono sul treno e ho un'oretta :D

Disegno il circuito dopo aver trasformato tutti i lati in equivalenti Norton



Ora, la matrice delle conduttanze si può scrivere per ispezione; questa volta la ricaviamo.
Si scrivono le equazioni di Kirchhoff per le correnti ai nodi (a parte il nodo C scelto come riferimento ) in funzione delle tensioni nodali. Nel nostro caso le tensioni nodali sono V_A e V_B (la tensione nodale è la differenza di potenziale tra il nodo che si considera e il nodo di riferimento :-) ).

Nodo A:

\frac{V_A}{R1}+\frac{E1}{R1}+\frac{V_A}{R4}-\frac{E2}{R2}+\frac{V_A-V_B}{R2} = 0

Nodo B:

\frac{E2}{R2}+\frac{V_B-V_A}{R2}-\frac{E3}{R3}+\frac{V_B}{R3}+\frac{V_B}{R5}+\frac{E4}{R5} = 0

Usando le conduttanze e riscrivendo le equazioni in modo da avere i generatori di corrente a destra dell'uguaglianza si ottiene

\left\{\begin{matrix}
(G_1+G_2+G_4)\times{V_A} - G_2\times{V_B} = -\frac{E1}{R1} + \frac{E2}{R2} & \\ 
-G_2\times{V_A} + (G_2+G_3+G_5)\times{V_B} = -\frac{E2}{R2} + \frac{E3}{R3} - \frac{E4}{R5} & 
\end{matrix}\right.

che è lo stesso sistema scritto da te in forma matriciale in [1].
Avatar utente
Foto UtenteMarkyMark
3.422 2 5 6
Master EY
Master EY
 
Messaggi: 518
Iscritto il: 11 giu 2016, 12:01

0
voti

[8] Re: Metodo dei nodi

Messaggioda Foto UtenteFab996 » 26 ott 2016, 11:40

MarkyMark ha scritto:Eccomi, sono sul treno e ho un'oretta :D

Grazie mille, quindi posso scrivere E/R in quanto avendo i lati in forma thevenin ossia serie di generatore di tensione e resistore li trasformo in forma Norton, ossia parallelo di generatore di corrente e resistore. Siccome vale v=Ri e v=E perché in parallelo, allora E=Ri=>i=E/R ?
Avatar utente
Foto UtenteFab996
13 6
Frequentatore
Frequentatore
 
Messaggi: 100
Iscritto il: 8 giu 2016, 15:36

2
voti

[9] Re: Metodo dei nodi

Messaggioda Foto UtenteMarkyMark » 26 ott 2016, 12:31

Esatto! E' la trasformazione dei generatori indipendenti.



E=I\times{R}

I=\frac{E}{R}
Avatar utente
Foto UtenteMarkyMark
3.422 2 5 6
Master EY
Master EY
 
Messaggi: 518
Iscritto il: 11 giu 2016, 12:01

3
voti

[10] Re: Metodo dei nodi

Messaggioda Foto Utenteg.schgor » 26 ott 2016, 15:28

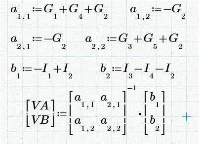
Il metodo dei nodi è utile se si dispone di programmi
per calcolo di matrici.
Come trattato nel link del post[2], per ottenere le tensioni ai nodi
tutto si riduce ad un semplice calcolo degli elementi a e b delle matrici,
noti i valori G ed I di ogni ramo;
MetodoNodi.gif
MetodoNodi.gif (38.37 KiB) Osservato 6641 volte
Avatar utente
Foto Utenteg.schgor
57,8k 9 12 13
G.Master EY
G.Master EY
 
Messaggi: 16971
Iscritto il: 25 ott 2005, 9:58
Località: MILANO

Prossimo

Torna a Elettrotecnica generale

Chi c’è in linea

Visitano il forum: Google Adsense [Bot] e 47 ospiti