salve a tutti,
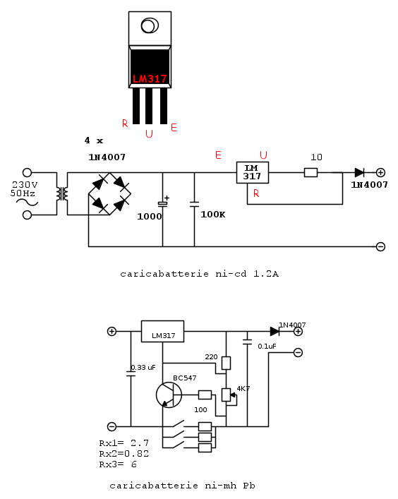
pensando di realizzare in futuro un caricabatterie per le ultime NiMh 9V che mi sono rimaste a casa, mi sono imbattuto in questo schema
e mi domandavo l'effettivo funzionamento del tutto.
Ho ragionato qualitativamente in questo modo:
tutta la corrente che esce dal regolatore torna a massa passando per Rx quindi, se la corrente di uscita per qualche ragione aumenta, aumenta anche la caduta di tensione su Rx che fa aumentare la tensione di base dell'NPN il quale abbassa la tensione del pin ADJ. Quando la tensione di ADJ diminuisce l'lm317 abbassa anche la tensione di uscita e si ritorna all'equilibrio.
Qualitativamente è giusto come ragionamento o mi sono perso qualcosa?
Ringrazio anticipatamente tutti :)
Davide
transistor di feedback lm317
Moderatori:
carloc,
g.schgor,
BrunoValente,
IsidoroKZ
5 messaggi
• Pagina 1 di 1
1
voti
Sì, è giusto.
Oltre ad essere limitato in corrente nel modo in cui hai spiegato, questo alimentatore/caricabatterie è limitato anche in tensione.
Devi solo fare attenzione a non dimenticarti le batterie collegate.
Indicativamente, in un circuito senza distacco automatico a fine carica come questo, la corrente (in ampere) va regolata a 1/10 della capacità (espressa in amperora).
Tipicamente gli accumulatori NiMH da 9 V hanno una capacità di 200 mAh, quindi la corrente andrà regolata sui 20 mA.
Una pila scarica, con questa corrente, sarà carica dopo 14 ore (non 10 ore, perché il rendimento in carica non è del 100%). A fine carica va scollegata.
Oltre ad essere limitato in corrente nel modo in cui hai spiegato, questo alimentatore/caricabatterie è limitato anche in tensione.
Devi solo fare attenzione a non dimenticarti le batterie collegate.
Indicativamente, in un circuito senza distacco automatico a fine carica come questo, la corrente (in ampere) va regolata a 1/10 della capacità (espressa in amperora).
Tipicamente gli accumulatori NiMH da 9 V hanno una capacità di 200 mAh, quindi la corrente andrà regolata sui 20 mA.
Una pila scarica, con questa corrente, sarà carica dopo 14 ore (non 10 ore, perché il rendimento in carica non è del 100%). A fine carica va scollegata.
Big fan of ⋮ƎlectroYou! Ausili per disabili e anziani su ⋮ƎlectroYou
Caratteri utili: À È É Ì Ò Ó Ù α β γ δ ε η θ λ μ π ρ σ τ φ ω Ω º ª ² ³ √ ∛ ∜ ₀ ₁ ₂ ₃ ₄ ₅ ₆ ∃ ∄ ∆ ∈ ∉ ± ∓ ∾ ≃ ≈ ≠ ≤ ≥
Caratteri utili: À È É Ì Ò Ó Ù α β γ δ ε η θ λ μ π ρ σ τ φ ω Ω º ª ² ³ √ ∛ ∜ ₀ ₁ ₂ ₃ ₄ ₅ ₆ ∃ ∄ ∆ ∈ ∉ ± ∓ ∾ ≃ ≈ ≠ ≤ ≥
0
voti
grazie per la risposta!
due domande:
1) come calcolo Rx?
2) con un operazionale usato come comparatore potrei leggere la tensione della batteria e dedurne lo stato di fine ricarica. Poi come posso fare ad interrompere la carica?
Grazie ancora,
Davide
due domande:
1) come calcolo Rx?
2) con un operazionale usato come comparatore potrei leggere la tensione della batteria e dedurne lo stato di fine ricarica. Poi come posso fare ad interrompere la carica?
Grazie ancora,
Davide
0
voti
Ciao Davide, scusa il ritardo.
Devi fare in modo che abbia ai suoi capi una caduta di tensione di 0,56 - 0,6 V quando è attraversata dalla corrente a cui vuoi porre il limite.
Nel tuo caso, per 20 mA dovrà essere 0,6 V/0,02 A = 30 Ω (arrotondabile al valore standard 27 Ω).
Questo è più problematico. Gli accumulatori NiMH caricati a corrente costante, a fine carica mostrano un abbassamento della tensione (di circa 20 mV per elemento, se non ricordo male). I buoni caricabatteria terminano la carica quando rilevano questo "meno delta V" (-ΔV), poi passano a carica di mantenimento (pochi mA).
Il problema è che perché si manifesti questo -ΔV la corrente di carica deve essere un po' più alta di 1/10 della capacità (il quadruplo per esempio), per cui se non funziona la rilevazione la pila può surriscaldarsi e a lungo andare rovinarsi.
La cosa migliore è usare un microcontrollore o un integrato appositamente progettato.
Un altro modo è controllare la temperatura della pila (in modo automatico o anche "manuale", cioè proprio toccandola con la mano). Quando si avverte un sensibile riscaldamento vuol dire che è carica e va staccata. Anche qui, per ottenere un riscaldamento sensibile la corrente di ricarica va aumentata.
Un altro modo è scaricarla a 0,9 V per elemento prima di caricarla, e poi caricarla per 14 ore a una corrente pari a 1/10 della capacità. Il temporizzatore si può integrare nel circuito o anche usare un temporizzatore esterno (del tipo a spina-presa) che stacchi l'alimentazione al caricabatterie dopo 14 ore.
Forse per un caricabatteria artigianale il metodo della temperatura è il più semplice da realizzare. Quando la temperatura rilevata da un termistore sotto la pila supera una certa soglia (45-50 ºC per esempio) un comparatore fa scattare un flip-flop che abbassa la tensione stabilizzata dall'LM317, così il diodo d'uscita si trova polarizzato inversamente e la carica s'interrompe.
Per abbassare la tensione si potrebbe per esempio iniettare una corrente sulla base del transistor di limitazione corrente già presente, in modo che vada in saturazione e il suo collettore "tiri giù" la tensione sul piedino di riferimento dell'LM317.
dadduni ha scritto:1) come calcolo Rx?
Devi fare in modo che abbia ai suoi capi una caduta di tensione di 0,56 - 0,6 V quando è attraversata dalla corrente a cui vuoi porre il limite.
Nel tuo caso, per 20 mA dovrà essere 0,6 V/0,02 A = 30 Ω (arrotondabile al valore standard 27 Ω).
dadduni ha scritto:2) con un operazionale usato come comparatore potrei leggere la tensione della batteria e dedurne lo stato di fine ricarica. Poi come posso fare ad interrompere la carica?
Questo è più problematico. Gli accumulatori NiMH caricati a corrente costante, a fine carica mostrano un abbassamento della tensione (di circa 20 mV per elemento, se non ricordo male). I buoni caricabatteria terminano la carica quando rilevano questo "meno delta V" (-ΔV), poi passano a carica di mantenimento (pochi mA).
Il problema è che perché si manifesti questo -ΔV la corrente di carica deve essere un po' più alta di 1/10 della capacità (il quadruplo per esempio), per cui se non funziona la rilevazione la pila può surriscaldarsi e a lungo andare rovinarsi.
La cosa migliore è usare un microcontrollore o un integrato appositamente progettato.
Un altro modo è controllare la temperatura della pila (in modo automatico o anche "manuale", cioè proprio toccandola con la mano). Quando si avverte un sensibile riscaldamento vuol dire che è carica e va staccata. Anche qui, per ottenere un riscaldamento sensibile la corrente di ricarica va aumentata.
Un altro modo è scaricarla a 0,9 V per elemento prima di caricarla, e poi caricarla per 14 ore a una corrente pari a 1/10 della capacità. Il temporizzatore si può integrare nel circuito o anche usare un temporizzatore esterno (del tipo a spina-presa) che stacchi l'alimentazione al caricabatterie dopo 14 ore.
Forse per un caricabatteria artigianale il metodo della temperatura è il più semplice da realizzare. Quando la temperatura rilevata da un termistore sotto la pila supera una certa soglia (45-50 ºC per esempio) un comparatore fa scattare un flip-flop che abbassa la tensione stabilizzata dall'LM317, così il diodo d'uscita si trova polarizzato inversamente e la carica s'interrompe.
Per abbassare la tensione si potrebbe per esempio iniettare una corrente sulla base del transistor di limitazione corrente già presente, in modo che vada in saturazione e il suo collettore "tiri giù" la tensione sul piedino di riferimento dell'LM317.
Big fan of ⋮ƎlectroYou! Ausili per disabili e anziani su ⋮ƎlectroYou
Caratteri utili: À È É Ì Ò Ó Ù α β γ δ ε η θ λ μ π ρ σ τ φ ω Ω º ª ² ³ √ ∛ ∜ ₀ ₁ ₂ ₃ ₄ ₅ ₆ ∃ ∄ ∆ ∈ ∉ ± ∓ ∾ ≃ ≈ ≠ ≤ ≥
Caratteri utili: À È É Ì Ò Ó Ù α β γ δ ε η θ λ μ π ρ σ τ φ ω Ω º ª ² ³ √ ∛ ∜ ₀ ₁ ₂ ₃ ₄ ₅ ₆ ∃ ∄ ∆ ∈ ∉ ± ∓ ∾ ≃ ≈ ≠ ≤ ≥
0
voti
ciao, molto interessante questo argomento.
non sono un esperto. Ho 1 pacco batteria ni-cd, 1 ni-mh e 2 al piombo da ricaricare vorrei capire meglio quali componenti e in che modo mi permettono di staccare il caricabatterie mentre ricarico le batterie. Per le batterie al piombo utilizzerei il circuito di carica come nell'articolo http://www.electroyou.it/mir/wiki/un-pratico-e-semplice-caricabatterie-al-nicd, e il circuito di carica di questo argomento ricalcolandomi R di volta in volta, ma non ho la minima idea di come far interagire o creare il circuito di cui parli
posto uno schema in fidocad nel caso qualcuno avesse la pazienza di aiutarmi
1°schema: pacco batt. ni-cd 14.4v 1.2A
2°schema: Rx1-2-3 caricano rispettivamente 12v 2.2A; 12v 7A; 4.8v 1A
tutti e due i circuiti verranno alimentati da un alimentatore stabilizzato con lm338K.
grazie
non sono un esperto. Ho 1 pacco batteria ni-cd, 1 ni-mh e 2 al piombo da ricaricare vorrei capire meglio quali componenti e in che modo mi permettono di staccare il caricabatterie mentre ricarico le batterie. Per le batterie al piombo utilizzerei il circuito di carica come nell'articolo http://www.electroyou.it/mir/wiki/un-pratico-e-semplice-caricabatterie-al-nicd, e il circuito di carica di questo argomento ricalcolandomi R di volta in volta, ma non ho la minima idea di come far interagire o creare il circuito di cui parli
GuidoB ha scritto:Forse per un caricabatteria artigianale il metodo della temperatura è il più semplice da realizzare. Quando la temperatura rilevata da un termistore sotto la pila supera una certa soglia (45-50 ºC per esempio) un comparatore fa scattare un flip-flop che abbassa la tensione stabilizzata dall'LM317, così il diodo d'uscita si trova polarizzato inversamente e la carica s'interrompe.
posto uno schema in fidocad nel caso qualcuno avesse la pazienza di aiutarmi
1°schema: pacco batt. ni-cd 14.4v 1.2A
2°schema: Rx1-2-3 caricano rispettivamente 12v 2.2A; 12v 7A; 4.8v 1A
tutti e due i circuiti verranno alimentati da un alimentatore stabilizzato con lm338K.
grazie

5 messaggi
• Pagina 1 di 1
Chi c’è in linea
Visitano il forum: Nessuno e 234 ospiti

Elettrotecnica e non solo (admin)
Un gatto tra gli elettroni (IsidoroKZ)
Esperienza e simulazioni (g.schgor)
Moleskine di un idraulico (RenzoDF)
Il Blog di ElectroYou (webmaster)
Idee microcontrollate (TardoFreak)
PICcoli grandi PICMicro (Paolino)
Il blog elettrico di carloc (carloc)
DirtEYblooog (dirtydeeds)
Di tutto... un po' (jordan20)
AK47 (lillo)
Esperienze elettroniche (marco438)
Telecomunicazioni musicali (clavicordo)
Automazione ed Elettronica (gustavo)
Direttive per la sicurezza (ErnestoCappelletti)
EYnfo dall'Alaska (mir)
Apriamo il quadro! (attilio)
H7-25 (asdf)
Passione Elettrica (massimob)
Elettroni a spasso (guidob)
Bloguerra (guerra)





