Cos'è ElectroYou | Login Iscriviti

ElectroYou - la comunità dei professionisti del mondo elettrico

Guasti sistemi trifase

Circuiti, campi elettromagnetici e teoria delle linee di trasmissione e distribuzione dell’energia elettrica

Moderatori: Foto Utenteg.schgor, Foto UtenteIsidoroKZ

1
voti

[1] Guasti sistemi trifase

Messaggioda Foto UtenteDannyJK » 1 nov 2016, 14:53

Salve a tutti :-)
Studiando i sistemi trifase sono arrivata alla parte riguardante i guasti.
Tra i vari tipi di guasti che si possono analizzare c'è il cortocircuito. Esso consiste nel contatto diretto tra due parti a potenziale diverso, determinando quindi, idealmente, una tensione nulla tra i due punti di contatto che causa quindi il passaggio di una corrente molto elevata, la quale a sua volta, per effetto Joule produce temperature molto elevate che spesso possono causare la fusione dei conduttori o addirittura incendi se non vengono interrotte entro breve tempo.
Ora, ciò che non mi è chiaro è come effettivamente si verifichino questi guasti.

Prendo come esempio il guasto monofase a terra in una linea aerea: quando questo si verifica c'è un contatto tra una fase e la terra, cosa che tipicamente non avviene grazie alla presenza di isolatori. Una domanda che mi pongo, forse anche abbastanza stupida, è:
perché bisogna isolare la fase da terra? Cosa significa isolare da terra? Se non si isolasse da terra, che cosa avverrebbe? Inoltre, la terra ha potenziale zero? :shock:
Ancora: il più delle volte si usa indistintamente "guasto tra fase e terra" e "guasto tra fase e neutro"; neutro e terra quindi sono la stessa cosa? (non credo)
Stanno allo stesso potenziale e quindi impropriamente si utilizzano in questo modo?
Infine, che differenza c'è tra un cortocircuito a terra e un cortocircuito non a terra?
Spero che qualcuno mi aiuti a schiarirmi le idee :idea:
Avatar utente
Foto UtenteDannyJK
15 3
 
Messaggi: 21
Iscritto il: 31 ott 2015, 14:15

2
voti

[2] Re: Guasti sistemi trifase

Messaggioda Foto Utenteattilio » 1 nov 2016, 15:19

sono argomenti che non si possono liquidare in due righe

DannyJK ha scritto:Ora, ciò che non mi è chiaro è come effettivamente si verifichino questi guasti.

un cedimento strutturale, un albero, una frana, possono mettere in corto ad esempio i conduttori nudi sulle linee AT/MT

isolare vuol dire appunto separare, creare una barriera atta ad evitare che due conduttori a potenziale diverso tra loro, facenti capo allo stesso generatore elettrico, possano venire a contatto o per l'estrema vicinanza indurre la formazione di un arco voltaico

queste barriere possono essere di vari tipi, la distanza in aria è di per se un sistema di isolamento, la segregazione tra i conduttori attivi, l'utilizzo di setti isolanti, le guaine dei cavi nel loro insieme, sono tutti metodi di isolamento, che devono essere consoni al valore efficace della tensione nominale tra le fasi e verso terra del sistema in questione

capirai che l'isolamento di un cavo BT dove la tensione è di 0,4 kV sarà ben diversa da quella di un cavo MT dove si hanno tensioni ad esempio di 20 kV




DannyJK ha scritto:Prendo come esempio il guasto monofase a terra in una linea aerea: quando questo si verifica c'è un contatto tra una fase e la terra, cosa che tipicamente non avviene grazie alla presenza di isolatori. Una domanda che mi pongo, forse anche abbastanza stupida, è:
perché bisogna isolare la fase da terra? Cosa significa isolare da terra?

presumo parli di linee in alta o media tensione (AT/MT)
nella trasmissione dell'energia elettrica si usa il sistema trifase a tre fili (L1,L2,L3)

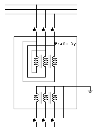
gli avvolgimenti dei trasformatori elevatori e/o riduttori possono essere del tipo a triangolo o a stella (esistono anche altri collegamenti, tipo lo zig zag, ma ti confonderesti solo le idee) questo sia al primario che al secondario
nel collegamento a stella, dovresti sapere che la chiusura in un punto comune dei tre capi dei singoli avvolgimenti prende il nome di centrostella e da questo punto si origina il conduttore di neutro

nei sistemi di trasmissione, ma anche nella maggior parte dei sistemi di distribuzione in BT, un punto del sistema a valle del trasformatore e quindi al secondario, viene connesso a terra per ragioni funzionali e di protezione [bada che questa è una semplificazione, per renderti l'idea]
nel 99.9% si è deciso che questo conduttore fosse il neutro, ma è una scelta arbitraria
a questo punto, con questa operazione che presumo non ti sia assolutamente chiara, si pone un punto del sistema al potenziale di terra

EDIT

per chiudere questa prima parte, considera semplicemente che se un punto del sistema (il neutro) è connesso a terra ed è verso questo potenziale riferito, un qualsiasi altro punto (le altre fasi) che dovesse andare a terra, implicherebbe che una certa corrente di guasto si troverebbe e ritornare attraverso il terreno verso il centrostella

la differenza del come questa corrente si richiude e dell'entità del valore in se di tale corrente di guasto (monofase a terra) dipende dal sistema che prendiamo in considerazione

se ad esempio parliamo di linee MT (a tre fili, senza neutro distribuito) la corrente di guasto è praticamente tutta capacitiva

se parliamo di linee BT, in sistema TT entra in gioco la resistenza dell'impianto di terra dell'utente (ma non solo)

se parliamo di linee BT, in sistema TN-S, il guasto monofase a terra non si richiude nemmeno attraverso il terreno, ma direttamente attraverso il PE (collegato direttamente al centrostella e alle masse dell'impianto) ed è quindi a tutti gli effetti assimilabile ad un cortocircuito fase/neutro
Ognuno sta solo sul cuor della terra
trafitto da un raggio di sole:
ed è subito sera


Salvatore Quasimodo
Avatar utente
Foto Utenteattilio
61,4k 8 12 13
free expert
 
Messaggi: 9167
Iscritto il: 21 gen 2007, 14:34

0
voti

[3] Re: Guasti sistemi trifase

Messaggioda Foto UtenteDannyJK » 1 nov 2016, 16:15

attilio ha scritto:un cedimento strutturale, un albero, una frana, possono mettere in corto ad esempio i conduttori nudi sulle linee AT/MT


Quindi significa che la corrente scorre lungo il percorso fase-albero-fase? O meglio, il percorso fase-albero fase costituisce un percorso preferenziale per la corrente poiché a bassa impedenza?

Come avrai capito non mi è affatto chiaro tutto il discorso, perciò aspetto che tu finisca di pranzare sperando in un'illuminazione ulteriore :D :ok:
Avatar utente
Foto UtenteDannyJK
15 3
 
Messaggi: 21
Iscritto il: 31 ott 2015, 14:15

0
voti

[4] Re: Guasti sistemi trifase

Messaggioda Foto Utenteattilio » 1 nov 2016, 16:17

ho finito di mangiare, e stavo riscrivendo la mia precedente risposta, perché come ti dicevo, oltre ad avere posto molte domande, bisognerebbe capire cosa si può dare per scontato e cosa no, e mi sono reso conto che la mia risposta non era affatto chiara, quindi provo ad impostarla meglio cercando di non allargarmi troppo
Ognuno sta solo sul cuor della terra
trafitto da un raggio di sole:
ed è subito sera


Salvatore Quasimodo
Avatar utente
Foto Utenteattilio
61,4k 8 12 13
free expert
 
Messaggi: 9167
Iscritto il: 21 gen 2007, 14:34

0
voti

[5] Re: Guasti sistemi trifase

Messaggioda Foto Utenteattilio » 1 nov 2016, 16:20

DannyJK ha scritto:
attilio ha scritto:Quindi significa che la corrente scorre lungo il percorso fase-albero-fase? O meglio, il percorso fase-albero fase costituisce un percorso preferenziale per la corrente poiché a bassa impedenza?

no, io intendevo proprio un contatto fase/fase ad impedenza trascurabile conduttore su conduttore, non so quanto trascurabile possa essere un albero che faccia da ponte tra due fasi, ma non dovremmo essere in condizioni di guasto franco
Ognuno sta solo sul cuor della terra
trafitto da un raggio di sole:
ed è subito sera


Salvatore Quasimodo
Avatar utente
Foto Utenteattilio
61,4k 8 12 13
free expert
 
Messaggi: 9167
Iscritto il: 21 gen 2007, 14:34

0
voti

[6] Re: Guasti sistemi trifase

Messaggioda Foto UtenteDannyJK » 1 nov 2016, 16:27

attilio ha scritto:non so quanto trascurabile possa essere un albero che faccia da ponte tra due fasi, ma non dovremmo essere in condizioni di guasto franco

ok, quindi anche l'albero avrà una certa impedenza :ok:
Comunque ti posso dire che sono una "principiante" (se così si può dire), che cerca di calarsi il più possibile nella realtà andando oltre ciò che propongono i libri di testo; molte volte, infatti, alcune cose non vengono esplicitate e trovo che questo forum sia un valido supporto :-)
Avatar utente
Foto UtenteDannyJK
15 3
 
Messaggi: 21
Iscritto il: 31 ott 2015, 14:15

0
voti

[7] Re: Guasti sistemi trifase

Messaggioda Foto Utenteattilio » 1 nov 2016, 16:55

considera che per centrare le risposte alle tue domande, dovresti quantomeno definire il tipo di studi che stai facendo e soprattutto essere meno generica quando parli di reti trifasi

te lo dico perché i sistemi di protezione, soprattutto nei confronti dei guasti a terra sono profondamente diversi a seconda che si parli di linee di trasmissione AT, o di grande distribuzione MT, fino alla capillare rete BT

-------------------------------

DannyJK ha scritto:il più delle volte si usa indistintamente "guasto tra fase e terra" e "guasto tra fase e neutro"; neutro e terra quindi sono la stessa cosa? (non credo)

chi lo usa indistintamente? e in che contesto?
no, non è la stessa cosa, seppure nel caso precedentemente accennato, di un guasto fase/PE in BT in ambito TN-S, questo sia assimilabile (ma non vuol dire che sia la stessa cosa) ad un cortocircuito fase/neutro

DannyJK ha scritto:Stanno allo stesso potenziale e quindi impropriamente si utilizzano in questo modo?

così per parlare, due conduttori allo stesso potenziale, che vengono indiscriminatamente chiamati in causa uno al posto dell'altro verrebbe da dire che uno dei due sia superfluo ma... non è così :mrgreen:

DannyJK ha scritto:Infine, che differenza c'è tra un cortocircuito a terra e un cortocircuito non a terra?

sono terminologie usate impropriamente
non esistono i cortocircuiti a terra e quelli non a terra

un cortocircuito è una condizione di guasto che può interessare i conduttori attivi tra di loro (fasi e neutro) o tra la terra (intesa come via di richiusura del cortocircuito verso il generatore)
Ognuno sta solo sul cuor della terra
trafitto da un raggio di sole:
ed è subito sera


Salvatore Quasimodo
Avatar utente
Foto Utenteattilio
61,4k 8 12 13
free expert
 
Messaggi: 9167
Iscritto il: 21 gen 2007, 14:34

0
voti

[8] Re: Guasti sistemi trifase

Messaggioda Foto UtenteDannyJK » 1 nov 2016, 17:11

attilio ha scritto: dovresti quantomeno definire il tipo di studi che stai facendo e soprattutto essere meno generica quando parli di reti trifasi

Sono al terzo anno di Ingegneria Elettrica :roll:

attilio ha scritto:chi lo usa indistintamente? e in che contesto?

nei vari libri di testo di Elettrotecnica, quando vengono trattati i sistemi trifase (trattati molto sommariamente).

Se io non isolassi le fasi da terra, cosa succederebbe?
E se io tocco ad es. una fase di una linea aerea con un lungo bastone ci lascio le penne? :-o Se sì, qual è il "fenomeno" che ci sta dietro?
Cambia qualcosa se con i piedi sono a contatto o meno con il terreno?
Avatar utente
Foto UtenteDannyJK
15 3
 
Messaggi: 21
Iscritto il: 31 ott 2015, 14:15

1
voti

[9] Re: Guasti sistemi trifase

Messaggioda Foto Utenteattilio » 1 nov 2016, 17:56

DannyJK ha scritto:Se io non isolassi le fasi da terra, cosa succederebbe?

credo che ti manchi proprio la visione di fondo e di insieme di cosa sia un sistema elettrico, un generatore, ma forse anche i principi più elementari che si riconducono allo spostamento delle cariche elementari

se hai un sistema elettrico con un punto (uno solo del sistema, per semplicità il neutro) riferito a terra, gli altri elementi (per semplicità le fasi) che dovessero andare a terra per rottura dei sistemi di isolamento, genererebbero comunque una condizione anomala di funzionamento, ovvero un guasto

un guasto poi, può essere trattato a seconda dei danni e dei rischi che esso comporta, ma questo lo vedrai più in la

DannyJK ha scritto:E se io tocco ad es. una fase di una linea aerea con un lungo bastone ci lascio le penne?

io non proverei, in gergo chiamasi contatto diretto

poi bisognerebbe definire cosa sia "un lungo bastone" non è che perché sia di legno, vuol dire che non ci resti attaccata!
tieni conto che le aste in dotazione agli operai di Terna addestrati ai lavori sulle linee AT in tensione oltre ad essere costruite con materiali isolanti, subiscono test di laboratorio periodici per verificarne l'integrità e la tenuta per lavori a distanza fino a 220 kV

DannyJK ha scritto:Cambia qualcosa se con i piedi sono a contatto o meno con il terreno?

avrai visto gli uccellini poggiati sui fili dell'alta tensione no?
l'uccellino posandosi sulla singola fune, assume lo stesso potenziale, ma non essendo in contatto con altre parti non è sottoposto ad alcuna differenza di potenziale e rimane vivo

un uomo non è diverso da un uccellino, anche se per i lavori "a potenziale" si adottano comunque delle misure cautelative per la salute
Ognuno sta solo sul cuor della terra
trafitto da un raggio di sole:
ed è subito sera


Salvatore Quasimodo
Avatar utente
Foto Utenteattilio
61,4k 8 12 13
free expert
 
Messaggi: 9167
Iscritto il: 21 gen 2007, 14:34

1
voti

[10] Re: Guasti sistemi trifase

Messaggioda Foto UtenteStefanoSunda » 1 nov 2016, 18:16

Se io non isolassi le fasi da terra, cosa succederebbe?
UN corto-circuito. Forse bisognerà spiegare anche questo...
E se io tocco ad es. una fase di una linea aerea con un lungo bastone ci lascio le penne?

Non solo le penne… anche altro.

Per impedire infortuni alle persone gli utilizzatori elettrici devono avere a massa la carcassa, (messa a terra). Con la carcassa collegata a terra succedendo un guasto per scarso isolamento circola subito attraverso questa una corrente che farebbe intervenire la protezione. In mancanza della messa a terra, la persona che verrebbe in contatto, avendo i piedi per terra, il circuito si chiuderebbe attraverso il corpo della persona con il centro stella del trasformatore. Per succedere ciò il centro stella del trafo rete pubblica che si chiama neutro (N) è messo a terra, e con questo che si chiude il circuito. Molti grandi impianti importanti, per motivi di servizio non usano il centro stella a terra, si chiama distribuzione a neutro isolato; in questo caso in cabina c’è lo strumento di segnalazione basso isolamento che ti dice fase che è a terra. In questo caso bisogna subito individuare l’anomalia al più presto; in questa situazione andando a massa un’altra fase si avrebbe un corto-circuito su due fasi. Ma questa è altra storia.
Ti consiglio di farti una bella chiacchierata col tuo professore.


Avatar utente
Foto UtenteStefanoSunda
2.880 3 6 10
Master
Master
 
Messaggi: 1962
Iscritto il: 16 set 2010, 19:29

Prossimo

Torna a Elettrotecnica generale

Chi c’è in linea

Visitano il forum: Nessuno e 52 ospiti