buongiorno a tutti,
ho la necessità di realizzare una breadboard in cui sono presenti alcuni flip flop TTL.
Devo realizzare un semplice up-counter cablato usando porte logiche e flip-flop TTL.
Per il segnale di sincronismo (clock) ho intenzione di utilizzare un pulsante:
in modo tale che schiacciando il pulsante si generi un fronte di clock e la macchina a stati avanzi
allo stato successivo (nel caso dell'up-counter, prosegua il conteggio "+1").
Per il circuito del pulsante, giusto per chiarire:
* se il pulsante di clock è chiuso, mi porta la linea di "clock" a 5V (Vcc)
* se il pulsante di clock è aperto, una resistenza di pull-down (R0=1K) scarica la linea di clock a 0V (GND)
* voglio collegare questa la linea di clock a tutti i miei flip-flop.
stavo pensando ad un circuito anti-rimbalzo, non avendo trigger di Schmitt,
per evitare più impulsi successivi ogni volta che si schiaccia il pulsante.
Non ho altri componenti, magari aggiungere semplicemente un condensatore e una piccola rete RC
(R1 C1) sul pulsante?
Spero si capisca lo "schema"
Vcc
|
pulsante
|
R1
|
clock ----------> ai flip flop
|
R0(1K) // C1
|
GND
Qualcuno può darmi un semplice suggerimento per il dimensionamento o una alternativa?
Oppure, il problema dei rimbalzi è trascurabile?
Grazie per l'attenzione.
semplice circuito antirimbalzo per flip flop TTL
Moderatori:
carloc,
g.schgor,
BrunoValente,
IsidoroKZ
12 messaggi
• Pagina 1 di 2 • 1, 2
3
voti
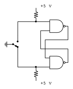
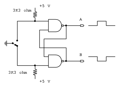
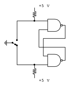
Questo circuito e' il piu' robusto circuito antirimbalzi che puoi immaginare.
E' necessario utilizzare un commutatore "momentaneo" (non e' sufficiente un semplice pulsante a due contatti) cioe' un commutatore che pigi e commuta, rliasci e torna alla poszione iniziale.
Lo puoi realizzare con due NANd a 2 ingressi e lo trovi anche gia' integrato SN74279 QUAD S-R Latches (S e R sono "negati")
0
voti
ciao Elfo,
grazie.
Cercherò di implementare questo circuito, purtroppo come ti indicavo prima non ho in laboratorio al momento altri componenti attivi (per questo motivo pensavo ad un RC).
Credo comunque che valga la pena fare come dici e recupererò un po' di porte logiche in più.
Ad ogni modo, una domanda sul circuito che hai postato:
Immagino ovviamente che il segnale di clock da prelevare sia uno tra le uscite delle due porte NAND.
Basta collegare l'uscita di una delle due porte NAND a tutti i flip flop TTL?
Cioè, schiacciando il deviatore il segnale di clock generato con questo circuito (fronti, valore basso/alto) è compatibile e va bene con i flip flip TTL?
Grazie.
Buona serata
grazie.
Cercherò di implementare questo circuito, purtroppo come ti indicavo prima non ho in laboratorio al momento altri componenti attivi (per questo motivo pensavo ad un RC).
Credo comunque che valga la pena fare come dici e recupererò un po' di porte logiche in più.
Ad ogni modo, una domanda sul circuito che hai postato:
Immagino ovviamente che il segnale di clock da prelevare sia uno tra le uscite delle due porte NAND.
Basta collegare l'uscita di una delle due porte NAND a tutti i flip flop TTL?
Cioè, schiacciando il deviatore il segnale di clock generato con questo circuito (fronti, valore basso/alto) è compatibile e va bene con i flip flip TTL?
Grazie.
Buona serata
0
voti
- L'uscita A e' quella normale mentre la B e quella negata (invertita)
- Le due uscite sono compatibli con flip/flop TTL (ripettando il numero max di ingressi pilotabili - tipicamente 10)
- Il valore delle resistenze non e' critico (1 kohm -10 kohm va bene)
Se hai diffcolta' a reperire le porte logiche mandami un PM
2
voti
AndreaBad ha scritto:* voglio collegare questa la linea di clock a tutti i miei flip-flop.
....
Non ho altri componenti, magari aggiungere semplicemente un condensatore e una piccola rete RC
Non funziona
Per usare proficuamente un simulatore, bisogna sapere molta più elettronica di lui
Plug it in - it works better!
Il 555 sta all'elettronica come Arduino all'informatica! (entrambi loro malgrado)
Se volete risposte rispondete a tutte le mie domande
Plug it in - it works better!
Il 555 sta all'elettronica come Arduino all'informatica! (entrambi loro malgrado)
Se volete risposte rispondete a tutte le mie domande
0
voti
AndreaBad ha scritto:schiacciando il pulsante si generi un fronte di clock e la macchina a stati avanzi
Ci sono passato anch'io ed è una cosa che fa impazzire. Anche mettendo tutti gli RC di questo mondo e rigenerando il clock mille volte, la macchina non avanza in modo regolare. Alla fine, nel mio caso, ho risolto con una specie di finto SCR fatto con due transistor complementari, per rigenerare i fronti, ma non è una soluzione che propongo.
Il circuito postato da
Nelle macchine a stati, se ben ricordo, per evitare dissincronie o confusioni si utilizzano ambedue i fronti del clock: nel fronte di salita vengono validati gli stati dei segnali, e nel fronte di discesa avvengono le conseguenti variazioni.
0
voti
EcoTan ha scritto:perché il deviatore sia stato disegnato in posizione di contatto anzichè di riposo, se deve essere un pulsante
E' un commutatore, *non* un pulsante.
elfo ha scritto:commutatore "momentaneo" (non e' sufficiente un semplice pulsante a due contatti) cioe' un commutatore che pigi e commuta, rliasci e torna alla poszione iniziale
Il circuito e' l'implementazione a porte logiche dell' SN74279 QUAD S-R Latches (S e R sono "negati") specifico per questo tipo di applicazioni
elfo ha scritto:Lo puoi realizzare con due NANd a 2 ingressi e lo trovi anche gia' integrato SN74279 QUAD S-R Latches (S e R sono "negati")
0
voti
perché occorre un apparecchio così particolare (e forse introvabile)? Allora ci sono dei problemi anche con quel circuito, infatti forse ricordo vagamente di averlo provato e poi scartato per fare 'sto benedetto clock manuale.
P.S. ripensandoci bene, non ho capito la differenza fra il pulsante e il commutatore che lasci e ritorna.
P.S. ripensandoci bene, non ho capito la differenza fra il pulsante e il commutatore che lasci e ritorna.
0
voti
EcoTan ha scritto:perché occorre un apparecchio così particolare (e forse introvabile)?
Se ti riferisci al "commutatore momentaneo":
sul sito tme.eu ne trovi 190 modelli diversi
http://www.tme.eu/gb/katalog/#id_catego ... %3A3167%3B
Se ti riferisci al SN74279 puoi implementarlo con un SN7400
EcoTan ha scritto:Allora ci sono dei problemi anche con quel circuito, infatti forse ricordo vagamente di averlo provato e poi scartato per fare 'sto benedetto clock manuale..
Il circuito e' un classico per questo tipo di problemi (antrimbalzo di un contatto) ed e' il "piu' robusto possibile".
Se non trovi una spiegazione sufficiente su libri/Google chiedi e provero' a fare una breve descrizione (che sara' mooooolto lunga
EcoTan ha scritto:P.S. ripensandoci bene, non ho capito la differenza fra il pulsante e il commutatore che lasci e ritorna.
Nel circuito disegnato il commutatore commuta
12 messaggi
• Pagina 1 di 2 • 1, 2
Chi c’è in linea
Visitano il forum: Nessuno e 77 ospiti

Elettrotecnica e non solo (admin)
Un gatto tra gli elettroni (IsidoroKZ)
Esperienza e simulazioni (g.schgor)
Moleskine di un idraulico (RenzoDF)
Il Blog di ElectroYou (webmaster)
Idee microcontrollate (TardoFreak)
PICcoli grandi PICMicro (Paolino)
Il blog elettrico di carloc (carloc)
DirtEYblooog (dirtydeeds)
Di tutto... un po' (jordan20)
AK47 (lillo)
Esperienze elettroniche (marco438)
Telecomunicazioni musicali (clavicordo)
Automazione ed Elettronica (gustavo)
Direttive per la sicurezza (ErnestoCappelletti)
EYnfo dall'Alaska (mir)
Apriamo il quadro! (attilio)
H7-25 (asdf)
Passione Elettrica (massimob)
Elettroni a spasso (guidob)
Bloguerra (guerra)







