ciao a tutti ,volevo chiedere un aiuto per un impianto che stiamo realizzaando per una recita. funzionamento:
pulsante 1 fa ruotare una freccia verso SX , a"180°"schiaccia finecorsa che ferma il motore e accende una luce
pulsante 3 fa ruotare la freccia verso DX o SX per portarla in posizione do partenza, "90°"schiaccia finecorsa che ferma il motore
pulsante 2 fa rotare la freccia verso DX ,"o°"schiaccia finecorsa che ferma il motore e accende una luce ed sirena temporizzata. allego lo schema di come l'avevo pensato. il problema è che dal contatto del rele non riesco a far ruotare i motore, non ho corrente a sufficenza ho provato a scolegare il motore e collegare la sirena per controllare che sia tutto collegato giusto e questa va. sto utilizzando un alimentatore 12V 10A. Qualcuno potrebbe aiutarmi grazie
impianto recita
Moderatore:
IsidoroKZ
33 messaggi
• Pagina 1 di 4 • 1, 2, 3, 4
1
voti
se quello disegnato rettangolare IN SERIE a relè è veramente il motore, stai facendo una porcata atomica.
Io un idea me la sono fatta di come risolvere, per cortesia indicami le tensioni in gioco e le caratteristiche del motore che vorresti usare, per vedere se ho pensato giusto
Io un idea me la sono fatta di come risolvere, per cortesia indicami le tensioni in gioco e le caratteristiche del motore che vorresti usare, per vedere se ho pensato giusto
- Codice: Seleziona tutto
[code=php]per il codice a colori[/code]
0
voti
ciao non pensavo fosse cosi male ma lascio giudicare a chi è piu esperto. io volevo realizzare tutto a 12v il motore è un micromotors serie RH 158 12/24 V E L'alimentatore è di tipo switching 12v 10A
1
voti
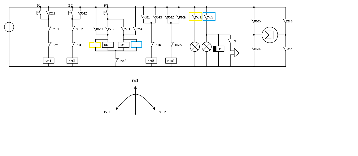
In base a quello che hai chiesto ho pensato a questa soluzione :
I motori ed i rele non si collegano in serie.
Detto questo, il circuito funziona cosi:
P1 comanda il motore ad arrivare fino FineCorsa 1
P2 comanda il motore ad arrivare fino FC2
P3 necessita che la freccia stia premendo inizialmente un finecorsa per "sapere" da che parte fare girare il motore per tornare in posizione verticale.
alla fine ti serviranno 8 rele, i due che non ho disegnato sono quelli che ti servono per avere contatti a sufficienza con i finecorsa, (raramente ho visto finecorsa con piu di un contatto in scambio dopo dipende anche dalla fascia di prezzo...)
I motori ed i rele non si collegano in serie.
Detto questo, il circuito funziona cosi:
P1 comanda il motore ad arrivare fino FineCorsa 1
P2 comanda il motore ad arrivare fino FC2
P3 necessita che la freccia stia premendo inizialmente un finecorsa per "sapere" da che parte fare girare il motore per tornare in posizione verticale.
alla fine ti serviranno 8 rele, i due che non ho disegnato sono quelli che ti servono per avere contatti a sufficienza con i finecorsa, (raramente ho visto finecorsa con piu di un contatto in scambio dopo dipende anche dalla fascia di prezzo...)
- Codice: Seleziona tutto
[code=php]per il codice a colori[/code]
0
voti
ciao ti ringrazio dello schema e devo dire che la differenza è notevole .per essere sicuro di non fare casino ho aggiunto al tuo schema i rele mancanti in giallo e blu. avevo dimenticato che avrei necessita di regolare la velocita di rotazione del motore non so come inserirla ,potrei inserirla prima di alimentare i rele e con questa in uscita porto corrente al rele
ma dovrei averne 2 per gestire i 2 sensi di rotazione. e a parte lo schema ma perche il motore non funziona dal contatto del rele e la sirena si
0
voti
- Codice: Seleziona tutto
[fcd] [/fcd]

"Non farei mai parte di un club che accettasse la mia iscrizione" (G. Marx)
-

claudiocedrone
21,3k 4 7 9 - Master EY

- Messaggi: 15300
- Iscritto il: 18 gen 2012, 13:36
0
voti
Ciao, andiamo per passi
no messi cosi non ha senso, di seguito come vanno messi.
Vedo un po di confusione, i relè, a seconda del modello, hanno una tensione di targa da rispettare.
Alcuni hanno margini generosi, ma non facciamo del caso una regola, quindi meglio attenersi al dato di targa.
Se intendi dire di mettere il regolatore subito prima al gruppo di contatti indicati come KM5 e KM6, allora è un altro discorso ed è ok.
Se la velocità, è uguale per tutti i movimenti, NO.
Qua non ho capito la domanda, provo ad interpretare; tu ti riferisci al tuo primo disegno, giusto?
Se si, cosi come disegnato, non può funzionare per vari motivi,
1) tu li oltre ai contatti del relè hai messo anche la bobina sessa del relè.
quindi vai a dividere la tensione tra motore e bobina, se per esempio il motore e la bobina avessero la stessa resistenza interna, si potrebbe azzardare di dire che arriva circa metà tensione di alimentazione a testa. EFFETTIVAMENTE bisognerebbe misurare, ma ripeto, non si fa, non hai certezze, cambi motore o relè e cambia tutto, è una porcata, non si fa, neanche in carestia.
2) C'è un errore grossolano, i due rami con P1 e P2 non si chiudono mai verso il polo inferiore dell'alimentazione. Forse distrazione.
Per concludere, viste le dimensioni che sta prendendo questo circuito e i componenti in gioco, forse è il caso di pensare all'uso di una scheda logica tipo arduino con shield per controllo motore, o eventalmente ad un piccolo plc con uscita PWM, ma ci sarebbe sempre il regolatore da mettere in piu.
A spanne i costi arrivati a questo punto sono abbastanza vicini in entrambe le soluzioni. se poi ti sei scordato di qualcosaltro che servirebbe integrare, si fa presto a fare il conto :)
Quoto in pieno, mi hai anticipato :P
Volendo fare una cosa leggera visto il motore in questione(660mA@12V alla coppia nominale), si potrebbe pensare ad un "regolatore" fatto con lm338 ed un potenziometro, certo non è il massimo, ma visto che è una recita immagino un uso del tipo "usa e getta" quindi non lo escluderei a priori.
gianfra ha scritto:per essere sicuro di non fare casino ho aggiunto al tuo schema i relè mancanti in giallo e blu.
no messi cosi non ha senso, di seguito come vanno messi.
avevo dimenticato che avrei necessita di regolare la velocità di rotazione del motore non so come inserirla, potrei inserirla prima di alimentare i relè e con questa in uscita porto corrente al relè![]()
Vedo un po di confusione, i relè, a seconda del modello, hanno una tensione di targa da rispettare.
Alcuni hanno margini generosi, ma non facciamo del caso una regola, quindi meglio attenersi al dato di targa.
Se intendi dire di mettere il regolatore subito prima al gruppo di contatti indicati come KM5 e KM6, allora è un altro discorso ed è ok.
ma dovrei averne 2 per gestire i 2 sensi di rotazione.
Se la velocità, è uguale per tutti i movimenti, NO.
e a parte lo schema ma perché il motore non funziona dal contatto del rele e la sirena si
Qua non ho capito la domanda, provo ad interpretare; tu ti riferisci al tuo primo disegno, giusto?
Se si, cosi come disegnato, non può funzionare per vari motivi,
1) tu li oltre ai contatti del relè hai messo anche la bobina sessa del relè.
quindi vai a dividere la tensione tra motore e bobina, se per esempio il motore e la bobina avessero la stessa resistenza interna, si potrebbe azzardare di dire che arriva circa metà tensione di alimentazione a testa. EFFETTIVAMENTE bisognerebbe misurare, ma ripeto, non si fa, non hai certezze, cambi motore o relè e cambia tutto, è una porcata, non si fa, neanche in carestia.
2) C'è un errore grossolano, i due rami con P1 e P2 non si chiudono mai verso il polo inferiore dell'alimentazione. Forse distrazione.
Per concludere, viste le dimensioni che sta prendendo questo circuito e i componenti in gioco, forse è il caso di pensare all'uso di una scheda logica tipo arduino con shield per controllo motore, o eventalmente ad un piccolo plc con uscita PWM, ma ci sarebbe sempre il regolatore da mettere in piu.
A spanne i costi arrivati a questo punto sono abbastanza vicini in entrambe le soluzioni. se poi ti sei scordato di qualcosaltro che servirebbe integrare, si fa presto a fare il conto :)
Quoto in pieno, mi hai anticipato :P
claudiocedrone ha scritto:per regolare la velocità le cose si complicano perché non basta un "ponte H" a relè (quello che ti ha fattoJackd) che permette solo un funzionamento "on-off", serve un ponte H a transistor e un pilotaggio in PWM per fare le cose a dovere...
Volendo fare una cosa leggera visto il motore in questione(660mA@12V alla coppia nominale), si potrebbe pensare ad un "regolatore" fatto con lm338 ed un potenziometro, certo non è il massimo, ma visto che è una recita immagino un uso del tipo "usa e getta" quindi non lo escluderei a priori.
- Codice: Seleziona tutto
[code=php]per il codice a colori[/code]
0
voti

"Non farei mai parte di un club che accettasse la mia iscrizione" (G. Marx)
-

claudiocedrone
21,3k 4 7 9 - Master EY

- Messaggi: 15300
- Iscritto il: 18 gen 2012, 13:36
0
voti
allora le cose si complicano, e come dite voi sta diventando anche costossetto. ho danto un occhiata ai prezzi dei rele, e cavolo che prezzi .per usare arduino non sono in grado, ma mi piacerebbe iniziae e prima o poi lo faro. lo schema, con il contatto aperto dei finecorsa alimento i rele (come li avevo messi non andavano bene non ne prendo una giusta
) con i contatti aperti dei rele aziono le lampade e il resto. per la la scheda che regola la velocita non ci sono ancora arrivato . la scheda ha un ingresso +, - che alimenta la scheda e relativa uscita + , - per gestire il motore con la regolazione della velocita . come la collego al circuito 

0
voti
[10] Re: impianto recita
Ho seguito il consiglio di Claudiocedrone per iserire lo schema , ho scaricato anche fidoCadj cosi imparo anche qualcosina prima pero meglio se imparo la teoria.è corretto se collego cosi il regolatore di velocità
33 messaggi
• Pagina 1 di 4 • 1, 2, 3, 4
Torna a Elettronica e spettacolo
Chi c’è in linea
Visitano il forum: Nessuno e 6 ospiti

Elettrotecnica e non solo (admin)
Un gatto tra gli elettroni (IsidoroKZ)
Esperienza e simulazioni (g.schgor)
Moleskine di un idraulico (RenzoDF)
Il Blog di ElectroYou (webmaster)
Idee microcontrollate (TardoFreak)
PICcoli grandi PICMicro (Paolino)
Il blog elettrico di carloc (carloc)
DirtEYblooog (dirtydeeds)
Di tutto... un po' (jordan20)
AK47 (lillo)
Esperienze elettroniche (marco438)
Telecomunicazioni musicali (clavicordo)
Automazione ed Elettronica (gustavo)
Direttive per la sicurezza (ErnestoCappelletti)
EYnfo dall'Alaska (mir)
Apriamo il quadro! (attilio)
H7-25 (asdf)
Passione Elettrica (massimob)
Elettroni a spasso (guidob)
Bloguerra (guerra)




