Cos'è ElectroYou | Login Iscriviti

ElectroYou - la comunità dei professionisti del mondo elettrico

impianto recita

hi-fi, luci, suoni, effetti speciali, palcoscenici...

Moderatore: Foto UtenteIsidoroKZ

0
voti

[21] Re: impianto recita

Messaggioda Foto Utentealev » 15 nov 2016, 14:24

Foto UtenteJackd, a ripetizioni ci posso andare, visto che non si finisce mai di imparare...

Però, su EY, c'è la eccellente consuetudine di condividere la conoscenza e di criticare in modo costruttivo

Non sapevo che fosse "vietato" mettere un LED in serie ad una bobina

Se tu hai le conoscenze per criticare la mia soluzione, cerca di essere costruttivo ed abbi la correttezza di spiegare perché ;-)

PS: ho tanti difetti, ma di trollare non mi passa nemmeno per l'anti-anti-anti-camera...
Avatar utente
Foto Utentealev
5.990 2 9 12
free expert
 
Messaggi: 6282
Iscritto il: 19 lug 2010, 14:38
Località: Altrove

1
voti

[22] Re: impianto recita

Messaggioda Foto UtenteJackd » 15 nov 2016, 21:07

Scusami, in buona fede ti attribuivo conoscenze che non hai.
Mi hai spiazzato, ne ero convinto visti i molteplici argomenti dove ti vedo coinvolto.

Facciamo un passo indietro.

Non sono un professore, e qui certamente c'è chi è più qualificato a darti una risposta più esaustiva e più consona, ma provo a darti un indicazione di massima.

Il led è una brutta bestia, ha il pregio di fare una discreta luce con un consumo di corrente piuttosto contenuto, e come difetto ha che tende a richiedere una corrente maggiore all'innalzarsi della temperatura.
La precedente affermazione è una semplificazione ma mi serve per farti capire che sono 2 cose diverse se uno deve fare accendere un led per fare una segnalazione, o pilotate il led per fare illuminazione.

Ci si affida (o ci si dovrebbe affidare...) ad alimentatori a corrente costante quando si parla di alimentazione per i led "da illuminazione", in modo da controllare l'assorbimento ed impedire al led di andare a lavorare in un zona dove si andrebbe a fumare rapidamente.

Se invece basta far accendere il led per la semplice segnalazione o indicazione di stato, ci si può affidare ad una resistenza in serie calcolata con la formula:

R = \frac{Vin-Vf}{If}

e arrotondata al valore commerciale superiore, di fatti sottoalimentando il led.

Tutto questo pappardone per farti capire che i led, anche se maltrattati, hanno la loro maniera di essere usati correttamente.

Detto questo torniamo al caso di specie,
ci ho pensato mezzo pomeriggio, ma non riesco a trovare le parole per spiegarti il perché sia scorretto usare un led in serie ad un coil. Mi sarebbe venuto da dirti come esempio, che per tenere la magnetizzazione del rele e vincere la forza della molla che riporta i contatti in riposo, serve una certa energia ottenibile con una certa corrente, Poi riguardando i ds della finder saltano fuori che mi fanno una serie di relè con potenze molto basse, per cui l'esempio trova il tempo che trova.
Diciamo che siamo in un caso in cui anche se pare possibile poter fare una cosa, è formalmente scorretto.
Codice: Seleziona tutto
[code=php]per il codice a colori[/code]
Avatar utente
Foto UtenteJackd
794 4 7
Expert
Expert
 
Messaggi: 284
Iscritto il: 15 set 2014, 19:10
Località: Padova

0
voti

[23] Re: impianto recita

Messaggioda Foto Utentegianfra » 15 nov 2016, 22:33

ciao a tutti. ero curioso di leggere le risposte quindi devo agiungere un diodo, per la scarica della bobina del rele a circuito chiuso. passatemi magari i termini non appropriati, per il rele potrei montare questo: FINDER 40.52.9.024.0000 MINI RELE' 8A - 250V - 24VDC - 2 CONTATTI anche se è un 24 V.l' ho trovato ad un prezzo conveniente
Avatar utente
Foto Utentegianfra
0 2
 
Messaggi: 16
Iscritto il: 7 ott 2016, 11:52
Località: brescia

0
voti

[24] Re: impianto recita

Messaggioda Foto Utentealev » 16 nov 2016, 11:11

Foto UtenteJackd, prima di tutto, grazie della spiegazione :ok:
Jackd ha scritto:Scusami, in buona fede ti attribuivo conoscenze che non hai.
Mi hai spiazzato, ne ero convinto visti i molteplici argomenti dove ti vedo coinvolto.

:shock: eppure non ho mai fatto mistero di avere molte lacune (più di un LED :mrgreen: ) in campo elettronico
Certo, mi piace partecipare alle discussioni nelle quali penso di poter contribuire con il poco o tanto che conosco a seconda dell'argomento ma non pensavo di attribuirmi competenze che non possiedo

Facciamo un passo indietro. (....)

Sul discorso LED+bobina, devo dire che mi ero completamente scordato che il LED richiede corrente stabile e pur concordando sul fatto che sia "formalmente scorretta" la mia idea, devo dire che lo è anche quella di mettere il LED+resistenza in parallelo alla bobina, questo per almeno due motivi:
1. Se la bobina salta, il LED rimane acceso, quindi non si capisce a cosa serva
2. Se la bobina salta, il LED sarà soggetto ad una variazione di corrente, seppure limitata (oppure no?)
Avatar utente
Foto Utentealev
5.990 2 9 12
free expert
 
Messaggi: 6282
Iscritto il: 19 lug 2010, 14:38
Località: Altrove

0
voti

[25] Re: impianto recita

Messaggioda Foto Utentegianfra » 16 nov 2016, 23:34

ciao tutti .ho controllato i vari relè ,e i relativi codici questo secondo me potrebbe essere idoneo Relè 12 Vdc doppio scambio 8A FINDER serie 4052 . poi ho cercato vari schemi per iserire il led, e sono tutti come lo schema di jackd con led in serie aresistenza, e parallelo con bobina. posso dar ragione a alev che sottolinea il fatto che se la bobina si dovesse bruciare il led funzionerebbe comunque .io l'avevo pensato per sapere qule rele fosse in funzione e nel caso si guastasse so quello che è alimentato ma senza variazioni. nel caso di guasto non dovrei avere aumenti di corrente ,perche il led è calcolato sull'alimentazione con un diodo in protezione per scarica ma è solo un mio ipotetico ragionamento. con il rele che ho inserito sopra(se va bene) è corretto usare 1n4007
Avatar utente
Foto Utentegianfra
0 2
 
Messaggi: 16
Iscritto il: 7 ott 2016, 11:52
Località: brescia

0
voti

[26] Re: impianto recita

Messaggioda Foto UtenteJackd » 17 nov 2016, 9:53

Fino oggi ho montato un buon numero di relè di varie marche e modelli, sia cc che ac, sia con corpo trasparente che non, e non ho mai avuto problemi sulla bobina, salvo un caso dove però cera stata una sovratensione generale, ed il relè era l'ultimo dei problemi...

Il problema sono i contatti che potrebbero incollarsi, lavorando in cc senza rispettare le prescrizioni del costruttore...

Per questo,come relè prediligo prendere le versioni che abbiano la plastica trasparente, tipo finder o omron (primi due che mi vengono in mente) in modo da vedere immediatamente se la parte meccanica si muove.

D'altro canto, se stai controllando da vicino i relè, 99 su 100 tu sai già che c'è un problema, perché l'automatismo non sta andando a dovere. Se tutto andasse a dovere, staresti usando la macchina...
Il led che si accende + la possibilità di vedere il movimento, ti fa capire subito se il problema è la mancata alimentazione elettrica, o un problema meccanico.

Il secondo tuo dubbio, ci potrebbe anche stare solo se stiamo parlando di casi limite, di anomalie, di mal-progetto, di negligenza di "lavori fatti alla cazzum", materiali di infima qualità molto sotto gli standard, Casi dove all'accendere o spegnere un semplice relettino faccia sobbalzare pesantemente la tensione dell'alimentatore... magari prodotto da un cinese cieco su un sottoscala buio... spero di averti fatto inquadrare la casistica.

Se consideriamo invece quello che succede normalmente, utilizzando materiali di qualità normale, possiamo stare abbastanza tranquilli.

Per il diodo da mettere in antiparallelo con il codice che hai messo puoi mettere tranquillamente 1n4007.
Mi raccomando il rele a 12V, tu quello hai detto di avere come alimentatore ...
Codice: Seleziona tutto
[code=php]per il codice a colori[/code]
Avatar utente
Foto UtenteJackd
794 4 7
Expert
Expert
 
Messaggi: 284
Iscritto il: 15 set 2014, 19:10
Località: Padova

0
voti

[27] Re: impianto recita

Messaggioda Foto Utentegianfra » 17 nov 2016, 15:46

ciao .il mio dubbio era che guardando il foglio informativo finder dove spiegano i prodotto ed il codice rele Art: 40.52.7.012 il n° 7 sta per sensitive dc e non so cosa vuol dire
Avatar utente
Foto Utentegianfra
0 2
 
Messaggi: 16
Iscritto il: 7 ott 2016, 11:52
Località: brescia

0
voti

[28] Re: impianto recita

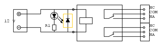
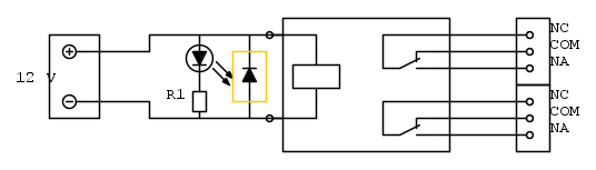
Messaggioda Foto Utentegianfra » 27 nov 2016, 13:43

ciao a tutti . ho un dubbio slla parte pratica di questo schema

è corretto se i componenti li saldo sulla scheda in questo modo
Avatar utente
Foto Utentegianfra
0 2
 
Messaggi: 16
Iscritto il: 7 ott 2016, 11:52
Località: brescia

1
voti

[29] Re: impianto recita

Messaggioda Foto Utenteabusivo » 27 nov 2016, 14:05

Ma no, ma no!
Il led deve essere messo in serie alla resistenza.
Tu lo hai messo in serie al relé, non può funzionare!
Se quello che funziona basta non lo tocca' sennò te lassa!
Avatar utente
Foto Utenteabusivo
13,3k 4 7 10
Master
Master
 
Messaggi: 7008
Iscritto il: 16 ott 2012, 18:43
Località: L'Aquila

0
voti

[30] Re: impianto recita

Messaggioda Foto Utentegianfra » 27 nov 2016, 17:31

ok grazie
Avatar utente
Foto Utentegianfra
0 2
 
Messaggi: 16
Iscritto il: 7 ott 2016, 11:52
Località: brescia

PrecedenteProssimo

Torna a Elettronica e spettacolo

Chi c’è in linea

Visitano il forum: Nessuno e 14 ospiti