Orologio Nixie senza PIC o modernità simili
Moderatori:
carloc,
g.schgor,
BrunoValente,
IsidoroKZ
1
voti
Per cercare informazioni sui circuiti usati alle origini, credo che questo link sia interessante
http://www.cs.ubc.ca/~hilpert/e/edte/HP520/index.html
Notare che la HP a metà anni '50 utilizzava un sistema diverso dalle nixie numeriche per poi produrre a fine anni '50 inizio anni '60 l'unità 524C che utilizzava le nixie
http://www.cs.ubc.ca/~hilpert/e/edte/HP520/index.html
il tutto, basato sulle unità decadiche AC4
http://www.cs.ubc.ca/~hilpert/e/edte/HP520/index.html#AC4
Ancora dopo la prima metà degli anni '60 si usava il sistema accennato da qualcuno con motore sincrono e disco forato
http://www.cs.ubc.ca/~hilpert/e/edte/Hunter120A/
Credo che sì, ci sia tutto un suo fascino nel voler ricostruire un orologio basato su tali tecnologie (parlo delle unità decadiche a valvole), ma forse, anche per ragioni di ingombri, ci si potrebbe limitare ad usare tecnologie di uso successivo, diciamo circa metà anni '70, quando lo stato solido aveva risolto almeno un po' i problemi di spazio
---
Bello l'orologio con lampade spia al neon postato da DarwinNE
, certo il fatto che risenta della luce ambiente non è il massimo
K
http://www.cs.ubc.ca/~hilpert/e/edte/HP520/index.html
Notare che la HP a metà anni '50 utilizzava un sistema diverso dalle nixie numeriche per poi produrre a fine anni '50 inizio anni '60 l'unità 524C che utilizzava le nixie
http://www.cs.ubc.ca/~hilpert/e/edte/HP520/index.html
il tutto, basato sulle unità decadiche AC4
http://www.cs.ubc.ca/~hilpert/e/edte/HP520/index.html#AC4
Ancora dopo la prima metà degli anni '60 si usava il sistema accennato da qualcuno con motore sincrono e disco forato
http://www.cs.ubc.ca/~hilpert/e/edte/Hunter120A/
Credo che sì, ci sia tutto un suo fascino nel voler ricostruire un orologio basato su tali tecnologie (parlo delle unità decadiche a valvole), ma forse, anche per ragioni di ingombri, ci si potrebbe limitare ad usare tecnologie di uso successivo, diciamo circa metà anni '70, quando lo stato solido aveva risolto almeno un po' i problemi di spazio
---
Bello l'orologio con lampade spia al neon postato da DarwinNE
, certo il fatto che risenta della luce ambiente non è il massimo K
-

Kagliostro
6.396 4 5 7 - Master

- Messaggi: 4831
- Iscritto il: 19 set 2012, 11:32
0
voti
Chi è interessato all'aspetto dell'evoluzione tecnologica nell' elettronica, può dare una occhiata a questo sito
http://www.chipsetc.com/
http://www.chipsetc.com/
-

Brianz
5.828 5 10 - CRU - Account cancellato su Richiesta utente
- Messaggi: 858
- Iscritto il: 24 mar 2016, 11:27
0
voti
0
voti
Mi interesserebbe sapere come hai integrato la suoneria meccanica con l'elettronica.
Andrea
Andrea
2
voti
Semplice: ci sono due bacchette di bronzo (credo) di diversa lunghezza che producono i due diversi suoni quando vengono colpite da dei martelletti azionati da elettromagneti comandati dall'elettronica.
Le bacchette sono in una specie di cassa armonica ricavata sotto al contenitore.
Martelletti ed elettromagneti li ho ricavati modificando due vecchi relè.
Le bacchette sono in una specie di cassa armonica ricavata sotto al contenitore.
Martelletti ed elettromagneti li ho ricavati modificando due vecchi relè.
-

BrunoValente
39,6k 7 11 13 - G.Master EY

- Messaggi: 7796
- Iscritto il: 8 mag 2007, 14:48
0
voti
"Non farei mai parte di un club che accettasse la mia iscrizione" (G. Marx)
-

claudiocedrone
21,3k 4 7 9 - Master EY

- Messaggi: 15302
- Iscritto il: 18 gen 2012, 13:36
0
voti
Buongiorno a tutti.
Rieccomi qui.
In questi giorni ho girato un po' la rete alla ricerca di qualche progetto abbastanza semplice per l'orologio.
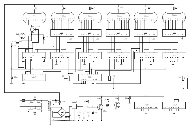
Alla fine ho trovato questo:
Allego anche un estratto dell'articolo da cui l'ho preso (dato che è la prima volta che disegno un circuito del genere con FidocadJ non vorrei aver fatto qualche porcata).
Roba vecchiotta, sicuramente qualche componente non sarà nemmeno più in commercio.
Per questo motivo torno a chiedere aiuto a voi.
Cosa cambiereste di questo progetto?
Cosa pensate si possa migliorare?
A me, per esempio, non mi convincono i potenziometri (P1, P2 e P3) per la regolazione dell'ora e non mi convince lo stadio di alimentazione.
Forse non sarebbe meglio utilizzare dei pulsanti al posto dei potenziometri e uno stadio di alimentazione senza trasformatore?
Aspetto le vostre opinioni, come sempre.
Grazie a tutti in anticipo.
Rieccomi qui.
In questi giorni ho girato un po' la rete alla ricerca di qualche progetto abbastanza semplice per l'orologio.
Alla fine ho trovato questo:
Allego anche un estratto dell'articolo da cui l'ho preso (dato che è la prima volta che disegno un circuito del genere con FidocadJ non vorrei aver fatto qualche porcata).
Roba vecchiotta, sicuramente qualche componente non sarà nemmeno più in commercio.
Per questo motivo torno a chiedere aiuto a voi.
Cosa cambiereste di questo progetto?
Cosa pensate si possa migliorare?
A me, per esempio, non mi convincono i potenziometri (P1, P2 e P3) per la regolazione dell'ora e non mi convince lo stadio di alimentazione.
Forse non sarebbe meglio utilizzare dei pulsanti al posto dei potenziometri e uno stadio di alimentazione senza trasformatore?
Aspetto le vostre opinioni, come sempre.
Grazie a tutti in anticipo.
- Allegati
-
Pagina 5 da Amtron UK820 - Orologio digitale.pdf- Estratto del documento con i dettagli del progetto
- (508.26 KiB) Scaricato 126 volte
-

TizianoLappa
637 1 2 6 - Expert

- Messaggi: 392
- Iscritto il: 9 apr 2014, 10:57
Chi c’è in linea
Visitano il forum: Nessuno e 379 ospiti

Elettrotecnica e non solo (admin)
Un gatto tra gli elettroni (IsidoroKZ)
Esperienza e simulazioni (g.schgor)
Moleskine di un idraulico (RenzoDF)
Il Blog di ElectroYou (webmaster)
Idee microcontrollate (TardoFreak)
PICcoli grandi PICMicro (Paolino)
Il blog elettrico di carloc (carloc)
DirtEYblooog (dirtydeeds)
Di tutto... un po' (jordan20)
AK47 (lillo)
Esperienze elettroniche (marco438)
Telecomunicazioni musicali (clavicordo)
Automazione ed Elettronica (gustavo)
Direttive per la sicurezza (ErnestoCappelletti)
EYnfo dall'Alaska (mir)
Apriamo il quadro! (attilio)
H7-25 (asdf)
Passione Elettrica (massimob)
Elettroni a spasso (guidob)
Bloguerra (guerra)



