Cos'è ElectroYou | Login Iscriviti

ElectroYou - la comunità dei professionisti del mondo elettrico

Esercizio massimo trasferimento potenza

Circuiti, campi elettromagnetici e teoria delle linee di trasmissione e distribuzione dell’energia elettrica

Moderatori: Foto Utenteg.schgor, Foto UtenteIsidoroKZ

1
voti

[1] Esercizio massimo trasferimento potenza

Messaggioda Foto UtenteFlaviocnn » 29 nov 2016, 23:00

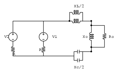
Ciao ragazzi vi chiedo aiuto per risolvere questo esercizio dove mi si chiede di calcolare il valore della resistenza R_o affinché sia massima la potenza su di essa trasferita e il valore di tale potenza.


Per applicare il teorema del massimo trasferimento di potenza devo trovare una certa V_{Th}, la tensione a vuoto su R_o, e una Z_{Th}, impedenza equivalente calcolata con la rete passivizzata e un generatore al posto del carico. In questo caso ho usato un generatore di tensione V_{AB}

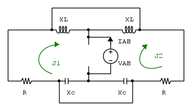
Ai fini del calcolo di Z_{Th} ho espresso la corrente sul lato del generatore I_{AB} come somma delle due correnti di anello, eliminando X_o poiché in parallelo al generatore di tensione. Noto inoltre che le due correnti di anello sono una l'opposto dell'altra a causa della simmetria del circuito quindi ottengo:
Z_{Th} = V_{AB}/I_{AB}
J_2 = -J_1
I_{AB} = J_2 - J_1= 2J_2



A questo punto dovrei risolvere il sistema dato dal metodo degli anelli, trovare le correnti d'anello, e quindi Z.
Purtroppo però non mi risulta :cry: se volete posto qualche calcolo, ma intanto vorrei sapere se il ragionamento è corretto. Grazie per ogni aiuto.
Avatar utente
Foto UtenteFlaviocnn
8 2
 
Messaggi: 8
Iscritto il: 24 nov 2016, 18:17

2
voti

[2] Re: Esercizio massimo trasferimento potenza

Messaggioda Foto UtenteIsidoroKZ » 30 nov 2016, 0:05

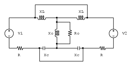
Proverei a considerare che le due L sono in parallelo fra di loro, cosi` come le due C. I due generatori di tensione con relative resistenze in serie sono anche in parallelo, per cui mi sembra che il circuito, solo ridisegnato, sia una cosa del genere



Dei due generatori con le due resistenze in serie puoi fare un equivalente Thevenin, puoi combinare XC/2 e XL/2 in una sola impedenza (sono in serie, si sommano) e arrivi ad un circuito di questo genere



Il segno - di -XC nel calcolo della serie dipende da come avete definito le reattanze, potrebbe anche essere un +. A questo punto e` facile calcolare l'impedenza vista da Ro e quindi trovare il valore di Ro che massimizza il trasferimento di potenza.
Per usare proficuamente un simulatore, bisogna sapere molta più elettronica di lui
Plug it in - it works better!
Il 555 sta all'elettronica come Arduino all'informatica! (entrambi loro malgrado)
Se volete risposte rispondete a tutte le mie domande
Avatar utente
Foto UtenteIsidoroKZ
121,2k 1 3 8
G.Master EY
G.Master EY
 
Messaggi: 21059
Iscritto il: 17 ott 2009, 0:00

0
voti

[3] Re: Esercizio massimo trasferimento potenza

Messaggioda Foto UtenteFlaviocnn » 30 nov 2016, 11:04

Ciao, intanto grazie per la risposta :D
Ma quindi l'impedenza vista da R_o, è semplicemente Z + R_{eq} ?
E' questo valore equivale a quella Z che poi uso nella formula P_{max} = |V_{Th}^2|/{4\Re(Z)} ?
Avatar utente
Foto UtenteFlaviocnn
8 2
 
Messaggi: 8
Iscritto il: 24 nov 2016, 18:17

2
voti

[4] Re: Esercizio massimo trasferimento potenza

Messaggioda Foto UtenteIsidoroKZ » 30 nov 2016, 11:54

No, l'impedenza equivalente ha anche il contributo di Xo, quindi dovrebbe essere qualcosa del tipo Z_{eq}=(R_{eq}+Z)/\!/\text{j}X_o.

Mi sembra che la formula della potenza che hai scritto si riferisca al caso di carico con adattamento energetico. In questo caso il carico e` solo resistivo, non hai adattamento energetico perche' la reattanza della sorgente non e` compensata dal carico (almeno credo, non avendo i valori numerici non posso dirlo con sicurezza).

Le formule per trovare il valore di Ro e la potenza dissipata sono piu` complicate perche' si rifersicono a questo caso



L'impedenza equivalente di Thevenin Zeq ha una parte reale e una immaginaria, il tuo grado di liberta` e` Ro, reale. Devi quindi ricavare le condizioni di massima potenza erogata, in cui Ro NON e` uguale ad R, visto che non puoi compensare jX. E la potenza erogata non sara` quella che hai scritto, che si riferisce al caso senza jX o con jX compensata.

(almeno credo, non e` che l'elettrotecnica sia proprio il mio forte).
Per usare proficuamente un simulatore, bisogna sapere molta più elettronica di lui
Plug it in - it works better!
Il 555 sta all'elettronica come Arduino all'informatica! (entrambi loro malgrado)
Se volete risposte rispondete a tutte le mie domande
Avatar utente
Foto UtenteIsidoroKZ
121,2k 1 3 8
G.Master EY
G.Master EY
 
Messaggi: 21059
Iscritto il: 17 ott 2009, 0:00

0
voti

[5] Re: Esercizio massimo trasferimento potenza

Messaggioda Foto UtenteFlaviocnn » 30 nov 2016, 12:27

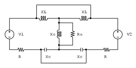
Allora per chiarezza posto l'esercizio completo, quelle tra parentesi angolari sono le soluzioni
Immagine
Il professore, così molto schematicamente, ci ha sempre dato quella formula per calcolare il massimo trasferimento di potenza, e quindi l'esercizio si limitava al calcolo della V_{th} e della Z_{th}, per poi ottenere Z come coniugato di Z_{th}.
In questo esercizio però effettivamente, il carico di partenza è puramente resistivo, mentre in tutti gli altri viene dato un carico Z. Per cui posso immaginare che come hai scritto tu (e scusami ma non ho capito al 100% il tuo discorso perché non abbiamo affrontato argomenti come adattamento energetico o grado di libertà) in questo caso il procedimento sia diverso. Però nel risultato compare una Z_{th} e una R_0...nel procedimento visto finora, qual è che andiamo a calcolare?
Avatar utente
Foto UtenteFlaviocnn
8 2
 
Messaggi: 8
Iscritto il: 24 nov 2016, 18:17

2
voti

[6] Re: Esercizio massimo trasferimento potenza

Messaggioda Foto UtenteIsidoroKZ » 30 nov 2016, 14:33

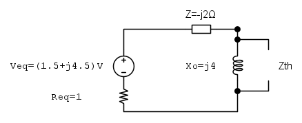
Ok, cominciamo a mettere qualche numero. Lo schema viene una cosa del genere



e quindi l'impedenza equivalente e` Z_{th}=(1\Omega-2\text{j}\Omega)/\!/4\text{j}\Omega=(3.2-\text{j}2.4)\Omega che e` proprio il risultato che ti viene dato.

La tensione equivalente ai morsetti a cui e` collegato Ro la ottieni con un partitore di tensione fra i tre elementi (R, X e Xo). In pratica ti riduci allo schema del messaggio precedente:



Non ho calcolato la tensione equivalente, la puoi trovare con il partitore che ho indicato prima.

Ora devi calcolare il valore di Ro che massimizza la potenza la potenza il Ro, e lo puoi fare in modo simbolico, cosi` il risultato lo hai una volta per tutte. Scrivi la potenza dissipata da Ro in funzione di R, Ro, X e Vth, derivi rispetto a Ro, uguagli la derivata a 0 e trovi l'espressione che ti da` il valore di resistenza Ro che massimizza la potenza che dissipa. In questa relazione ovviamente non entra la tensione Veq.

Infine sostituisce questo valore (e tutti gli altri) nell'espressione della potenza e trovi la potenza massima che viene dissipata dalla Ro. I risultati che da` il libro sono giusti.

NB; ho usato due volte la variabile Veq per indicare la prima Veq di quando metto in parallelo i due generatori di tensione con le loro resistenze da 2ohm, facendo un eq. Thevenin intermedio, e poi ho usato di nuovo la stessa variabile Veq per indicare la tensione equivalente complessiva di tutto il circuito, incluse anche le X varie.
Per usare proficuamente un simulatore, bisogna sapere molta più elettronica di lui
Plug it in - it works better!
Il 555 sta all'elettronica come Arduino all'informatica! (entrambi loro malgrado)
Se volete risposte rispondete a tutte le mie domande
Avatar utente
Foto UtenteIsidoroKZ
121,2k 1 3 8
G.Master EY
G.Master EY
 
Messaggi: 21059
Iscritto il: 17 ott 2009, 0:00

1
voti

[7] Re: Esercizio massimo trasferimento potenza

Messaggioda Foto UtenteFlaviocnn » 4 dic 2016, 14:47

Ciao, intanto scusami per l'assenza ma sono stato malato questi 3 giorni quindi ho messo da parte tutto #-o
Ora, ho provato a svolgerlo seguendo i tuoi passaggi ma credo di aver fatto confusione... ecco cosa ho fatto:
Partendo da qua

1) ho calcolato Zth, come hai scritto tu, e Vth con il partitore di tensione:
dovrebbero essere in serie, quindi la tensione ai capi di X_0 è
V_{th}=V_{eq}\cdot\frac{jX_0}{j(X_z+X_0)+R_{eq}} ottenendo il risultato del libro :lol:
2) posso scrivere il circuito equivalente di Thevenin a cui collego il mio carico R_0:

a questo punto la potenza dissipata da R_0
dovrebbe essere P_{R_0}=\frac{|V_{R_0}|^2}{R_0}
dove V_{R_0}=V_{th}\cdot\frac{R_0}{R_0+Z_{th}}
e quindi:
3) Dovrei quindi ricavare la R_0che massimizzi la potenza da questa espressione:
\frac{\partial P_{R_0}}{\partial R_0}=\frac{\partial \frac{|V_{R_0}|^2}{R_0}}{\partial R_0}=V_{th}\cdot \frac{{\partial \frac{(\frac{R_0}{R_0+Z_{th}})^2}{R_0}}}{{\partial R_0}}=0 ?
Avatar utente
Foto UtenteFlaviocnn
8 2
 
Messaggi: 8
Iscritto il: 24 nov 2016, 18:17

0
voti

[8] Re: Esercizio massimo trasferimento potenza

Messaggioda Foto UtenteIsidoroKZ » 4 dic 2016, 18:48

Si`! Prima pero` di fare la derivata, calcola il modulo della tensione, che e` quello che conta per la potenza dissipata da una resistenza. Il risultato viene semplice.
Per usare proficuamente un simulatore, bisogna sapere molta più elettronica di lui
Plug it in - it works better!
Il 555 sta all'elettronica come Arduino all'informatica! (entrambi loro malgrado)
Se volete risposte rispondete a tutte le mie domande
Avatar utente
Foto UtenteIsidoroKZ
121,2k 1 3 8
G.Master EY
G.Master EY
 
Messaggi: 21059
Iscritto il: 17 ott 2009, 0:00

0
voti

[9] Re: Esercizio massimo trasferimento potenza

Messaggioda Foto UtenteFlaviocnn » 4 dic 2016, 20:27

Oh mio dio non ci credo che mi è risultato :-o :-o :-o :-o
Veramente sei stato gentilissimo , ti ringrazio infinitamente, dimmi qual è il tuo colore preferito che ti faccio una statua! :D
Avatar utente
Foto UtenteFlaviocnn
8 2
 
Messaggi: 8
Iscritto il: 24 nov 2016, 18:17

1
voti

[10] Re: Esercizio massimo trasferimento potenza

Messaggioda Foto UtenteIsidoroKZ » 4 dic 2016, 21:09

Prima avevo risposto di corsa, mi ero dimenticato di verificare se la Zth che avevi preso nell'espressione da derivare fosse quella giusta. Se ti e` venuto il risultato, era quella giusta :). Il valore di Ro che massimizza il trasferimento di potenza dovrebbe esserti venuto R_o=\sqrt{R^2+X^2} dove R ed X sono le componenti di Zth (3.2+j2.4)ohm. Come vedi il fatto che ci sua una X che non puoi compensare fa si` che la Ro sia diversa da Rth e la potenza massima vale
|V_{eq}|^2 \frac{\sqrt{R^2+X^2}-R}{2X^2}, che non e` la semplice formula che sei abituato a usare del tipo V^2/(4R) o qualcosa del genere.

Il mio colore preferito e` l'azzurro, ma preferisco pagamento in cioccolato :-) vedi qui viewtopic.php?f=6&t=62621&p=630735 e qui viewtopic.php?f=6&t=40542&p=358909 :D
Per usare proficuamente un simulatore, bisogna sapere molta più elettronica di lui
Plug it in - it works better!
Il 555 sta all'elettronica come Arduino all'informatica! (entrambi loro malgrado)
Se volete risposte rispondete a tutte le mie domande
Avatar utente
Foto UtenteIsidoroKZ
121,2k 1 3 8
G.Master EY
G.Master EY
 
Messaggi: 21059
Iscritto il: 17 ott 2009, 0:00


Torna a Elettrotecnica generale

Chi c’è in linea

Visitano il forum: Google [Bot] e 21 ospiti