Sto leggendo e sono arrivato quasi alla fine il libro in oggetto.
Per chi come me, è alle prime armi, è stato molto formativo.
In fondo da pagina 485 ci sono delle domande e degli esercizi.
Io provo a rispendere ma non ho la l'elenco delle risposte giuste.
Qualcuno più sarebbe cosi gentile da aiutarmi/corregermi ?
Allora:
D1.Per contatto NC si intende:
a)un contatto che in condizioni di lavoro è chiuso
b) un contatto che in condizioni di riposo è aperto
c) un contatto che in condizione di riposo è chiuso
D2.Un contattore:
a) può essere comandato a distanza
b)non può essere comandato a distanza
c)può essere comandato a distanza se ha i contatti di potenza
D3 un impianto a giorno è:
a)un impianto che illumina una locale a luce intensa
b)un impianto posato direttamente sulle pareti del locale
c)un impianto funzionante a giorni stabiliti
D4.In un contattore , il movimento di chiusura dei contatti avviene:
a) manualmente
b)mediante sistema elettromagnetico
c)tramite l'azione delle molle di richiamo
D5.Il contatto di autoalimentazione è inserito
a)in parallelo alla bobina
b)in serie all'alimentazione della bobina
c)in parallelo al pulsante di eccitazione
D6) il contatto di autoalimentazione serve:
a) a mantenere eccitata la bobina dopo il rilascio del pulsante
b)a diminuire la corrente circolante nella bobina di eccitazione
c)a eccitare il contattore qunado non funziona il pulsante
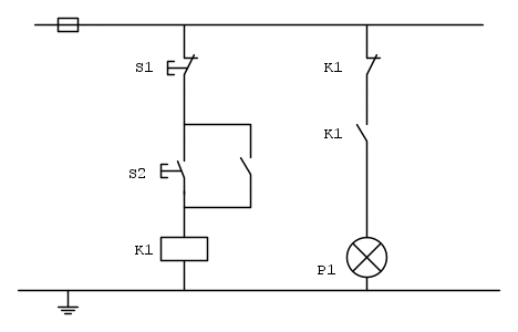
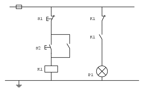
D7 nello schema elettrico seguente la lampada D1:
a)si accende con il relè k1 diseccitato
b)si accende con il relè kA eccitato
c)non si accende mai
d)si accende premendo S1 e S2 contemporanenamente
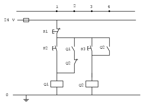
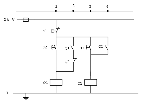
Nello schema elettrico seguente , il contattore Q1:
a)rimane eccitato solo se Q2 è eccitato
b)rimane eccitato solo se Q2 è diseccitato
c)si può eccitare solo se Q2 è eccitato
d)non si autoalimenta in nessun caso
Le mie risposte:
D1-c) D2-a) D3-b) D4-b)
D5-c) D6-a) D7-c) D8-b)
Esercizi Libro Barezzi Impianti Elettrici Industriali
Moderatori:
sebago,
MASSIMO-G,
lillo,
Mike
3 messaggi
• Pagina 1 di 1
0
voti
enea ha scritto:Le mie risposte:
D1-c) D2-a) D3-b) D4-b)
D5-c) D6-a) D7-c) D8-b)
0
voti
Grazie Ing.Martini! Sempre gentilissimo... sul libro ci sono molti esercizi...penso che prossimamente , se non la disturbo, continuerò a chiedere riscontri a lei (da cui ho imparato molto in questi anni con i suoi articoli ) e tutta la comunità. Grazie mille. 

Il blog degli impianti
di enea pacini - firenze
di enea pacini - firenze
3 messaggi
• Pagina 1 di 1
Torna a Impianti, sicurezza e quadristica
Chi c’è in linea
Visitano il forum: Nessuno e 118 ospiti

Elettrotecnica e non solo (admin)
Un gatto tra gli elettroni (IsidoroKZ)
Esperienza e simulazioni (g.schgor)
Moleskine di un idraulico (RenzoDF)
Il Blog di ElectroYou (webmaster)
Idee microcontrollate (TardoFreak)
PICcoli grandi PICMicro (Paolino)
Il blog elettrico di carloc (carloc)
DirtEYblooog (dirtydeeds)
Di tutto... un po' (jordan20)
AK47 (lillo)
Esperienze elettroniche (marco438)
Telecomunicazioni musicali (clavicordo)
Automazione ed Elettronica (gustavo)
Direttive per la sicurezza (ErnestoCappelletti)
EYnfo dall'Alaska (mir)
Apriamo il quadro! (attilio)
H7-25 (asdf)
Passione Elettrica (massimob)
Elettroni a spasso (guidob)
Bloguerra (guerra)





