Cos'è ElectroYou | Login Iscriviti

ElectroYou - la comunità dei professionisti del mondo elettrico

Rete trifase simmetrica ed equilibrata

Circuiti, campi elettromagnetici e teoria delle linee di trasmissione e distribuzione dell’energia elettrica

Moderatori: Foto Utenteg.schgor, Foto UtenteIsidoroKZ

0
voti

[11] Re: Rete trifase simmetrica ed equilibrata

Messaggioda Foto UtenteSimoneLP » 16 dic 2016, 12:21

IsidoroKZ ha scritto:La richiesta di fare gli schemi in fidocadj, con i valori sullo schema senza le orribili (e sbagliate) parentesi quadre, vale anche per questo thread :-)


Perdonami, ma quella è la traccia dell'esame, ho solo fatto un print con Paint e upload dell'immagine.
Non le ho messe io le parentesi quadre!

:D
Avatar utente
Foto UtenteSimoneLP
25 4
Frequentatore
Frequentatore
 
Messaggi: 109
Iscritto il: 17 ott 2016, 9:08

0
voti

[12] Re: Rete trifase simmetrica ed equilibrata

Messaggioda Foto UtenteIsidoroKZ » 16 dic 2016, 14:08

Lo so che non le hai messe tu. Quando fai lo schema, non metterle! Lo schema in fidocadj puo` essere prelevato da un altro utente, modificato, enfatizzate delle parti, e la spiegazione viene meglio.

Per l'uso delle parentesi con le grandezze fisiche, vedi qui
Per usare proficuamente un simulatore, bisogna sapere molta più elettronica di lui
Plug it in - it works better!
Il 555 sta all'elettronica come Arduino all'informatica! (entrambi loro malgrado)
Se volete risposte rispondete a tutte le mie domande
Avatar utente
Foto UtenteIsidoroKZ
121,2k 1 3 8
G.Master EY
G.Master EY
 
Messaggi: 21059
Iscritto il: 17 ott 2009, 0:00

0
voti

[13] Re: Rete trifase simmetrica ed equilibrata

Messaggioda Foto UtenteSimoneLP » 16 dic 2016, 15:16

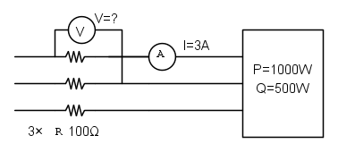
Il codice dell'ultimo trifase che ho svolto è:



La lettura del voltmetro è, per LKT, data dalla somma della tensione ai capi di R e della tensione concatenata a destra di R (diversa da quella a sinistra per la presenza della stessa impedenza R).

Conoscendo il valore di P e Q della scatola e della corrente di linea, ho calcolato il valore efficace della tensione concatenata a destra di R mediante formula inversa. Mettendo a fase 0 E1, ho quindi ottenuto che la fase di V12 (sempre a destra di R) è -30° e la fase della corrente di linea letta dall'amperometro è in ritardo dell'angolo caratteristico dell'impedenza, dato dall'arcotangete di Q/P.

Il problema è quindi risolto mediante la somma di (Ia * R) e (V12).

Cosa ve ne pare? Spero di non aver sbagliato le considerazioni riguardo le tensioni concatenate. Ma sono piuttosto sicuro che la presenza dell'impedenza R determina che la V12 a destra di R sia diversa da quella di sinistra.
Avatar utente
Foto UtenteSimoneLP
25 4
Frequentatore
Frequentatore
 
Messaggi: 109
Iscritto il: 17 ott 2016, 9:08

0
voti

[14] Re: Rete trifase simmetrica ed equilibrata

Messaggioda Foto UtenteIsidoroKZ » 16 dic 2016, 15:46

Cosi` e` meglio



Ho solo preso il tuo disegno e modificato qua e la`, senza doverlo rifare da capo.

Direi che la tua soluzione sia ragionevole. Le due tensioni prima e dopo le resistenze sono diverse. Non sono sicuro dei numeri, prova a postare anche le soluzioni numeriche.

Al solito quando ci sono sorgenti e carichi simmetrici e bilanciati, vado di rappresentazione a stella e uso le tensioni stellate, che almeno so a che cosa si riferiscono e che fase hanno.

Quanto ti e` venuta la corrente A2 dell'esercizio precedente?
Per usare proficuamente un simulatore, bisogna sapere molta più elettronica di lui
Plug it in - it works better!
Il 555 sta all'elettronica come Arduino all'informatica! (entrambi loro malgrado)
Se volete risposte rispondete a tutte le mie domande
Avatar utente
Foto UtenteIsidoroKZ
121,2k 1 3 8
G.Master EY
G.Master EY
 
Messaggi: 21059
Iscritto il: 17 ott 2009, 0:00

0
voti

[15] Re: Rete trifase simmetrica ed equilibrata

Messaggioda Foto UtenteSimoneLP » 16 dic 2016, 16:54

IsidoroKZ ha scritto:Direi che la tua soluzione sia ragionevole. Le due tensioni prima e dopo le resistenze sono diverse. Non sono sicuro dei numeri, prova a postare anche le soluzioni numeriche.


Ti dico i risultati ottenuti:
    - Valore efficace della tensione concatenata V a destra dell'impedenza R = 124 V (essendo in anticipo di 30° rispetto la relativa tensione di fase, allora se E1 è in fase 0, la V12 è in fase +30°)
    - Tensione letta dal voltmetro, data dalla somma di (Ia*R) e V12 = 376 - j71. Quindi il valore assoluto è 383 V


IsidoroKZ ha scritto:Quanto ti e` venuta la corrente A2 dell'esercizio precedente?


Non ho ancora terminato quell'esercizio. Appena finisco te lo scrivo.
Avatar utente
Foto UtenteSimoneLP
25 4
Frequentatore
Frequentatore
 
Messaggi: 109
Iscritto il: 17 ott 2016, 9:08

1
voti

[16] Re: Rete trifase simmetrica ed equilibrata

Messaggioda Foto UtenteRenzoDF » 16 dic 2016, 17:51

Pure qui. :D
"Il circuito ha sempre ragione" (Luigi Malesani)
Avatar utente
Foto UtenteRenzoDF
55,9k 8 12 13
G.Master EY
G.Master EY
 
Messaggi: 13189
Iscritto il: 4 ott 2008, 9:55

0
voti

[17] Re: Rete trifase simmetrica ed equilibrata

Messaggioda Foto UtenteSimoneLP » 16 dic 2016, 17:58

RenzoDF ha scritto:Pure qui. :D


Eh sì, why not! :)
Avatar utente
Foto UtenteSimoneLP
25 4
Frequentatore
Frequentatore
 
Messaggi: 109
Iscritto il: 17 ott 2016, 9:08

0
voti

[18] Re: Rete trifase simmetrica ed equilibrata

Messaggioda Foto UtenteSimoneLP » 19 dic 2016, 13:07

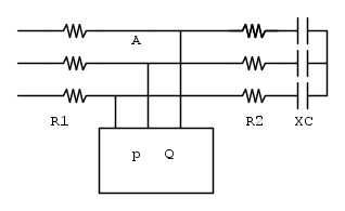
Devo calcolare la corrente nel punto di questa rete trifase simmetrica ed equilibrata:



I dati a disposizione sono R1, R2, Xc, P, Q e la corrente nella scatola.
Volevo chiedervi: è possibile che R1 sia un dato in più ?! Perché conoscendo la corrente nella scatola, ne calcolo la tensione, che è uguale alla tensione del tripolo a destra. Conoscendo quindi tensione e impedenza, calcolo al corrente. Mediante una LKC al nodo 1' (quella vicino al nodo A), ho trovato la corrente passante per il punto A.
Avatar utente
Foto UtenteSimoneLP
25 4
Frequentatore
Frequentatore
 
Messaggi: 109
Iscritto il: 17 ott 2016, 9:08

0
voti

[19] Re: Rete trifase simmetrica ed equilibrata

Messaggioda Foto Utenteadmin » 20 dic 2016, 14:06

SimoneLP ha scritto: è possibile che R1 sia un dato in più ?!

Dipende da cosa devi calcolare. Se è solo la corrente, sì; se è anche la tensione a monte, no
Avatar utente
Foto Utenteadmin
196,6k 9 12 17
Manager
Manager
 
Messaggi: 11951
Iscritto il: 6 ago 2004, 13:14

0
voti

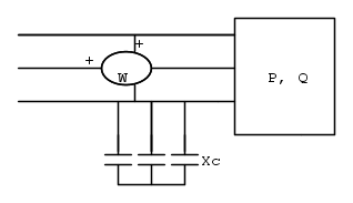
[20] Re: Rete trifase simmetrica ed equilibrata

Messaggioda Foto UtenteSimoneLP » 3 gen 2017, 13:11

Ragazzi, facendo un esercizio con un wattmetro in quadratura, mi sono ritrovato con una potenza reattiva negativa. Come posso fare per ottenere la corrente ? Perché se utilizzo la formula inversa, in questo caso ho il quadrato di un numero negativo, quindi non va bene..

La rete trifase è di questo tipo:



Il valore della potenza reattiva in basso mi risulta negativo in ogni caso, perché il wattmetro legge 200 W e la Q della scatola è di 900 W. Come posso fare ?
Avatar utente
Foto UtenteSimoneLP
25 4
Frequentatore
Frequentatore
 
Messaggi: 109
Iscritto il: 17 ott 2016, 9:08

PrecedenteProssimo

Torna a Elettrotecnica generale

Chi c’è in linea

Visitano il forum: Nessuno e 70 ospiti