i neri sul "Ground" del circuito.
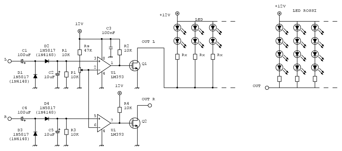
Ma una domanda le uscite dei mosfet L e R come pilotano i led?
Forse mi sfugge il resto del circuito?
Info su componenti
Moderatori:
carloc,
g.schgor,
BrunoValente,
IsidoroKZ
40 messaggi
• Pagina 3 di 4 • 1, 2, 3, 4
0
voti
visto da sopra, con i piedini sotto (in pratica leggendo la sigla normalmente) il terminale 1 è in basso a sinistra e poi si contano in senso antiorario; ciò vale per tutti gli integrati DIP (dual in-line package) quale che sia il loro numero di pin; la tacca semicircolare che indica il verso, se assente, è sostituita da un incavo circolare sul contenitore in alto a destra in prossimità dell'ultimo pin (ciò lo identifica anche in caso che la sigla sia illeggibile o magari serigrafata sbagliata).

"Non farei mai parte di un club che accettasse la mia iscrizione" (G. Marx)
-

claudiocedrone
21,3k 4 7 9 - Master EY

- Messaggi: 15302
- Iscritto il: 18 gen 2012, 13:36
0
voti
claudiocicerone ... ti ringrazio per la spiegazione, molto esaustiva e chiara anche se a scuola, di quella poca elettronica che ho fatto, l' unica cosa che mi è rimasta è l' incavo dell' integrato per determinarne il verso ahah comunque mi era stato detto di collegare i neri al negativo del circuito... forse per quello è esploso tutto
io spero comunque che non si è fuso anche l' altro integrato (pare che non ha fatto fumo o puzza di bruciato)... lo saprò appena collegato il tutto... ma io fsccio confusione tra massa e ground.. mi sono informato tra le differenze tra i due ma chi dice che i simboli sono equivalenti e significano MASSA dell' alimentazione e chi dice che massa e una cosa e ground il 0V (non so a chi dare retta cavolo)... insomma, i termimali delle resistenze condensatori ecc nel circuito vanno collegati a MASSA dell' alimentazione e il GND dell' integrato e i cavi neri delle casse al 0V o diversamente da come ho detto? Grazie a tutti per la pazienza e le spigazioni 
io spero comunque che non si è fuso anche l' altro integrato (pare che non ha fatto fumo o puzza di bruciato)... lo saprò appena collegato il tutto... ma io fsccio confusione tra massa e ground.. mi sono informato tra le differenze tra i due ma chi dice che i simboli sono equivalenti e significano MASSA dell' alimentazione e chi dice che massa e una cosa e ground il 0V (non so a chi dare retta cavolo)... insomma, i termimali delle resistenze condensatori ecc nel circuito vanno collegati a MASSA dell' alimentazione e il GND dell' integrato e i cavi neri delle casse al 0V o diversamente da come ho detto? Grazie a tutti per la pazienza e le spigazioni -

gabrielelacava
115 3 - New entry

- Messaggi: 53
- Iscritto il: 19 giu 2016, 19:11
0
voti
ad ogni modo il circuito in questione è ad alimentazione singola quindi la massa e il riferimento equipotenziale coincidono... a questo punto però mi sorge il dubbio che i finali da cui provengono le uscite delle tue casse possano essere connessi a ponte

"Non farei mai parte di un club che accettasse la mia iscrizione" (G. Marx)
-

claudiocedrone
21,3k 4 7 9 - Master EY

- Messaggi: 15302
- Iscritto il: 18 gen 2012, 13:36
0
voti
Ecco,come ben detto da claudio se il collegamento dello stadio finale e' del tipo "bridge"
i riferimenti cambiano del tutto,poiche' l'alimentazione e' del tipo "duale" e non hai
più' il riferimento verso il "ground".
Io comunque avrei previsto almeno sugli ingressi degli "optoisolatori" in modo da tener separati i due circuiti.
i riferimenti cambiano del tutto,poiche' l'alimentazione e' del tipo "duale" e non hai
più' il riferimento verso il "ground".
Io comunque avrei previsto almeno sugli ingressi degli "optoisolatori" in modo da tener separati i due circuiti.
⋮ƎlectroYou
-

stefanob70
14,1k 5 11 13 - Master EY

- Messaggi: 3190
- Iscritto il: 14 lug 2012, 13:14
- Località: Roma
0
voti
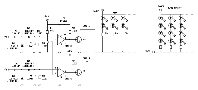
Allora allora, ora metto la foto dell' alimentatore (preso da una striscia di led cinesi che aveva anche la centralina e che comunque questa si stacca ) e dello stereo con il quale provo il circuito... la foto del circuito inutile che la metta dato che la sto facendo su millefori e finche non so come fare i collegamenti non mi avventuro in altre saldature che non vanno bene 

-

gabrielelacava
115 3 - New entry

- Messaggi: 53
- Iscritto il: 19 giu 2016, 19:11
0
voti
Puoi descrivere la procedura seguita nel montaggio-collegamento- alimentazione ? Dai su, sono quattro componenti in croce...

"Non farei mai parte di un club che accettasse la mia iscrizione" (G. Marx)
-

claudiocedrone
21,3k 4 7 9 - Master EY

- Messaggi: 15302
- Iscritto il: 18 gen 2012, 13:36
0
voti
Allora.. quando ho collegato il tutto in breadboard, avendo letto che sta benedettissima massa era come la messa a terra e non il potenziale 0, io ho collegato tutti i componenti al piedino dell' alimentazione riservato alla messa a terra praticamente.. (non più come definirlo).. ora guardando il circuito della centralina RGB finalmente ho capito che sto GROUND non è altro che il negativo dell' alimentazione.. quindi questo è stato il primo errore... il collegamento che ho fatto sul comparatore è stato inserire sul piedino 7 direttamente la resistenza e poi, sotto a quella avevo collegato il filo che andava al mosfet.. accendo e bum.. fonde tutto.. forse perché dato che il filo va al potenziometro, il quale non era collegato a massa, gli sarà arrivata il doppio della tensione.. non saprei proprio.. comunque il dilemma dei cavi neri delle casse sul dove collegarli rimane
-

gabrielelacava
115 3 - New entry

- Messaggi: 53
- Iscritto il: 19 giu 2016, 19:11
0
voti
In effetti il circuito di tardofrek proponeva due circuiti:
uno per principianti e l'altro piu' avanzato....
Ma comunque c'e' da considerare che se e' previsto un condensatore di disaccoppiamento in ingresso,sarebbe altrettanto prudente inserire un optoisolatore.
Non si sa mai come lavorano le uscite di questi amplificatori compatti.
Potrebbero contenere dei moduli ibridi collegati a "bridge"come diceva claudio...
comunque ho riunito i due schemi in modo da vederci chiaro sui collegamenti fatti da chi ha realizzato il circuito.
Il problema potrebbe essere cosi descritto:
Tutte le tensioni sono riferite al "ground" quindi la tensione fornita esternamente dal circuito alimenta l'operazionale con +12vcc e ground.
i due canali di uscita dell'amplificatori vengono collegati rispettivamente L ed R agli ingressi del circuito,ed i negativi dell'amplificatore vengono riuniti al negativo dell'alimentatore esterno..cosa succede?
uno per principianti e l'altro piu' avanzato....
Ma comunque c'e' da considerare che se e' previsto un condensatore di disaccoppiamento in ingresso,sarebbe altrettanto prudente inserire un optoisolatore.
Non si sa mai come lavorano le uscite di questi amplificatori compatti.
Potrebbero contenere dei moduli ibridi collegati a "bridge"come diceva claudio...
comunque ho riunito i due schemi in modo da vederci chiaro sui collegamenti fatti da chi ha realizzato il circuito.
Il problema potrebbe essere cosi descritto:
Tutte le tensioni sono riferite al "ground" quindi la tensione fornita esternamente dal circuito alimenta l'operazionale con +12vcc e ground.
i due canali di uscita dell'amplificatori vengono collegati rispettivamente L ed R agli ingressi del circuito,ed i negativi dell'amplificatore vengono riuniti al negativo dell'alimentatore esterno..cosa succede?
⋮ƎlectroYou
-

stefanob70
14,1k 5 11 13 - Master EY

- Messaggi: 3190
- Iscritto il: 14 lug 2012, 13:14
- Località: Roma
40 messaggi
• Pagina 3 di 4 • 1, 2, 3, 4
Chi c’è in linea
Visitano il forum: Nessuno e 225 ospiti

Elettrotecnica e non solo (admin)
Un gatto tra gli elettroni (IsidoroKZ)
Esperienza e simulazioni (g.schgor)
Moleskine di un idraulico (RenzoDF)
Il Blog di ElectroYou (webmaster)
Idee microcontrollate (TardoFreak)
PICcoli grandi PICMicro (Paolino)
Il blog elettrico di carloc (carloc)
DirtEYblooog (dirtydeeds)
Di tutto... un po' (jordan20)
AK47 (lillo)
Esperienze elettroniche (marco438)
Telecomunicazioni musicali (clavicordo)
Automazione ed Elettronica (gustavo)
Direttive per la sicurezza (ErnestoCappelletti)
EYnfo dall'Alaska (mir)
Apriamo il quadro! (attilio)
H7-25 (asdf)
Passione Elettrica (massimob)
Elettroni a spasso (guidob)
Bloguerra (guerra)
