Salve a tutti.
Ho seguito in passato, su altri forum, discussioni sugli alimentatori lineari e switching per uso con apparecchiature che devono essere alimentate a 13,8 V (tipo batteria auto).
Tra i vari pregi e difetti dei 2 tipi di alimentatori mi è rimasto sempre impresso i fatto che su quelli lineari quando si "rompe" lo stabilizzatore ci si ritrova facilmente in uscita tutta (o quasi) l'alimentazione presente dopo il raddrizzatore che spesso è abbastanza più alta rispetto ai 13,8 V canonici di uscita necessari (a meno che non ci sia qualche protezione dedicata), mentre, a detta degli esperti, negli switching questa protezione è sempre presente.
Essendo un amante del "fai da te", la maggior parte degli alimentatori fissi o regolabili che ho, sono autocostruiti e sono di tipo lineare, cioè con trasformatore a 50 Hz e circuiteria classica di stabilizzazione.
Per anni li ho sempre utilizzati (senza una specifica protezione) e non ho mai avuto problemi, comunque l'idea che prima o poi qualcuno andasse in avaria e mi potesse friggere per esempio il baracchino per la 27 MHz è sempre stata una idea ricorrente e per niente piacevole.
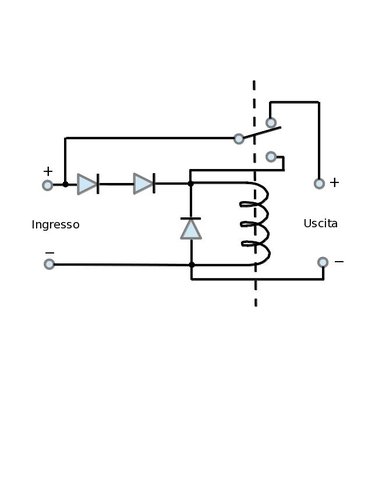
Finalmente mi sono messo in testa di realizzare una protezione per evitare questo potenziale rischio. Dopo vari ragionamenti su come farla e su quale alimentatore incorporarla, un giorno, mentre facevo un lavoro con dei relé a 24 V, mi sono accorto che questi scattavano già a tensioni che si aggirano tra i 12 ed i 15 V (perlomeno quelli che avevo sotto mano), e questo mi ha fatto pensare che avrei potuto sfruttare questa caratteristica per realizzare una protezione estremamente semplice per evitare alimentazioni anomale per il CB.
In pratica con l'eventuale aggiuna di uno o più diodi in serie alla bobina era possibile far scattare il relé ad una tensione per esempio di 14,5 - 14,8 V.
In pratica ho realizzato il circuito collegando il relé secondo lo schema di principio allegato:
Poi invece di dover incorporare questo cercuito all'interno di un alimentatore ho pensato che poteva essere più utile metterlo all'interno di un piccolo contenitore portatile con all'ingresso una piattina rosso/nero + spinotti per collegarli su qualsiasi alimentatore, ed in uscita 2 boccole (rossa e nera) per il + ed il -.
Ho ache aggiunto altri condensatori elettrolitici al suo interno ed un filtro per bloccare eventuale RF verso l'alimentatore.
In pratica può essere utilizzato sia su alimentatori fissi a 13,8V che su quelli regolabili in modo che se inavvertitamente si dovesse spostare la manopola di regolazione (con aumento della tensione di uscita oltre la soglia del relé) il circuito provvede a proteggere il CB (o eventuali altre apparecchiature).
A parte la velocità di risposta che non può competere con un dispositivo elettronico, ma considerando anche che apparati destinati all'uso in auto sono comunque soggetti a sbalzi di tensione e quindi in grado di sopportarli, e avendo l'accortezza che l'eventuale tensione più alta non superi eccessivamente i 24 V (per evitare la bruciatura della bobina del relé e successiva bruciatura dell'apparato), vi viene in mente qualche altra controindicazione all'uso di un circuito di questo genere?
In pratica con un circuito così semplice si può stare tranquilli o c'è la "fregatura" che al momento non riesco a vedere?
Protezione apparati a 13,8V
Moderatori:
carloc,
g.schgor,
BrunoValente,
IsidoroKZ
15 messaggi
• Pagina 1 di 2 • 1, 2
0
voti
Bernalma ha scritto:...vi viene in mente qualche altra controindicazione all'uso di un circuito di questo genere?...
Sicuramente è una soluzione semplice e di facile realizzazione.
L'unico dubbio che mi sovviene è intorno alla tensione di soglia che fa eccitare il relè.
Si potrebbe verificare uno stato di incertezza che potrebbe far innescare al relè una serie di on/off (attacca e stacca) che potrebbe rovinare il carico.
Bernalma ha scritto:...In pratica con un circuito così semplice si può stare tranquilli o c'è la "fregatura" che al momento non riesco a vedere?...
Sarebbe necessario un comparatore di tensione con conseguente ciclo di isteresi.
Al limite un circuito brutale come un Crowbar potrebbe essere di sicura efficacia.
Se quello che funziona basta non lo tocca' sennò te lassa!
0
voti
Questo circuito dovrebbe essere più sicuro.
- Allegati
-
- 21aw8qe.jpg (8.82 KiB) Osservato 4495 volte
-

elektronik
7.800 4 6 7 - Master

- Messaggi: 3836
- Iscritto il: 12 mag 2015, 22:26
0
voti
Una protezione elettromeccanica non interviene in tempo zero, mentre i guasti per sovratensione nei semiconduttori avvengono praticamente in modo istantaneo. Penso che il circuito proposto con lo SCR vada bene.
0
voti
Un relè è un bradipo, non proteggerebbe nulla.
Neanche l'SCR mi entusiasma molto, anche se è infinitamente meglio di un relè.
Esistono degli integrati appositi, cerca crowbar protection.
Bob Pease ne parlava diffusamente.
Leggi anche qui
Ciao,
Pietro.
Neanche l'SCR mi entusiasma molto, anche se è infinitamente meglio di un relè.
Esistono degli integrati appositi, cerca crowbar protection.
Bob Pease ne parlava diffusamente.
Leggi anche qui
Ciao,
Pietro.
-

PietroBaima
90,7k 7 12 13 - G.Master EY

- Messaggi: 12206
- Iscritto il: 12 ago 2012, 1:20
- Località: Londra
0
voti
PietroBaima ha scritto:Un relè è un bradipo, non proteggerebbe nulla.
Neanche l'SCR mi entusiasma molto, anche se è infinitamente meglio di un relè.
Di sicuro oggi esistono soluzioni migliori ma posso garantire che questo tipo di circuito l'ho adoperato per circa trent' anni ed ha funzionato sempre egregemente.
-

elektronik
7.800 4 6 7 - Master

- Messaggi: 3836
- Iscritto il: 12 mag 2015, 22:26
0
voti
abusivo ha scritto:...Al limite un circuito brutale come un Crowbar potrebbe essere di sicura efficacia.
Intendevo proprio questo:
elektronik ha scritto:Questo circuito dovrebbe essere più sicuro...
Se quello che funziona basta non lo tocca' sennò te lassa!
0
voti
Certo, quel circuito funziona e protegge molta elettronica robusta.
Non protegge elettronica più delicata.
Senza arrivare a dover proteggere FPGA, che hanno circuiti di protezione mostruosi, un circuito che usi un part number tipo questo, per esempio, mi sembra semplice e davvero efficace.
Oggi non vedo la convenienza ad utilizzare componenti discreti quando con poco si può fare un circuito ottimo (guarda le specifiche sui tempi di intervento sul datasheet!) con poco.
Diverso è il caso se vuoi fare diversi circuiti per testarli e acquisire esperienza sui crowbar.
Ciao,
Pietro.
Non protegge elettronica più delicata.
Senza arrivare a dover proteggere FPGA, che hanno circuiti di protezione mostruosi, un circuito che usi un part number tipo questo, per esempio, mi sembra semplice e davvero efficace.
Oggi non vedo la convenienza ad utilizzare componenti discreti quando con poco si può fare un circuito ottimo (guarda le specifiche sui tempi di intervento sul datasheet!) con poco.
Diverso è il caso se vuoi fare diversi circuiti per testarli e acquisire esperienza sui crowbar.
Ciao,
Pietro.
-

PietroBaima
90,7k 7 12 13 - G.Master EY

- Messaggi: 12206
- Iscritto il: 12 ago 2012, 1:20
- Località: Londra
1
voti
Ciao Pietrobaima, grazie del pdf, molto interessante lo metterò da parte, non si sa mai. Spesso io tendo a prendere quello che ho nel cassetto per costruire il circuito ed è chiaro che devi accettare un certo compromesso.
-

elektronik
7.800 4 6 7 - Master

- Messaggi: 3836
- Iscritto il: 12 mag 2015, 22:26
0
voti
Personalmente adoro pensare circuiti da zero, mettendo io tutti componenti discreti.
Mi diverto molto a passare il mio tempo libero così e lo trovo anche molto istruttivo, quindi ti capisco.
Purtroppo però non posso competere con gli integrati, che uso quando devo garantire qualcosa.
Mi diverto molto a passare il mio tempo libero così e lo trovo anche molto istruttivo, quindi ti capisco.
Purtroppo però non posso competere con gli integrati, che uso quando devo garantire qualcosa.
-

PietroBaima
90,7k 7 12 13 - G.Master EY

- Messaggi: 12206
- Iscritto il: 12 ago 2012, 1:20
- Località: Londra
15 messaggi
• Pagina 1 di 2 • 1, 2
Chi c’è in linea
Visitano il forum: Nessuno e 259 ospiti

Elettrotecnica e non solo (admin)
Un gatto tra gli elettroni (IsidoroKZ)
Esperienza e simulazioni (g.schgor)
Moleskine di un idraulico (RenzoDF)
Il Blog di ElectroYou (webmaster)
Idee microcontrollate (TardoFreak)
PICcoli grandi PICMicro (Paolino)
Il blog elettrico di carloc (carloc)
DirtEYblooog (dirtydeeds)
Di tutto... un po' (jordan20)
AK47 (lillo)
Esperienze elettroniche (marco438)
Telecomunicazioni musicali (clavicordo)
Automazione ed Elettronica (gustavo)
Direttive per la sicurezza (ErnestoCappelletti)
EYnfo dall'Alaska (mir)
Apriamo il quadro! (attilio)
H7-25 (asdf)
Passione Elettrica (massimob)
Elettroni a spasso (guidob)
Bloguerra (guerra)



pigreco]=π