Cos'è ElectroYou | Login Iscriviti

ElectroYou - la comunità dei professionisti del mondo elettrico

Guitar output switch

Elettronica lineare e digitale: didattica ed applicazioni

Moderatori: Foto Utentecarloc, Foto Utenteg.schgor, Foto UtenteBrunoValente, Foto UtenteIsidoroKZ

0
voti

[11] Re: Guitar output switch

Messaggioda Foto Utenteedgar » 7 gen 2017, 22:00

ira83 ha scritto:secondo voi il shift register posso anche eliminarlo e sfruttare direttamente 4 uscite dell'attiny?

Puoi usare direttamente gli I/O dell'Attiny25 ma sarai un po' stretto con il numero di I/O in caso di evoluzioni future, oppure utilizzare un Attiny2313 o anche un ATmega ed avere più libertà. Il maggior costo è irrisorio e ti semplifichi la vita.
Avatar utente
Foto Utenteedgar
10,0k 4 5 8
Master
Master
 
Messaggi: 5229
Iscritto il: 15 set 2012, 22:59

0
voti

[12] Re: Guitar output switch

Messaggioda Foto Utenteira83 » 8 gen 2017, 13:52

Vi ringrazio per le dritte...
ho scartato a priori atmega perché l'idea è di fare una PCB, e di un micro cosi grande sarebbe solo un ostacolo per le piste.

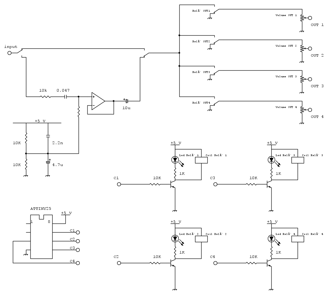
ho rivisto interamente il progetto (alimentazione totale di 5Vdc) e ho pensato di utilizzare solo l'attiny25 (probabilmente sarà l'attiny85 a progetto concluso) dove i singoli output hanno i seguenti lavori: alimentazione diretta della bobina e attivazione del BJT che attiva a sua volta il led... in questo modo spero di evitare il "pop" nella cassa audio al momento dello switch.

Che ve ne pare?

Come relay pensavo di utilizzare quattro di questi: Omron-G6E-134P-US-5
https://www.banzaimusic.com/Omron-G6E-134P-US-5.html

Rated Voltage: 5VDC
Must operate Voltage: 3,5VDC
Must release Voltage: 0,5VDC
Coil resistance: 125 ohm
Number of contact poles: SPDT
Max. Switching voltage: 30VDC
Max Switiching current: 2A


Avatar utente
Foto Utenteira83
45 1 7
Frequentatore
Frequentatore
 
Messaggi: 185
Iscritto il: 12 gen 2011, 16:56

0
voti

[13] Re: Guitar output switch

Messaggioda Foto Utenteedgar » 8 gen 2017, 20:29

ira83 ha scritto:i singoli output hanno i seguenti lavori: alimentazione diretta della bobina e attivazione del BJT che attiva a sua volta il led

Non ha senso alimentare col micro un carico da 40 mA e usare un buffer per un led che ne assorbirà forse 10. Usa il buffer per il relè con il relativo led in parallelo.
Avatar utente
Foto Utenteedgar
10,0k 4 5 8
Master
Master
 
Messaggi: 5229
Iscritto il: 15 set 2012, 22:59

0
voti

[14] Re: Guitar output switch

Messaggioda Foto Utenteira83 » 8 gen 2017, 20:42

edgar ha scritto:
ira83 ha scritto:i singoli output hanno i seguenti lavori: alimentazione diretta della bobina e attivazione del BJT che attiva a sua volta il led

Non ha senso alimentare col micro un carico da 40 mA e usare un buffer per un led che ne assorbirà forse 10. Usa il buffer per il relè con il relativo led in parallelo.


meglio? :lol:

Avatar utente
Foto Utenteira83
45 1 7
Frequentatore
Frequentatore
 
Messaggi: 185
Iscritto il: 12 gen 2011, 16:56

0
voti

[15] Re: Guitar output switch

Messaggioda Foto Utenteedgar » 8 gen 2017, 20:43

Decisamente :ok:
Avatar utente
Foto Utenteedgar
10,0k 4 5 8
Master
Master
 
Messaggi: 5229
Iscritto il: 15 set 2012, 22:59

Precedente

Torna a Elettronica generale

Chi c’è in linea

Visitano il forum: Nessuno e 167 ospiti