Grazie
Amplidina (metadinamo?)
Moderatori:
SandroCalligaro,
mario_maggi,
fpalone
3 messaggi
• Pagina 1 di 1
0
voti
Salve a tutti volevo chiedere se qualcuno può spiegarmi semplicemente l'amplidina, dato che le uniche informazioni che ho trovato sono in inglese e non riesco nemmero a capire come funziona in italiano...
Grazie

Grazie
-

AlbertoFracasso
0 2 - Messaggi: 26
- Iscritto il: 21 mag 2013, 14:21
1
voti
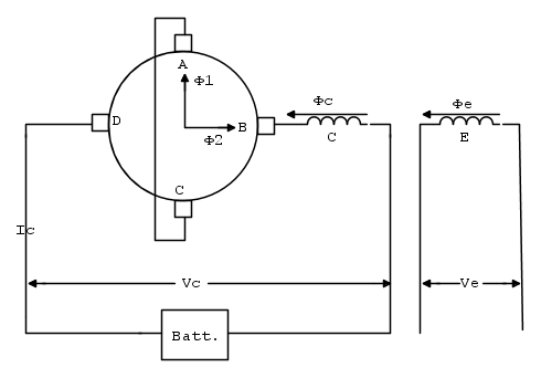
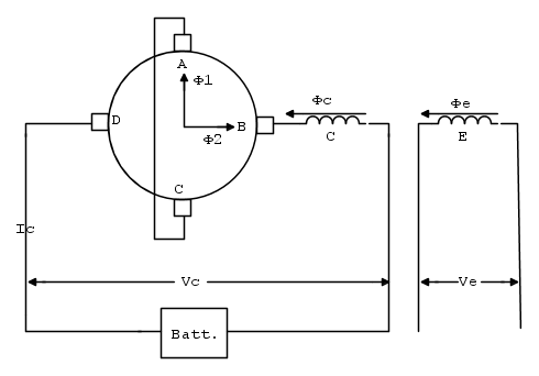
Come si rileva dallo schema di principio riportato, si tratta di una macchina a corrente continua con unico avvolgimento d’indotto bipolare a quattro spazzole disposte su due assi diametrali ortogonali fra loro: si suppone che tale avvolgimento sia del tipo embricato destroso e che l’indotto ruoti in senso orario.Salve a tutti volevo chiedere se qualcuno può spiegarmi semplicemente l'amplidina, dato che le uniche informazioni che ho trovato sono in inglese e non riesco nemmeno a capire come funziona in italiano...
Sui poli dello statore sono disposti l’avvolgimento di campo – detto “avvolgimento di controllo” – ad eccitazione indipendente, e l’avvolgimento C “compensatore” in serie con le spazzole B e D della macchina: entrambi gli avvolgimenti sono ad esse magnetico secondario.
Il principio di funzionamento è molto semplice: ai morsetti dell’avvolgimento E di controllo viene applicato il segnale da amplificare sotto forma di tensione Ve di ingresso. Sollecitato da tale tensione, l’avvolgimento E è attraversato da una corrente Ie la quale da luogo a una f.m.m. che sostiene un flusso ᶲe diretto secondo l’asse secondario di commutazione BD della macchina. Il flusso ᶲe si comporta come un flusso longitudinale rispetto alle spazzole A e C e induce tra di esse una f.e.m. E1. Poiché le spazzole primarie sono in corto-circuito, nell’indotto si determina la circolazione di una corrente I1 di valore molto elevato, poiché limitata dalla sola resistenza di armatura.
La metadinamo può funzionare da generatore di corrente continua applicando energia meccanica; oppure applicando corrente continua in energia meccanica. Ricordando i miei tempi, la metadinamo era applicata in una nota macchina (auto) si chiamava NSU PRINS, quindi funzionava da motorino d’avviamento e da dinamo per caricare la batteria.
Tratto da Macchine elettriche - Liguori editore – Appunti dalle lezioni del prof. Ing. M. Perez – raccolti e ordinati dal dott. Ing. I. Battistelli II volume.
-

StefanoSunda
2.885 3 6 10 - Master

- Messaggi: 1965
- Iscritto il: 16 set 2010, 19:29
0
voti
Vediamo se ho capito: se voglio impiegare l'amplidina per un sistema di regolazione della tensione vado ad alimentare il circuito di armatura mediante un RT (regolatore di tensione) che genera un segnale basato sul gap tra il riferimento e la tensione presente sulla linea. L'amplidina ha mezzo circuito di armatura aperto e mezzo in corto circuito proprio per realizzare una corrente più alta utile all'amplificazione; ora, è questa stessa corrente che uso per andare ad alimentare un ulteriore dinamo per la regolazione del sincrono o prendo quella del circuito di campo?
3 messaggi
• Pagina 1 di 1
Chi c’è in linea
Visitano il forum: Nessuno e 44 ospiti

Elettrotecnica e non solo (admin)
Un gatto tra gli elettroni (IsidoroKZ)
Esperienza e simulazioni (g.schgor)
Moleskine di un idraulico (RenzoDF)
Il Blog di ElectroYou (webmaster)
Idee microcontrollate (TardoFreak)
PICcoli grandi PICMicro (Paolino)
Il blog elettrico di carloc (carloc)
DirtEYblooog (dirtydeeds)
Di tutto... un po' (jordan20)
AK47 (lillo)
Esperienze elettroniche (marco438)
Telecomunicazioni musicali (clavicordo)
Automazione ed Elettronica (gustavo)
Direttive per la sicurezza (ErnestoCappelletti)
EYnfo dall'Alaska (mir)
Apriamo il quadro! (attilio)
H7-25 (asdf)
Passione Elettrica (massimob)
Elettroni a spasso (guidob)
Bloguerra (guerra)

