Salve a tutti.
Come da titolo ho un problema con un registro 74HC595 accoppiato ad un ULN2803A.
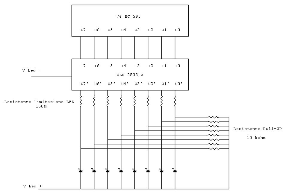
Lo schema di massima che utilizzo è il seguente:
Il problema è il seguente:
inviando i dati al registro, attivo in modo sequenziale le uscite del registro partendo da U7 verso U0. Attivo una singola uscita alla volta. I led collegati alle corrispettive uscite si accendono correttamente. Solo quando attivo l'uscita U0 del registro, mi si abilitano anche tutte le altre.
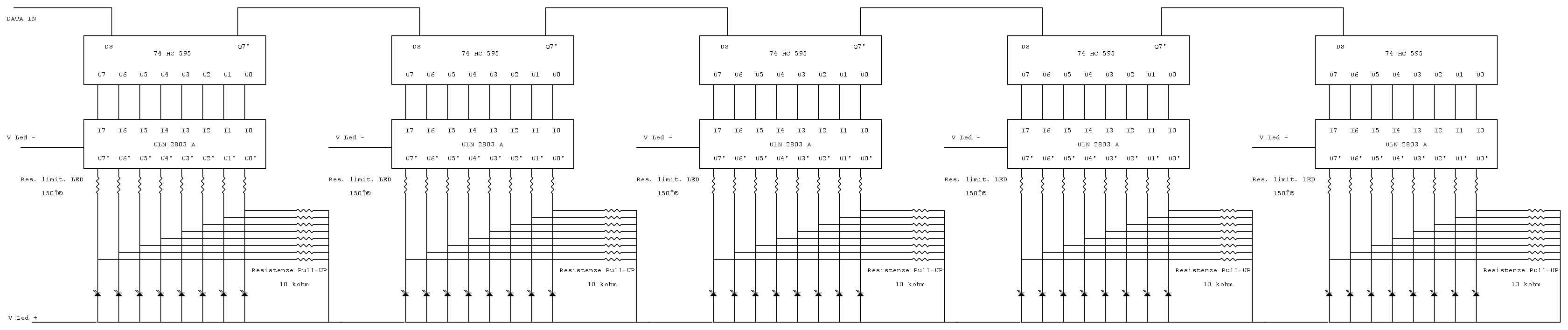
Il circuito è realizzato su millefori ed è costituito da 5 "blocchi" in cascata. Il problema è presente solo sul primo "blocco" della cascata. Gli altri funzionano correttamente. Ho controllato e non sembrano esserci contatti tra le uscite anchè perché se ci fosse stato, il problema doveva verificarsi anche quando abilitavo le altre uscite.
Qualcuno ha idea di dove sta l'inghippo?
Grazie mille
saluti
Problema con registro 74HC595 + ULN2803A
Moderatori:
carloc,
g.schgor,
BrunoValente,
IsidoroKZ
18 messaggi
• Pagina 1 di 2 • 1, 2
0
voti
Ora non ho studiato molto bene il tuo circuito, ma mi ricordo che, l'ULN2003, era un array di soli sette transistor, non otto come hai disegnato nello schema.
Sospetto che il tuo problema dovuto all'ottava uscita sia dovuto proprio a questo.
Controlla bene i datasheet di entrambi i componenti, credo che l'ottavo pin dell'array non sia un comune darlington, ma un ingresso di controllo, o qualcosa di simile.
Sospetto che il tuo problema dovuto all'ottava uscita sia dovuto proprio a questo.
Controlla bene i datasheet di entrambi i componenti, credo che l'ottavo pin dell'array non sia un comune darlington, ma un ingresso di controllo, o qualcosa di simile.
-

harpefalcata
326 1 3 6 - Stabilizzato

- Messaggi: 422
- Iscritto il: 28 lug 2015, 21:03
0
voti
Ciao
ULN2803A ha 8 uscite. (www.ti.com/lit/ds/symlink/uln2803a.pdf)
Poi come detto nel post, utilizzo 5 di questi circuiti in cascata. Gli altri 4 funzionano correttamente
ULN2803A ha 8 uscite. (www.ti.com/lit/ds/symlink/uln2803a.pdf)
Poi come detto nel post, utilizzo 5 di questi circuiti in cascata. Gli altri 4 funzionano correttamente
0
voti
Ops !! hai ragione !! Avevo letto 2003 invce di 2803.
Chiedo scusa.
A questo punto pubblica lo schema elettrico completo, il problema potrebbe essere altrove.
Chiedo scusa.
A questo punto pubblica lo schema elettrico completo, il problema potrebbe essere altrove.
-

harpefalcata
326 1 3 6 - Stabilizzato

- Messaggi: 422
- Iscritto il: 28 lug 2015, 21:03
0
voti
0
voti
E' inutile che mi replichi cinque circuiti identici.
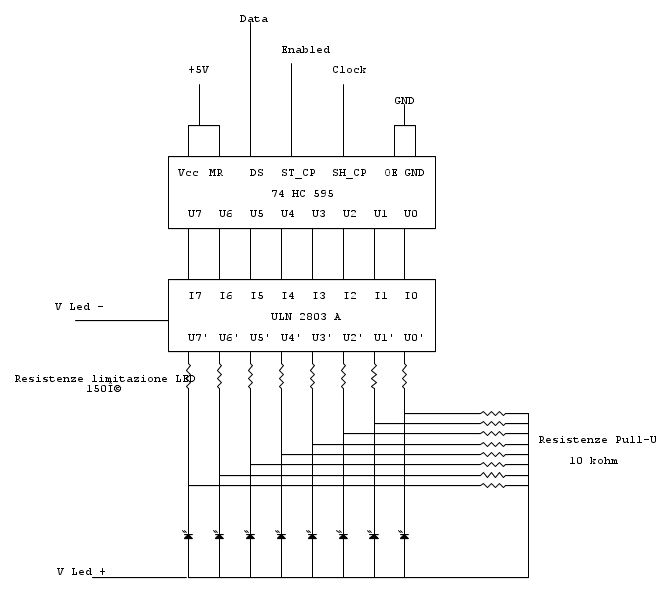
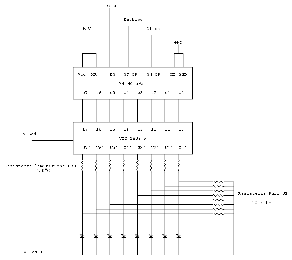
Con "posta il circuito completo" intendevo il circuito comprensivo anche della parte di controllo, che controlla il 595.
Come e chi genera i segnali che controllano il 595?
Con "posta il circuito completo" intendevo il circuito comprensivo anche della parte di controllo, che controlla il 595.
Come e chi genera i segnali che controllano il 595?
-

harpefalcata
326 1 3 6 - Stabilizzato

- Messaggi: 422
- Iscritto il: 28 lug 2015, 21:03
0
voti
Ok.
Arduino provvede a preparare i 5 byte e ad inviarli in modo seriale attraverso l'ingresso DS del registro.
Per quanto riguarda la parte software di arduino, ho già verificato che i byte che vengono preparati sono corretti.
Arduino provvede a preparare i 5 byte e ad inviarli in modo seriale attraverso l'ingresso DS del registro.
Per quanto riguarda la parte software di arduino, ho già verificato che i byte che vengono preparati sono corretti.
0
voti
Tanto per dirne una, il 595 ha anche altri pin di controllo.
Probabilmente nel codice di Arduino hai qualche ritardo o latenza che ti abilitano in ritardo un segnale e ti ritrovi con uno degli stadi che non funzionano nella maniera attesa.
Come gestisci gli altri segnali di controllo del 595: Output enable, Clock in e strobe?
Magari potrebbe essere un problema di tensioni?
Probabilmente nel codice di Arduino hai qualche ritardo o latenza che ti abilitano in ritardo un segnale e ti ritrovi con uno degli stadi che non funzionano nella maniera attesa.
Come gestisci gli altri segnali di controllo del 595: Output enable, Clock in e strobe?
Magari potrebbe essere un problema di tensioni?
-

harpefalcata
326 1 3 6 - Stabilizzato

- Messaggi: 422
- Iscritto il: 28 lug 2015, 21:03
0
voti
In arduino utilizzo questo codice:
(come detto prima ho già verificato che nei byte A,B,C,D,E i dati sono corretti)
digitalWrite(EnabledPin, LOW);
shiftOut(DataPin, ClockPin, LSBFIRST, E);
shiftOut(DataPin, ClockPin, LSBFIRST, D);
shiftOut(DataPin, ClockPin, LSBFIRST, C);
shiftOut(DataPin, ClockPin, LSBFIRST, B);
shiftOut(DataPin, ClockPin, LSBFIRST, A);
digitalWrite(EnabledPin, HIGH);
delay(10);
0
voti
Nella sequenza di istruzioni manca quella che riporta l'impulso di load del 595 a 0.
Ora, il problema è che sui datasheet di case diverse i segnali hanno nomi diversi.
In ogni caso manca quella istruzione.
Ora, il problema è che sui datasheet di case diverse i segnali hanno nomi diversi.
In ogni caso manca quella istruzione.
"La follia sta nel fare sempre la stessa cosa aspettandosi risultati diversi".
"Parla soltanto quando sei sicuro che quello che dirai è più bello del silenzio".
Rispondere è cortesia, ma lasciare l'ultima parola ai cretini è arte.
"Parla soltanto quando sei sicuro che quello che dirai è più bello del silenzio".
Rispondere è cortesia, ma lasciare l'ultima parola ai cretini è arte.
-

TardoFreak
73,9k 8 12 13 - -EY Legend-

- Messaggi: 15754
- Iscritto il: 16 dic 2009, 11:10
- Località: Torino - 3° pianeta del Sistema Solare
18 messaggi
• Pagina 1 di 2 • 1, 2
Chi c’è in linea
Visitano il forum: Nessuno e 167 ospiti

Elettrotecnica e non solo (admin)
Un gatto tra gli elettroni (IsidoroKZ)
Esperienza e simulazioni (g.schgor)
Moleskine di un idraulico (RenzoDF)
Il Blog di ElectroYou (webmaster)
Idee microcontrollate (TardoFreak)
PICcoli grandi PICMicro (Paolino)
Il blog elettrico di carloc (carloc)
DirtEYblooog (dirtydeeds)
Di tutto... un po' (jordan20)
AK47 (lillo)
Esperienze elettroniche (marco438)
Telecomunicazioni musicali (clavicordo)
Automazione ed Elettronica (gustavo)
Direttive per la sicurezza (ErnestoCappelletti)
EYnfo dall'Alaska (mir)
Apriamo il quadro! (attilio)
H7-25 (asdf)
Passione Elettrica (massimob)
Elettroni a spasso (guidob)
Bloguerra (guerra)



