Dico una banalità, ma per caso, hai provato a fisicamente scambiare 595 ed ULN, per verificar che, sfiga volendo,
non ce ne sia uno di diffettoso?
Problema con registro 74HC595 + ULN2803A
Moderatori:
carloc,
g.schgor,
BrunoValente,
IsidoroKZ
18 messaggi
• Pagina 2 di 2 • 1, 2
0
voti
Non so come ahi realizzato il tutto
Se gli integrati sono su zoccolo abbiamo già risolto
se la scheda e filata potresti invertire qualche filo per scambiare l'ordine in cui vengono caricati i componenti
Se il problema segue lo scambio allora è software se rimane dov'è è hardware.
Potresti anche caricare solo 8 bit e vedere cosa succede poi 16 ecc.
Se gli integrati sono su zoccolo abbiamo già risolto
se la scheda e filata potresti invertire qualche filo per scambiare l'ordine in cui vengono caricati i componenti
Se il problema segue lo scambio allora è software se rimane dov'è è hardware.
Potresti anche caricare solo 8 bit e vedere cosa succede poi 16 ecc.
-

luxinterior
4.311 3 4 9 - Master EY

- Messaggi: 2690
- Iscritto il: 6 gen 2016, 17:48
0
voti
Buongiorno a tutti.
Ho fatto delle verifiche al circuito. Prima di esporre i risultati volevo spiegarvi meglio alcune cose sul circuito.
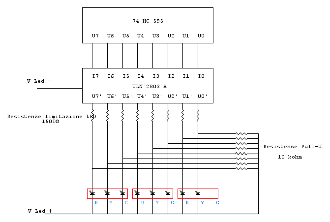
In pratica questo circuito è utilizzato in un plastico ferroviario per comandare l'accensione dei segnali ferroviari. Ogni segnale è costituito da un led RGY in SMD da 1x1 mm circa e montato all'interno del segnale.
Ho aggiornato lo schema elettrico raggruppando con i rettangoli rossi i singoli led SMD. Nell'utimo manca un led perché è collegato al registro successivo della cascata.
In pratica ho potuto verificare questo:
il led giallo collegato sull'uscita U0' risulta essere in corto circuito (e sarebbe una impresa da titani riuscirlo a sostituire).
Ho tolto l'ULN2803A e con un ponticello ho provveduto manualmente a portare il valore di VLed- sulle singole uscite in modo da simulare il comportamento del driver.
Attivando in modo sequenziale le uscite dalla U7' alla U1' nessun problema e i led ad essi collegati si accendo al pieno della luminosità. Quando alimento l'uscita U0' con il led collegato (in corto circuito) noto che il led collegato all'uscita U1' (Rosso) si accende con metà luminosità mentre gli altri led collegati si accendono con una luminosità minima.
Ho scollegato il led collegato alla U0' e ho ripetuto il test:
in questo caso il led rosso collegato alla U1' non si accende mentre gli altri led continuano ad accendersi con una luminosità minima.
Il problema alla fine in se per se lo risovo quando per ogni segnale ho un colore acceso (e deve funzionare così). In questo caso anche lasciando collegato il led giallo incriminato, il problema non c'è. Accade solo quando lascio gli altri led spenti.
Ho fatto delle verifiche al circuito. Prima di esporre i risultati volevo spiegarvi meglio alcune cose sul circuito.
In pratica questo circuito è utilizzato in un plastico ferroviario per comandare l'accensione dei segnali ferroviari. Ogni segnale è costituito da un led RGY in SMD da 1x1 mm circa e montato all'interno del segnale.
Ho aggiornato lo schema elettrico raggruppando con i rettangoli rossi i singoli led SMD. Nell'utimo manca un led perché è collegato al registro successivo della cascata.
In pratica ho potuto verificare questo:
il led giallo collegato sull'uscita U0' risulta essere in corto circuito (e sarebbe una impresa da titani riuscirlo a sostituire).
Ho tolto l'ULN2803A e con un ponticello ho provveduto manualmente a portare il valore di VLed- sulle singole uscite in modo da simulare il comportamento del driver.
Attivando in modo sequenziale le uscite dalla U7' alla U1' nessun problema e i led ad essi collegati si accendo al pieno della luminosità. Quando alimento l'uscita U0' con il led collegato (in corto circuito) noto che il led collegato all'uscita U1' (Rosso) si accende con metà luminosità mentre gli altri led collegati si accendono con una luminosità minima.
Ho scollegato il led collegato alla U0' e ho ripetuto il test:
in questo caso il led rosso collegato alla U1' non si accende mentre gli altri led continuano ad accendersi con una luminosità minima.
Il problema alla fine in se per se lo risovo quando per ogni segnale ho un colore acceso (e deve funzionare così). In questo caso anche lasciando collegato il led giallo incriminato, il problema non c'è. Accade solo quando lascio gli altri led spenti.
0
voti
agatino scusa ma perché hai messo in parallelo a ogni led una resistenza da 10K ?
-

luxinterior
4.311 3 4 9 - Master EY

- Messaggi: 2690
- Iscritto il: 6 gen 2016, 17:48
0
voti
ciao.
Ho messo le resistenze da 10K perché nella prima versione del circuito che avevo fatto (senza queste resistenze) quando il 595 dava 0 come uscita, il relativo ULN2308 lasciava il led a un potenziale indefinito/fluttuante facendo accendere i led con un effetto "tremolante". Con le resistenze di pullup da 10K nel caso di uscita a 0 riporto la Vled+ in modo da tenere spento il led.
Ho messo le resistenze da 10K perché nella prima versione del circuito che avevo fatto (senza queste resistenze) quando il 595 dava 0 come uscita, il relativo ULN2308 lasciava il led a un potenziale indefinito/fluttuante facendo accendere i led con un effetto "tremolante". Con le resistenze di pullup da 10K nel caso di uscita a 0 riporto la Vled+ in modo da tenere spento il led.
0
voti
Aspetta un attimo, che qua mi viene un dubbio: non è che hai collegato anche il piedino "COM" (pin 10)?
Se sì, se è collegato a qualcosa di diverso dalla tensione di alimentazione dei led, "V LED+" nel tuo disegno, potrebbe darti problemi.
Prendendo come riferimento il Datasheet ULN2803A texas Vedi pagina 10 sez 9.3
Poi se effettivamente tu lo avessi collegato a "V led+", non ti sarebbero servite le resistenze da 10k...
Se sì, se è collegato a qualcosa di diverso dalla tensione di alimentazione dei led, "V LED+" nel tuo disegno, potrebbe darti problemi.
Prendendo come riferimento il Datasheet ULN2803A texas Vedi pagina 10 sez 9.3
Poi se effettivamente tu lo avessi collegato a "V led+", non ti sarebbero servite le resistenze da 10k...
- Codice: Seleziona tutto
[code=php]per il codice a colori[/code]
18 messaggi
• Pagina 2 di 2 • 1, 2
Chi c’è in linea
Visitano il forum: Google Adsense [Bot] e 198 ospiti

Elettrotecnica e non solo (admin)
Un gatto tra gli elettroni (IsidoroKZ)
Esperienza e simulazioni (g.schgor)
Moleskine di un idraulico (RenzoDF)
Il Blog di ElectroYou (webmaster)
Idee microcontrollate (TardoFreak)
PICcoli grandi PICMicro (Paolino)
Il blog elettrico di carloc (carloc)
DirtEYblooog (dirtydeeds)
Di tutto... un po' (jordan20)
AK47 (lillo)
Esperienze elettroniche (marco438)
Telecomunicazioni musicali (clavicordo)
Automazione ed Elettronica (gustavo)
Direttive per la sicurezza (ErnestoCappelletti)
EYnfo dall'Alaska (mir)
Apriamo il quadro! (attilio)
H7-25 (asdf)
Passione Elettrica (massimob)
Elettroni a spasso (guidob)
Bloguerra (guerra)




