Cos'è ElectroYou | Login Iscriviti

ElectroYou - la comunità dei professionisti del mondo elettrico

Rete trifase simmetrica ed equilibrata

Circuiti, campi elettromagnetici e teoria delle linee di trasmissione e distribuzione dell’energia elettrica

Moderatori: Foto Utenteg.schgor, Foto UtenteIsidoroKZ

0
voti

[71] Re: Rete trifase simmetrica ed equilibrata

Messaggioda Foto UtenteSimoneLP » 22 gen 2017, 13:50

admin ha scritto:Se c'è da credere al primo schema c'è un cortocircuito netto trifase.
La rete resiste perché ideale, nel ramo RC non c'è corrente e la tensione del voltmetro è la concatenata tra i fili 2 e 3.


No ho specificato anche che non è corto circuito perché non sapevo ruotare di 45° la R e la Xc.
Avatar utente
Foto UtenteSimoneLP
25 4
Frequentatore
Frequentatore
 
Messaggi: 109
Iscritto il: 17 ott 2016, 9:08

0
voti

[72] Re: Rete trifase simmetrica ed equilibrata

Messaggioda Foto Utenteadmin » 22 gen 2017, 14:13

E perché vuoi ruotare a 45°?

Avatar utente
Foto Utenteadmin
196,6k 9 12 17
Manager
Manager
 
Messaggi: 11950
Iscritto il: 6 ago 2004, 13:14

0
voti

[73] Re: Rete trifase simmetrica ed equilibrata

Messaggioda Foto UtenteSimoneLP » 22 gen 2017, 14:21

Sì giusto così.

Comunque va bene, ho capito un po'.
Io ho fatto una LKT esterna piuttosto che interna, ma effettivamente come hai fatto tu è più semplice da vedere.
Avatar utente
Foto UtenteSimoneLP
25 4
Frequentatore
Frequentatore
 
Messaggi: 109
Iscritto il: 17 ott 2016, 9:08

0
voti

[74] Re: Rete trifase simmetrica ed equilibrata

Messaggioda Foto UtenteSimoneLP » 22 gen 2017, 19:53

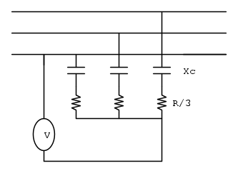
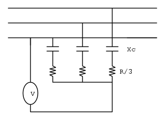
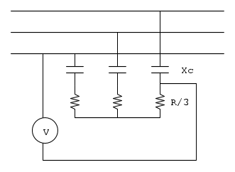
Ma per quanto riguarda la lettura di questo voltmetro:



posso trasformare in:



e dire quindi che il voltmetro legge la tensione di linea con impedenza (R/3 - jXc) ?
Avatar utente
Foto UtenteSimoneLP
25 4
Frequentatore
Frequentatore
 
Messaggi: 109
Iscritto il: 17 ott 2016, 9:08

1
voti

[75] Re: Rete trifase simmetrica ed equilibrata

Messaggioda Foto Utenteadmin » 22 gen 2017, 20:09

Avatar utente
Foto Utenteadmin
196,6k 9 12 17
Manager
Manager
 
Messaggi: 11950
Iscritto il: 6 ago 2004, 13:14

1
voti

[76] Re: Rete trifase simmetrica ed equilibrata

Messaggioda Foto UtenteIsidoroKZ » 22 gen 2017, 20:35

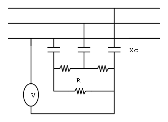
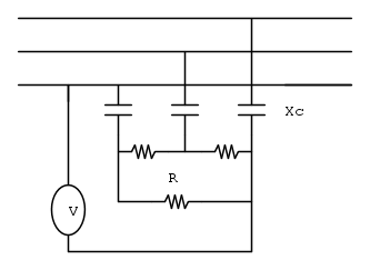
E questi sono i passi da fare. Ho spostato SOLO GRAFICAMENTE il punto di misura, in modo che sia evidente che e` FUORI dalla parte di rete di cui fai l'equivalente triangolo stella.



Poi si fa la trasformazione triangolo stella e i conti diventano piu` facili.
Per usare proficuamente un simulatore, bisogna sapere molta più elettronica di lui
Plug it in - it works better!
Il 555 sta all'elettronica come Arduino all'informatica! (entrambi loro malgrado)
Se volete risposte rispondete a tutte le mie domande
Avatar utente
Foto UtenteIsidoroKZ
121,2k 1 3 8
G.Master EY
G.Master EY
 
Messaggi: 21059
Iscritto il: 17 ott 2009, 0:00

0
voti

[77] Re: Rete trifase simmetrica ed equilibrata

Messaggioda Foto UtenteSimoneLP » 22 gen 2017, 20:56

Perdonatemi, non ho capito perché devo estendere in quel modo la lettura del voltmetro.
Forse mi faccio ingannare troppo dalla vista a triangolo: se un morsetto del voltmetro è posto ai lati di un lato del triangolo, esso è come se fosse posto tra l'impedenza del triangolo e quella fuori triangolo quindi ?
Avatar utente
Foto UtenteSimoneLP
25 4
Frequentatore
Frequentatore
 
Messaggi: 109
Iscritto il: 17 ott 2016, 9:08

0
voti

[78] Re: Rete trifase simmetrica ed equilibrata

Messaggioda Foto UtenteIsidoroKZ » 22 gen 2017, 21:33

COnsidera la risposta a queste tre domande.

1) Fra il tuo circuito originale del messaggio [74] e il mio primo circuito (messaggio [76]) ci sono differenze topologiche? Collegamenti diversi?

2) Dentro all'ellisse gialla c'e` tutto e soltanto un triangolo?

3) Se trasformo il triangolo in stella, e TUTTO IL RESTO del circuito non se ne accorge, per definizione di equivalente, il voltmetro si accorge del cambiamento?
Per usare proficuamente un simulatore, bisogna sapere molta più elettronica di lui
Plug it in - it works better!
Il 555 sta all'elettronica come Arduino all'informatica! (entrambi loro malgrado)
Se volete risposte rispondete a tutte le mie domande
Avatar utente
Foto UtenteIsidoroKZ
121,2k 1 3 8
G.Master EY
G.Master EY
 
Messaggi: 21059
Iscritto il: 17 ott 2009, 0:00

0
voti

[79] Re: Rete trifase simmetrica ed equilibrata

Messaggioda Foto UtenteSimoneLP » 22 gen 2017, 22:09

Le mie perplessità sono dovute a due questioni:

- nel cambiamento effettuato da te, il voltmetro ''abbraccia'' due volte la R/3 ed una volta Xc. Mentre il voltmetro ''abbraccia' un Xc ed una R, in situazione di triangolo.. Credo cambi un bel po', non trovi?

- quel voltmetro è un dato dell'esercizio, chiaramente dato in valore efficace. Anche per questo ho pensato leggesse la tensione stellata, perché se mi da il valore assoluto di quel risultato di LKT, praticamente non mi da nulla di utilizzabile.
Avatar utente
Foto UtenteSimoneLP
25 4
Frequentatore
Frequentatore
 
Messaggi: 109
Iscritto il: 17 ott 2016, 9:08

1
voti

[80] Re: Rete trifase simmetrica ed equilibrata

Messaggioda Foto UtenteIsidoroKZ » 22 gen 2017, 22:23

Nel mio messaggio c'erano 4 punti interrogativi, non ho visto 4 risposte.

Aggiungo una domanda. Considera i due circuiti del messaggio [76]. Nei condensatori dei due circuiti passa la stessa corrente o passano correnti diverse?

Il verbo abbracciare in elettrotecnica non viene usato. Prova a disegnare le maglie di cui parli.
Per usare proficuamente un simulatore, bisogna sapere molta più elettronica di lui
Plug it in - it works better!
Il 555 sta all'elettronica come Arduino all'informatica! (entrambi loro malgrado)
Se volete risposte rispondete a tutte le mie domande
Avatar utente
Foto UtenteIsidoroKZ
121,2k 1 3 8
G.Master EY
G.Master EY
 
Messaggi: 21059
Iscritto il: 17 ott 2009, 0:00

PrecedenteProssimo

Torna a Elettrotecnica generale

Chi c’è in linea

Visitano il forum: Nessuno e 12 ospiti