Cos'è ElectroYou | Login Iscriviti

ElectroYou - la comunità dei professionisti del mondo elettrico

Guida disegno e implementazione PCB

Tecniche per la costruzione e la riparazione di apparecchiature elettriche e non. Ricerca guasti. Adattamenti e riutilizzazioni
0
voti

[51] Re: Guida disegno e implementazione PCB

Messaggioda Foto Utenteedgar » 17 gen 2017, 21:30

TizianoLappa ha scritto:Il tracking è questo...:

Almeno il tuo si sa dov'è. Ho a mia volta un pacco in arrivo dall'ucraina di cui non si sa più nulla dal 21/12 dopo essere partito dall'ucraina :cry:

Le poste in lombardia, nonostante la faccia di bronzo di certi dirigenti che, intervistati , affermano che tutto è regolare, hanno un arretrato da paura
Avatar utente
Foto Utenteedgar
10,0k 4 5 8
Master
Master
 
Messaggi: 5229
Iscritto il: 15 set 2012, 22:59

0
voti

[52] Re: Guida disegno e implementazione PCB

Messaggioda Foto UtenteTizianoLappa » 23 gen 2017, 13:18

Rieccomi ancora qui.
Premetto che sono ancora in attesa delle valvole! ?%

In questi giorni, dopo l'incontro col buon Foto Utenteabusivo, ho ricontrollato lo schema in cerca di errori nei collegamenti.
In effetti ne ho trovato uno.
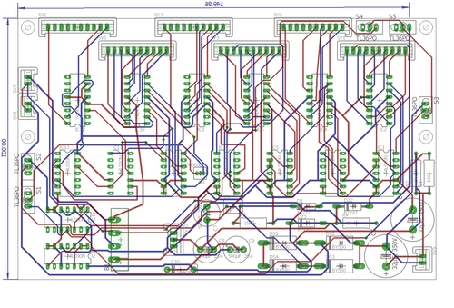
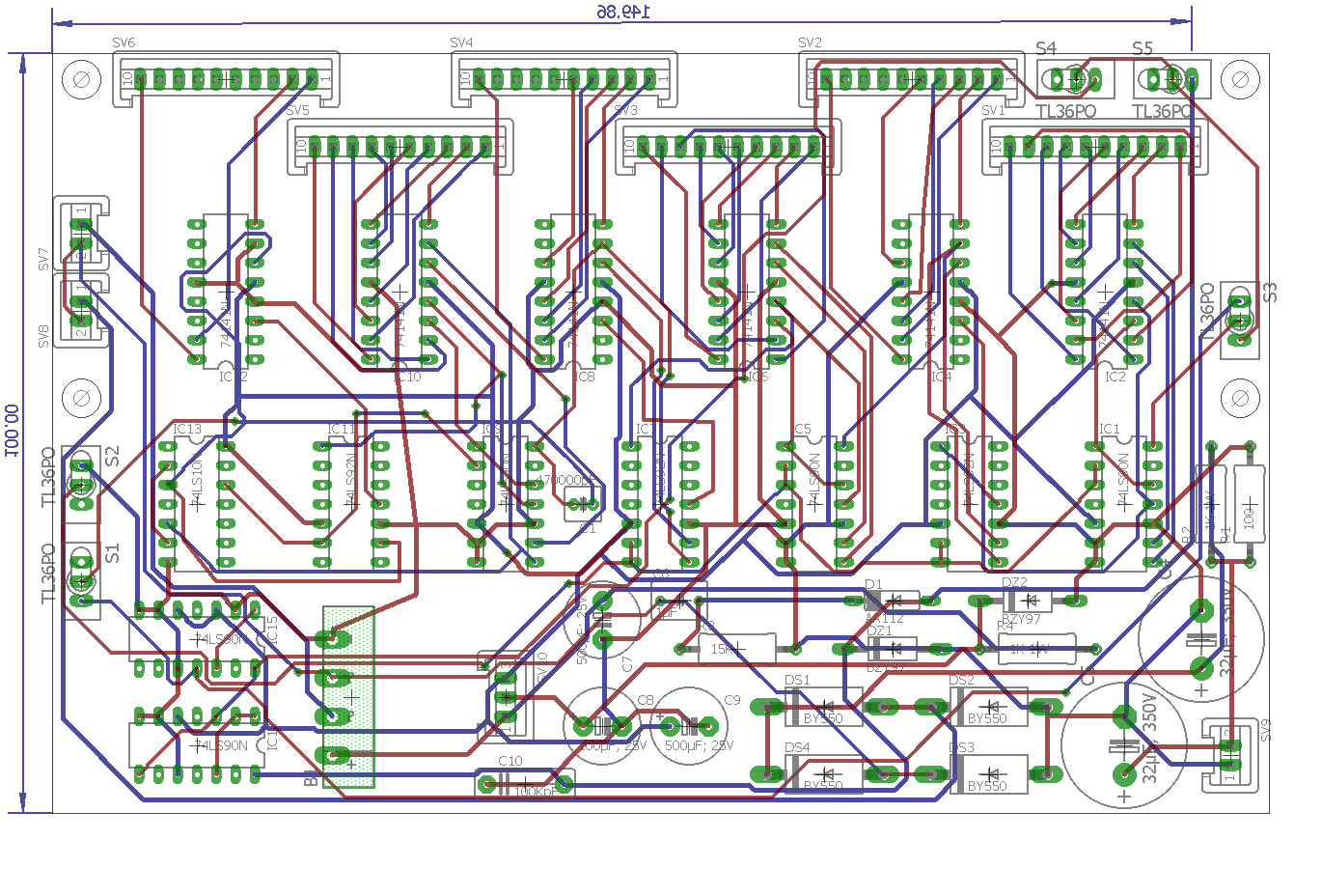
Ho colto l'occasione per ridisegnare la PCB dei driver adottando quanto più mi è stato possibile anche i consigli che mi sono stati dati.
Il risultato ve lo posto.
Resto in attesa dei vostri indispensabili commenti prima di procedere a iniziare a buttare piastre ramate! :D
Grazie a tutti,
Tiziano
Allegati
NixieClock_Driver.png
Stadio Driver
NixieClock_IN-14.png
Stadio Nixie
Avatar utente
Foto UtenteTizianoLappa
637 1 2 6
Expert
Expert
 
Messaggi: 392
Iscritto il: 9 apr 2014, 10:57

0
voti

[53] Re: Guida disegno e implementazione PCB

Messaggioda Foto Utentesetteali » 23 gen 2017, 13:26

ciao,
ma tra IC12 & IC13 non ci sono degli intrecci blu?

La basetta delle nixie si potrebbe fare ad un solo layer.
:mrgreen:
O_/
Alex
https://www.facebook.com/Elettronicaeelettrotecnica

<< vedi di pigliare arditamente in mano, il dizionario che ti suona in bocca,
se non altro è schietto e paesano.
(Giuseppe Giusti) <<
Avatar utente
Foto Utentesetteali
11,9k 5 5 9
Master
Master
 
Messaggi: 5921
Iscritto il: 15 dic 2013, 21:09

0
voti

[54] Re: Guida disegno e implementazione PCB

Messaggioda Foto UtenteTizianoLappa » 23 gen 2017, 13:43

Grazie Foto Utentesetteali
I layer sotto è finto.
La basetta che ho io è single layer, ma per far il route delle piste ho dovuto far finta che erano due.
Tutto quello che è blu saranno fili saldati.
La basetta delle nixie era single layer ma quando ho aumentato la distanza delle piste è diventata double....
Come faccio adesso a eliminare le piste sotto?


p.s. a chi volesse cimentarsi per passatempo a richiesta metto a disposizione i progetti Eagle :D
Avatar utente
Foto UtenteTizianoLappa
637 1 2 6
Expert
Expert
 
Messaggi: 392
Iscritto il: 9 apr 2014, 10:57

0
voti

[55] Re: Guida disegno e implementazione PCB

Messaggioda Foto Utenteedgar » 23 gen 2017, 13:45

Se le basette le realizzerai tu e non sei in grado di realizzare fori metallizzati, il layout non è adatto.
A parte che l'autorouter traccia piste inguardabili, se non è impostato correttamente fa pure stupidate come questa:

NixieClock_Driver.png
NixieClock_Driver.png (9.85 KiB) Osservato 3563 volte


C'è tutto lo spazio per una pista lato rame ma lui l'ha tracciata sulla facciata superiore e tutto sommato si può ancora sopravvivere. La cosa più critica è come farai a saldare il pin 10 del connettore se la pista è pure sul lato superiore, sotto al connettore. O hai un foro metallizzato oppure non la saldi. Ti conviene rivedere il tutto tenendo presenta che salderai solo dal lato inferiore.
Dimenticavo: esegui anche un controllo degli errori, a occhio ci sono piste sovrapposte
Avatar utente
Foto Utenteedgar
10,0k 4 5 8
Master
Master
 
Messaggi: 5229
Iscritto il: 15 set 2012, 22:59

0
voti

[56] Re: Guida disegno e implementazione PCB

Messaggioda Foto UtenteTizianoLappa » 23 gen 2017, 13:50

Grazie Foto Utenteedgar dell'intervento ma non l'ho capito.
Spiego i colori delle piste perché non l'ho detto prima e forse crea confusione.
Le tracce rosse che vedi sono lato rame.
Le tracce blu sarebbero il lato non ramato, e in teoria le dovrei costruire con dei fili.
Detto questo, se non ho capito il commento, me lo rispieghi per favore?
Grazie,
Tiziano.
Avatar utente
Foto UtenteTizianoLappa
637 1 2 6
Expert
Expert
 
Messaggi: 392
Iscritto il: 9 apr 2014, 10:57

0
voti

[57] Re: Guida disegno e implementazione PCB

Messaggioda Foto Utentesetteali » 23 gen 2017, 14:05

ah va bene, se usi i collegamenti con i fili.

Edgar, intendeva che il pin 10 quando lo devi saldare alla pista, ti ci trovi il connettore sopra e non ce la fai.

IN effetti eagle non è facile da usare per fare dei prototipi, anch'io sto cercando di usarlo, ma è duro...

Ho sempre usato e sto ancora usando sprint-layout , però credo che si possa usare benissimo " fidocadj ", dovrò guardare :mrgreen:

O_/
Alex
https://www.facebook.com/Elettronicaeelettrotecnica

<< vedi di pigliare arditamente in mano, il dizionario che ti suona in bocca,
se non altro è schietto e paesano.
(Giuseppe Giusti) <<
Avatar utente
Foto Utentesetteali
11,9k 5 5 9
Master
Master
 
Messaggi: 5921
Iscritto il: 15 dic 2013, 21:09

0
voti

[58] Re: Guida disegno e implementazione PCB

Messaggioda Foto Utenteabusivo » 23 gen 2017, 14:07

TizianoLappa ha scritto:...prima di procedere a iniziare a buttare piastre ramate!...

E speriamo che i danni si limitino solo in questo caso!
Se quello che funziona basta non lo tocca' sennò te lassa!
Avatar utente
Foto Utenteabusivo
13,3k 4 7 10
Master
Master
 
Messaggi: 7008
Iscritto il: 16 ott 2012, 18:43
Località: L'Aquila

0
voti

[59] Re: Guida disegno e implementazione PCB

Messaggioda Foto Utenteedgar » 23 gen 2017, 14:27

TizianoLappa ha scritto:Le tracce rosse che vedi sono lato rame.
Le tracce blu sarebbero il lato non ramato, e in teoria le dovrei costruire con dei fili.

I colori di default di Eagle sono blu per il lato inferiore (lato rame) e rosso per il superiore (lato componenti), se li hai invertiti ricordati che quando stamperai il master dovrai stamparlo speculare. Ti converrebbe uniformarti alle convenzioni di eagle, così se ti imbatti in un progetto non avrai problemi di interpretazione. Detto questo, a occhio ci sono troppe piste da tirare a mano, con un po' di studio spesso (quasi sempre) la nostra manina è più brava dell'autorouter e ti permette di ridurre al minimo le connessioni volanti.
Avatar utente
Foto Utenteedgar
10,0k 4 5 8
Master
Master
 
Messaggi: 5229
Iscritto il: 15 set 2012, 22:59

0
voti

[60] Re: Guida disegno e implementazione PCB

Messaggioda Foto Utenteedgar » 23 gen 2017, 14:31

setteali ha scritto:IN effetti eagle non è facile da usare per fare dei prototipi, anch'io sto cercando di usarlo, ma è duro...

Non è nemmeno complicatissimo dai :ok: , ho imparato anch'io da zero. Il vantaggio di eagle è che una volta disegnato (correttamente) lo schema elettrico, nella finestra del il circuito stampato vengono visualizzati i collegamenti tra i vari pin e non si può sbagliare.
Avatar utente
Foto Utenteedgar
10,0k 4 5 8
Master
Master
 
Messaggi: 5229
Iscritto il: 15 set 2012, 22:59

PrecedenteProssimo

Torna a Costruzione, riparazione, riutilizzo

Chi c’è in linea

Visitano il forum: Nessuno e 28 ospiti