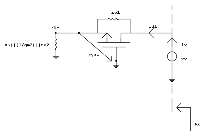
Ho pensato di utilizzare come al solito, la definizione di resistenza di uscita:
1)Rendo passiva la rete, cortocircuitando vin(t);
2)In maniera tale da ottenere il parallelo tra Rs e ((1/gm2)||ro2)
3)Inserisco alla sezione desiderata un generatore di test costante vx, attraversato da una corrent ix.
Ora ho problemi con questa configurazione ad individuare la vx e la ix, mi successe già con lo stadio con
i transistor BJT (uguale costituzione del circuiti solo che al posto del MOS c'era il BJT) e non sono riuscito a ragionarci sopra.
Come posso scrivere vx e ix in funzione dei parametri evidenziati nel circuito?
Il risultato è:


Elettrotecnica e non solo (admin)
Un gatto tra gli elettroni (IsidoroKZ)
Esperienza e simulazioni (g.schgor)
Moleskine di un idraulico (RenzoDF)
Il Blog di ElectroYou (webmaster)
Idee microcontrollate (TardoFreak)
PICcoli grandi PICMicro (Paolino)
Il blog elettrico di carloc (carloc)
DirtEYblooog (dirtydeeds)
Di tutto... un po' (jordan20)
AK47 (lillo)
Esperienze elettroniche (marco438)
Telecomunicazioni musicali (clavicordo)
Automazione ed Elettronica (gustavo)
Direttive per la sicurezza (ErnestoCappelletti)
EYnfo dall'Alaska (mir)
Apriamo il quadro! (attilio)
H7-25 (asdf)
Passione Elettrica (massimob)
Elettroni a spasso (guidob)
Bloguerra (guerra)




in funzione di
, l'impedenza è data dal loro rapporto.
e su
. Il generatore pilotato vale
.

ai capi di 






e con un po' di algebra
ecc. ecc.



