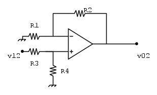
Come vedete ho un semplice amplificatore differenziale ideale di cui devo calcolare la tensione di uscita
secondo la regola della sovrapposizione degli effetti (il calcolo della
è banale. La formula è ovviamente questa:
La mia difficoltà è individuare sul piano le tensioni e capire come cambiano in base a come mi sposto su di esso, ad esempio, se faccio un partitore di tensione tra la tensione
di ingresso e le due resistenze
ed
, qual è il punto in cui si trova la tensione equivalente?Grazie in anticipo.

Elettrotecnica e non solo (admin)
Un gatto tra gli elettroni (IsidoroKZ)
Esperienza e simulazioni (g.schgor)
Moleskine di un idraulico (RenzoDF)
Il Blog di ElectroYou (webmaster)
Idee microcontrollate (TardoFreak)
PICcoli grandi PICMicro (Paolino)
Il blog elettrico di carloc (carloc)
DirtEYblooog (dirtydeeds)
Di tutto... un po' (jordan20)
AK47 (lillo)
Esperienze elettroniche (marco438)
Telecomunicazioni musicali (clavicordo)
Automazione ed Elettronica (gustavo)
Direttive per la sicurezza (ErnestoCappelletti)
EYnfo dall'Alaska (mir)
Apriamo il quadro! (attilio)
H7-25 (asdf)
Passione Elettrica (massimob)
Elettroni a spasso (guidob)
Bloguerra (guerra)






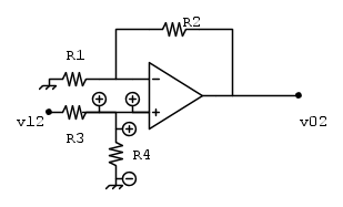
trovi
?

che misuri all'ingresso non invertente è la stessa su tutto il tratto rosso. 



