tracce e quesiti d'esame vari:reti in c.a.s.,circuti trifase
Moderatori:
g.schgor,
IsidoroKZ
3
voti
Sì, infatto confermato dalla simulazione
Qui le fasi delle correnti sono edpresse in radianti
(per facilitare la sritturra dei fasori)
La somma delle 3 correnti dà infatti quella centrale
Qui le fasi delle correnti sono edpresse in radianti
(per facilitare la sritturra dei fasori)
La somma delle 3 correnti dà infatti quella centrale
0
voti
Ok grazie !!!
Ora per la potenza attiva totale assorbita dai tre carichi ho fatto cosi':

Del carico
ovvero il carico squilibrato ho considerato solo la potenza assorbita da 

Dove
Ora per la potenza attiva totale assorbita dai tre carichi ho fatto cosi':

Del carico
ovvero il carico squilibrato ho considerato solo la potenza assorbita da 

Dove

0
voti
Ok domani mattina ricontrollo i calcoli...la ringrazio immensamente davvero!
Se possibile domani mattina vorrei farle vedere due problemi che ho in sospeso...
Se possibile domani mattina vorrei farle vedere due problemi che ho in sospeso...
0
voti
g.schgor ha scritto:Dalla somma delle potenze attive dissipate
risulta una Ptot=36kW (c'è un errore
in I3 : 4.16A e non 44)
Si considera la corrente di lato
che scorre nella resistenza 
Ho capito l'errore ! Grazie
0
voti
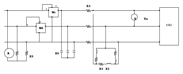
ecco il primo
l'ho svolto e mi piacerebbe confrontare i risultati...
Per il circuito in figura, alimentato da una terna di tensioni diretta, determinare:
l'indicazione del wattmetro 
l'indicazione del voltmetro 
l'indicazione dell' amperometro 
2.4)i fasori delle correnti di alimentazione
DATI





l'ho svolto e mi piacerebbe confrontare i risultati...
Per il circuito in figura, alimentato da una terna di tensioni diretta, determinare:
l'indicazione del wattmetro 
l'indicazione del voltmetro 
l'indicazione dell' amperometro 
2.4)i fasori delle correnti di alimentazione
DATI





Ultima modifica di
musica94 il 8 feb 2017, 12:13, modificato 1 volta in totale.
0
voti
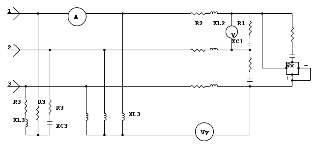
questo lo trovo davvero difficile...infatti non sono riuscita a risolverlo.
Il circuito in figura, alimentato da una terna simmetrica diretta di tensioni, è a regime sinusoidale.
2.1)Determinare l'indicazione del voltmetro (interruttori aperti)
2.2)il valore della resistenza
e della reattanza induttiva
(interruttori aperti);
2.3)la nuova lettura dei wattmetri
a carico squilibrato inserito (interruttori chiusi).
DATI
alimentazione ai morsetti 1-2-3:
(concatenata)
;
; (interruttori aperti) 
Il circuito in figura, alimentato da una terna simmetrica diretta di tensioni, è a regime sinusoidale.
2.1)Determinare l'indicazione del voltmetro (interruttori aperti)
2.2)il valore della resistenza
e della reattanza induttiva
(interruttori aperti);2.3)la nuova lettura dei wattmetri
a carico squilibrato inserito (interruttori chiusi).DATI
alimentazione ai morsetti 1-2-3:
(concatenata)
;
; (interruttori aperti) 
0
voti
poi un'ultimo dubbio riguarda solo il punto 2.3) di questo esercizio che ho svolto interamente...
in pratica si tratta della lettura dell'amperometro che si trova in un lato di un carico squilibrato dove non c'è impedenza! chi è la corrente lì? teoricamente non dovrebbe essere infinita?
dati








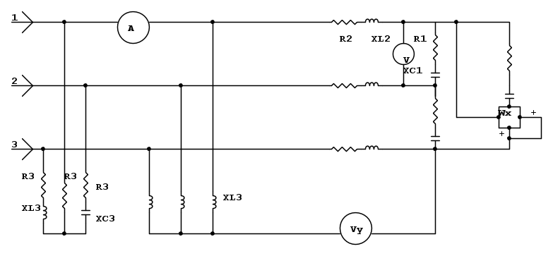
Il circuito in figura, alimentato da una terna simmetrica diretta di tensioni, è a regime sinusoidale.
2.1)Rifasare a
il carico 1-2-3, determinando il valore della capacità
associata alla reattanza
(connessione a stella, come in figura);
2.2)la lettura dei wattmetri
e 
2.3)la lettura
dell'amperometro.
in pratica si tratta della lettura dell'amperometro che si trova in un lato di un carico squilibrato dove non c'è impedenza! chi è la corrente lì? teoricamente non dovrebbe essere infinita?
dati








Il circuito in figura, alimentato da una terna simmetrica diretta di tensioni, è a regime sinusoidale.
2.1)Rifasare a
il carico 1-2-3, determinando il valore della capacità
associata alla reattanza
(connessione a stella, come in figura);2.2)la lettura dei wattmetri
e 
2.3)la lettura
dell'amperometro.3
voti
E cambiare univesita`? Ci sono dei docenti proprio tosti
(che ateneo e`? Spero almeno sia il corso di laurea in ingegneria elettrica!)
RIspondo solo all'ultimo problema, punto 2.3. L'amperometro ha una resistenza interna idealmente nulla, un cortocircuito, quindi lo schema diventa questo
Vedi che il nodo in giallo e` la fase R, e quindi le due resistenze sono percorse da una corrente pari a
e da
. Sommi vettorialmente queste due correnti e hai l'indicazione dell'amperometro.
Oppure si puo` fare in un altro modo, con un diagramma vettoriale e Thevenin.
Immagina di togliere l'amperometro e lasciare un circuito aperto
Le due resistenze uguali dividono a meta` la tensione fra le fasi S e T, e generano la tensione indicata dal punto rosso sul diagramma vettoriale. La tensione a vuoto e` data dal segmento azzurro, e dovrebbe essere pari a 1.5 volte la tensione stellata. La resistenza equivalente di Thevenin e` pari a R/2 (due resistenze in parallelo)
E quindi la corrente di cortocircuito, che e` quella che legge l'amperometro e` data dalla tensione stellata moltiplicata per 1.5 e divisa per R/2.
Disclaimer: io il trifase non lo so, non conosco le convenzioni per indicare le terne dirette e inverse, ma tanto qui non cambia nulla.
RIspondo solo all'ultimo problema, punto 2.3. L'amperometro ha una resistenza interna idealmente nulla, un cortocircuito, quindi lo schema diventa questo
Vedi che il nodo in giallo e` la fase R, e quindi le due resistenze sono percorse da una corrente pari a
e da
. Sommi vettorialmente queste due correnti e hai l'indicazione dell'amperometro. Oppure si puo` fare in un altro modo, con un diagramma vettoriale e Thevenin.
Immagina di togliere l'amperometro e lasciare un circuito aperto
Le due resistenze uguali dividono a meta` la tensione fra le fasi S e T, e generano la tensione indicata dal punto rosso sul diagramma vettoriale. La tensione a vuoto e` data dal segmento azzurro, e dovrebbe essere pari a 1.5 volte la tensione stellata. La resistenza equivalente di Thevenin e` pari a R/2 (due resistenze in parallelo)
E quindi la corrente di cortocircuito, che e` quella che legge l'amperometro e` data dalla tensione stellata moltiplicata per 1.5 e divisa per R/2.
Disclaimer: io il trifase non lo so, non conosco le convenzioni per indicare le terne dirette e inverse, ma tanto qui non cambia nulla.
Per usare proficuamente un simulatore, bisogna sapere molta più elettronica di lui
Plug it in - it works better!
Il 555 sta all'elettronica come Arduino all'informatica! (entrambi loro malgrado)
Se volete risposte rispondete a tutte le mie domande
Plug it in - it works better!
Il 555 sta all'elettronica come Arduino all'informatica! (entrambi loro malgrado)
Se volete risposte rispondete a tutte le mie domande
Torna a Elettrotecnica generale
Chi c’è in linea
Visitano il forum: Nessuno e 8 ospiti

Elettrotecnica e non solo (admin)
Un gatto tra gli elettroni (IsidoroKZ)
Esperienza e simulazioni (g.schgor)
Moleskine di un idraulico (RenzoDF)
Il Blog di ElectroYou (webmaster)
Idee microcontrollate (TardoFreak)
PICcoli grandi PICMicro (Paolino)
Il blog elettrico di carloc (carloc)
DirtEYblooog (dirtydeeds)
Di tutto... un po' (jordan20)
AK47 (lillo)
Esperienze elettroniche (marco438)
Telecomunicazioni musicali (clavicordo)
Automazione ed Elettronica (gustavo)
Direttive per la sicurezza (ErnestoCappelletti)
EYnfo dall'Alaska (mir)
Apriamo il quadro! (attilio)
H7-25 (asdf)
Passione Elettrica (massimob)
Elettroni a spasso (guidob)
Bloguerra (guerra)









