Guarda che c'è tutto, per assurdo quello che cerchi di sapere lo hai sotto gli occhi anche solo guardando le figure, senza leggere (ma ti consiglio di leggere tutto dall'inizio alla fine e con calma)
Vedi schema
http://www.instructables.com/id/building-the-poor-mans-mini-tesla-coil-slayer-exc/step6/The-all-important-schematic-and-how-to-build-it-sm/
E poi guarda la penultima immagine dell'ultima pagina (per vederla, l'immagine, devi cliccare su show all items stando sull'ultima pagina)
Poi posiziona il puntatore del mouse sui vari rettangolini che selezionano alcune parti della foto, leggi le didascalie e .... 3 2n.......... più chiaro di così
Certo le dimensioni della bobina non son paragonabili a quelle che hai realizzato, quindi mi sa che il progetto, di suo, è nato per uno "scartamento ridotto" e più di quello sarà difficile fare
Usa due batterie piatte da 4.5v messe in serie, non quella piccola da 9v
NON alimentare il circuito con tensioni elevate o con batterie più grosse, non è fatto per resistere e potrebbero esserci degli spiacevoli inconvenienti per te
K
quanto amplificano due transistor in parallelo?
Moderatori:
carloc,
g.schgor,
BrunoValente,
IsidoroKZ
14 messaggi
• Pagina 2 di 2 • 1, 2
0
voti
CarloCoriolano ha scritto:Confesso la mia ignoranza, ma quello schema non oscilla.
Si`, fatto cosi` non oscilla. Pero` chissa`, forse con dei cavi di alimentazione un po' lunghi (=induttanza), sorgente di tesione non ideale (=resistenza)... potrebbe fare di tutto.
Per usare proficuamente un simulatore, bisogna sapere molta più elettronica di lui
Plug it in - it works better!
Il 555 sta all'elettronica come Arduino all'informatica! (entrambi loro malgrado)
Se volete risposte rispondete a tutte le mie domande
Plug it in - it works better!
Il 555 sta all'elettronica come Arduino all'informatica! (entrambi loro malgrado)
Se volete risposte rispondete a tutte le mie domande
0
voti
Per quanto ho visto nel video linkato lo schema non è quello mostrato

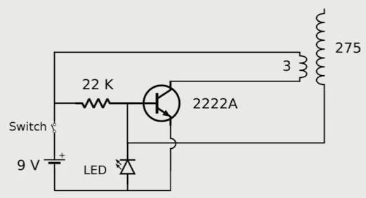
a me sembra più questo (senza il led)
---
Anche noi, ai miei tempi, accendevamo tubi al neon e lo si faceva a qualche metro di distanza
ma si trattava di trasmettitori radiofrequenza a valvole da qualche centinaio di W
(e mal progettati e realizzati
)
K
a me sembra più questo (senza il led)
---
Anche noi, ai miei tempi, accendevamo tubi al neon e lo si faceva a qualche metro di distanza
ma si trattava di trasmettitori radiofrequenza a valvole da qualche centinaio di W
(e mal progettati e realizzati
K
-

Kagliostro
6.396 4 5 7 - Master

- Messaggi: 4830
- Iscritto il: 19 set 2012, 11:32
14 messaggi
• Pagina 2 di 2 • 1, 2
Chi c’è in linea
Visitano il forum: Nessuno e 201 ospiti

Elettrotecnica e non solo (admin)
Un gatto tra gli elettroni (IsidoroKZ)
Esperienza e simulazioni (g.schgor)
Moleskine di un idraulico (RenzoDF)
Il Blog di ElectroYou (webmaster)
Idee microcontrollate (TardoFreak)
PICcoli grandi PICMicro (Paolino)
Il blog elettrico di carloc (carloc)
DirtEYblooog (dirtydeeds)
Di tutto... un po' (jordan20)
AK47 (lillo)
Esperienze elettroniche (marco438)
Telecomunicazioni musicali (clavicordo)
Automazione ed Elettronica (gustavo)
Direttive per la sicurezza (ErnestoCappelletti)
EYnfo dall'Alaska (mir)
Apriamo il quadro! (attilio)
H7-25 (asdf)
Passione Elettrica (massimob)
Elettroni a spasso (guidob)
Bloguerra (guerra)

