g.schgor ha scritto:OK (avevo riportato male il valore di tensione)
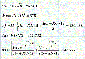
Mi viene Vy=115V
Ora che la simulazione è impostata, posso leggere
tutti i valori che servono.
Grazie mille
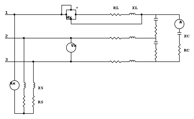
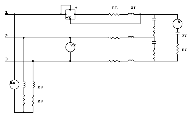
A me la lettura del voltmetro viene

La lettura del wattmetro





Moderatori:
g.schgor,
IsidoroKZ
g.schgor ha scritto:OK (avevo riportato male il valore di tensione)
Mi viene Vy=115V
Ora che la simulazione è impostata, posso leggere
tutti i valori che servono.






IsidoroKZ ha scritto:Non c'e` nessun centro stella da spostare, non c'e` nessuna stella. Ci sono DUE resistenze collegate fra R e S e fra R e T, carico squilibrato. Se la concatenata e` di (mettiamo) 200V, e le due resistenze sono da 10ohm, ciascuna e` percorsa da 20A. Bisogna non imbrogliarsi con le fasi delle due correnti, il totale viene in questo caso 34.6A
)g.schgor ha scritto:Aspettavo una risposta.
Non interessa più la verifica dei risultati?






;
;
.Torna a Elettrotecnica generale
Visitano il forum: Nessuno e 98 ospiti