Ho una batteria elettronica, avrei intenzione di collegare a uno dei pad un circuito parallelo che mi possa far accendere un led quando viene colpito il pad con la bacchetta.
Ho aperto il pad , mi sembra che all'interno ci sia un sensore piezoelettrico con due resistenze, una in parallelo al sensore e l'altra fra il sensore e l'ingresso per il jack.
Se utilizzo solamente un amplificatore o un comparatore è fattibile la cosa?
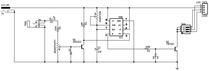
Vi lascio lo schema per capire meglio.
Pad per rullante, collegare led in parallelo
Moderatori:
carloc,
g.schgor,
BrunoValente,
IsidoroKZ
5 messaggi
• Pagina 1 di 1
0
voti
Più che un amplificatore di tensione ti conviene fare un comparatore. Il problema è che al nodo "jack" probabilmente ti ritrovi uno spillo che ti accende il led per un tempo magari impercettibile.
-

marioursino
5.687 3 9 13 - G.Master EY

- Messaggi: 1598
- Iscritto il: 5 dic 2009, 4:32
0
voti
Ho seguito lo schema postato la settimana scorsa e mi sono letto il tutorial sul timer 555 di
bagolaro.
Il circuito funziona alla perfezione, anche se non ho ben capito l'utilizzo del diodo D2 e della resistenza R4.
Ora vorrei collegare in parallelo anche l'amplificatore della batteria per avere il segnale da entrambe le parti.
Un semplice diodo basta per separare i due circuiti che hanno alimentazioni diverse?
Il circuito funziona alla perfezione, anche se non ho ben capito l'utilizzo del diodo D2 e della resistenza R4.
Ora vorrei collegare in parallelo anche l'amplificatore della batteria per avere il segnale da entrambe le parti.
Un semplice diodo basta per separare i due circuiti che hanno alimentazioni diverse?
5 messaggi
• Pagina 1 di 1
Chi c’è in linea
Visitano il forum: Google Adsense [Bot] e 55 ospiti

Elettrotecnica e non solo (admin)
Un gatto tra gli elettroni (IsidoroKZ)
Esperienza e simulazioni (g.schgor)
Moleskine di un idraulico (RenzoDF)
Il Blog di ElectroYou (webmaster)
Idee microcontrollate (TardoFreak)
PICcoli grandi PICMicro (Paolino)
Il blog elettrico di carloc (carloc)
DirtEYblooog (dirtydeeds)
Di tutto... un po' (jordan20)
AK47 (lillo)
Esperienze elettroniche (marco438)
Telecomunicazioni musicali (clavicordo)
Automazione ed Elettronica (gustavo)
Direttive per la sicurezza (ErnestoCappelletti)
EYnfo dall'Alaska (mir)
Apriamo il quadro! (attilio)
H7-25 (asdf)
Passione Elettrica (massimob)
Elettroni a spasso (guidob)
Bloguerra (guerra)


