Esercizio sui transistori
Moderatori:
carloc,
g.schgor,
BrunoValente,
IsidoroKZ
20 messaggi
• Pagina 2 di 2 • 1, 2
0
voti
E` stato fatto un equivalente Thevenin della rete formata dalla tensione di alimentazione e dalle due resistenze, lasciano invece inalterati i transistori.
Per usare proficuamente un simulatore, bisogna sapere molta più elettronica di lui
Plug it in - it works better!
Il 555 sta all'elettronica come Arduino all'informatica! (entrambi loro malgrado)
Se volete risposte rispondete a tutte le mie domande
Plug it in - it works better!
Il 555 sta all'elettronica come Arduino all'informatica! (entrambi loro malgrado)
Se volete risposte rispondete a tutte le mie domande
0
voti
Grazie, Isidoro!
Ma quindi, mi riduco a questo circuito: http://tinyurl.com/z3nmlr5
Calcolo la corrente per le due resistenze in serie, calcolo col partitore la caduta sulla prima resistenza e la sottraggo a Vcc per ottenere la Vu.
Per la resistenza equivalente, considero solo la resistenza di 6k in quanto unica vista tra i nodi a e b?
Ovvero, trovo la corrente che circola nel quadrato cortocircuitato e poi ricavo, grazie a quella, nuovamente la resistenza?
Non so perché, probabilmente per la somiglianza con valore di corrente e resistenza, mi sembrava di moltiplicare e dividere ritornando al punto di partenza. Ma forse ero andata in loop mentale ^^
[aggiornamento] No, continuo a non capire come fa la Req ad avere il valore di 2k

Ma quindi, mi riduco a questo circuito: http://tinyurl.com/z3nmlr5
Calcolo la corrente per le due resistenze in serie, calcolo col partitore la caduta sulla prima resistenza e la sottraggo a Vcc per ottenere la Vu.
Per la resistenza equivalente, considero solo la resistenza di 6k in quanto unica vista tra i nodi a e b?
Ovvero, trovo la corrente che circola nel quadrato cortocircuitato e poi ricavo, grazie a quella, nuovamente la resistenza?
Non so perché, probabilmente per la somiglianza con valore di corrente e resistenza, mi sembrava di moltiplicare e dividere ritornando al punto di partenza. Ma forse ero andata in loop mentale ^^
[aggiornamento] No, continuo a non capire come fa la Req ad avere il valore di 2k

0
voti
La resistenza equivalente di Thevenin in quel circuito e` il parallelo delle due resistenze presenti.
Per usare proficuamente un simulatore, bisogna sapere molta più elettronica di lui
Plug it in - it works better!
Il 555 sta all'elettronica come Arduino all'informatica! (entrambi loro malgrado)
Se volete risposte rispondete a tutte le mie domande
Plug it in - it works better!
Il 555 sta all'elettronica come Arduino all'informatica! (entrambi loro malgrado)
Se volete risposte rispondete a tutte le mie domande
1
voti
Con il circuito ridisegnato in questo modo
riesci a calcolare l'equivalente Thévenin?
riesci a calcolare l'equivalente Thévenin?
mark
0
voti
Usa il tasto RISPONDI, non il tasto CITA, se non serve
Ah! Eccolo il parallelo
(Con il Vcc cortocircuitato)
Grazie mille! È esattamente il colpo d'occhio che mi mancava
Grazie anche a Isidoro!
Ah! Eccolo il parallelo
(Con il Vcc cortocircuitato)
Grazie mille! È esattamente il colpo d'occhio che mi mancava
Grazie anche a Isidoro!
0
voti
Riesumo questo esercizio per una domanda a riguardo:
facendo i calcoli per trovare il punto di riposo per ogni transistore pare che l'amplificazione sia indipendente dal carico.
Per trovare tutte le correnti, ho fatto le equazioni alla maglia di ingresso per le Ib e ho considerato, per ogni resistore:


e

Il circuito equivalente lo uso solo per verificare le ipotesi di ZAD per il transistor.
A tal proposito, considerando che la ZAD è comunque la regione di lavoro per l'amplificazione, è lecito pensare che il carico non interferisca con quest'ultima (nel range di ZAD)? O meglio, in che modo il carico potrebbe interferire con l'amplificazione del segnale?
Quella dell'esercizio è un'assunzione troppo semplificata o è realmente così?
Grazie!
facendo i calcoli per trovare il punto di riposo per ogni transistore pare che l'amplificazione sia indipendente dal carico.
Per trovare tutte le correnti, ho fatto le equazioni alla maglia di ingresso per le Ib e ho considerato, per ogni resistore:


e

Il circuito equivalente lo uso solo per verificare le ipotesi di ZAD per il transistor.
A tal proposito, considerando che la ZAD è comunque la regione di lavoro per l'amplificazione, è lecito pensare che il carico non interferisca con quest'ultima (nel range di ZAD)? O meglio, in che modo il carico potrebbe interferire con l'amplificazione del segnale?
Quella dell'esercizio è un'assunzione troppo semplificata o è realmente così?
Grazie!
0
voti
Il carico determina l'amplificazione del segnale, oltre che determinare la zona di funzionamento dei transistori. Fai lo schema fidocadj in modo che ci si possa ragionarci sopra, e indica anche le tensioni ai vari nodi ed eventualmente la corrente di collettore.
Per usare proficuamente un simulatore, bisogna sapere molta più elettronica di lui
Plug it in - it works better!
Il 555 sta all'elettronica come Arduino all'informatica! (entrambi loro malgrado)
Se volete risposte rispondete a tutte le mie domande
Plug it in - it works better!
Il 555 sta all'elettronica come Arduino all'informatica! (entrambi loro malgrado)
Se volete risposte rispondete a tutte le mie domande
2
voti
3
voti
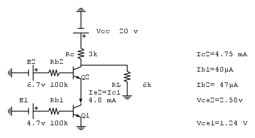
Per la polarizzazione direi di fare cosi`. L'equivalente Thevenin della rete sul collettore era gia` stata calcolata.
Prima la maglia rossa e ci si calcola IB1 che viene per l'appunto 40uA, se la VBE vale 0.7V. Sembra che il beta del transistore sia di 120 (non l'ho visto nei dati) e quindi la corrente di collettore vale 4.8mA, ed e` anche uguale alla corrente di emettitore di Q2.
Poi seguendo il percorso giallo ci si calcola la la corrente di base di Q2 e la sua corrente di collettore che viene (e qui non mi ritrovo con i tuoi conti)
poi la corrente di collettore di Q2 che vale 4.76mA e questo mi torna con i tuoi dati.
Con la corrente di base di Q2 si puo` calcolare la tensione di base di Q2, la tensione di emettitore e le VCE.
e quindi la tensione di emettitore vale VE2=2.03V che e` anche la VCE1 (e qui non mi ritrovo con i tuoi dati).
Seguendo il percorso verde e conoscendo la corrente IC2 si calcola la VC2 che risulta pari a
e dalla tensione di emettitore calcolata prima si ha VCE2=3.81V-2.03V=1.78V ed e` la tensione collettore emettitore di Q2.
La rete di polarizzazione ovviamente influisce sulla zona di funzionamento dei transistori: ad esempio se la resistenza equivalente di Thevenin fosse di 2.38kΩ il transistore Q2 sarebbe in saturazione. Oppure se la tensione equivalente fosse di 11V sarebbe di nuovo in saturazione.
Per parlare di guadagno bisogna sapere dove viene applicato il segnale: suppongo sulla base di Q1, ma non saprei come viene fatto. SE e sottolineo SE il segnale fosse applicato direttamente sulla base di Q1, l'amplificazione sarebbe all'incirca pari alla tensione che cade in continua sulla resistenza di collettore, 9.52V diviso per la tensione equivalente di temperatura, dalle parti di 26mV, e quindi -366 volte.
In ogni caso il circuito e` un esempio di circuito delle palle perche' la corrente di collettore e` basata sul beta del transistore Q1, e questo NON SI FA MAI in quanto il beta e` troppo variabile da un transistore all'altro.
Prima la maglia rossa e ci si calcola IB1 che viene per l'appunto 40uA, se la VBE vale 0.7V. Sembra che il beta del transistore sia di 120 (non l'ho visto nei dati) e quindi la corrente di collettore vale 4.8mA, ed e` anche uguale alla corrente di emettitore di Q2.
Poi seguendo il percorso giallo ci si calcola la la corrente di base di Q2 e la sua corrente di collettore che viene (e qui non mi ritrovo con i tuoi conti)
poi la corrente di collettore di Q2 che vale 4.76mA e questo mi torna con i tuoi dati. Con la corrente di base di Q2 si puo` calcolare la tensione di base di Q2, la tensione di emettitore e le VCE.
e quindi la tensione di emettitore vale VE2=2.03V che e` anche la VCE1 (e qui non mi ritrovo con i tuoi dati).Seguendo il percorso verde e conoscendo la corrente IC2 si calcola la VC2 che risulta pari a
e dalla tensione di emettitore calcolata prima si ha VCE2=3.81V-2.03V=1.78V ed e` la tensione collettore emettitore di Q2. La rete di polarizzazione ovviamente influisce sulla zona di funzionamento dei transistori: ad esempio se la resistenza equivalente di Thevenin fosse di 2.38kΩ il transistore Q2 sarebbe in saturazione. Oppure se la tensione equivalente fosse di 11V sarebbe di nuovo in saturazione.
Per parlare di guadagno bisogna sapere dove viene applicato il segnale: suppongo sulla base di Q1, ma non saprei come viene fatto. SE e sottolineo SE il segnale fosse applicato direttamente sulla base di Q1, l'amplificazione sarebbe all'incirca pari alla tensione che cade in continua sulla resistenza di collettore, 9.52V diviso per la tensione equivalente di temperatura, dalle parti di 26mV, e quindi -366 volte.
In ogni caso il circuito e` un esempio di circuito delle palle perche' la corrente di collettore e` basata sul beta del transistore Q1, e questo NON SI FA MAI in quanto il beta e` troppo variabile da un transistore all'altro.
Per usare proficuamente un simulatore, bisogna sapere molta più elettronica di lui
Plug it in - it works better!
Il 555 sta all'elettronica come Arduino all'informatica! (entrambi loro malgrado)
Se volete risposte rispondete a tutte le mie domande
Plug it in - it works better!
Il 555 sta all'elettronica come Arduino all'informatica! (entrambi loro malgrado)
Se volete risposte rispondete a tutte le mie domande
1
voti
Grazie
IsidoroKZ per la tua risposta accurata.
I nostri calcoli non tornano perché ho dimenticato di indicare alcuni dati: mentre il beta del transistore Q2 è 120, come da te giustamente individuato, quello del transistore Q1 è invece pari a 100, da qui l'incongruenza del valore di Ib2 e di Vce.
Quindi non soltanto il circuito di polarizzazione, ma anche il carico determina la zona di funzionamento?
Anche se mi pare che il ruolo del carico venga ben equilibrato - almeno in questo caso - dal resto del circuito.
Mi spiego meglio (ma sottolineo che non so se ha senso quello che sto per dire
in tal caso darò la colpa all'influenza!):
dalle formule si ricava che per un carico minore sia la tensione equivalente, sia la resistenza equivalente crescano e viceversa.

e

Quindi va forse ad equilibrare le due situazioni che citi? (intendo, per una resistenza minore avrei comunque una tensione maggiore e viceversa, e magari mi allontanerei così dalla saturazione) [magari domani provo a fare un po' di conti]
Se quello che ho scritto avesse senso, il carico avrebbe comunque un ruolo minore nel determinare la zona di funzionamento.
Esatto. Lo scopo dell'esercizio era quello di calcolare il circuito di grande segnale (quindi ho omesso tutta la "fuffa" variabile nello schema fidocad
).
Anche includendo la "fuffa" questo fatto resta, quindi è un circuito inutile? Grazie al tuo spunto ho letto a riguardo delle variazioni del beta e ho notato quanto piccolissime differenze strutturali lo allontanino dal valore nominale. In questi casi in genere è il circuito di polarizzazione stessa che cerca di limitare la dipendenza degli altri parametri dal beta.
In circuiti come questo si vanifica il tutto?
Grazie mille in anticipo!
I nostri calcoli non tornano perché ho dimenticato di indicare alcuni dati: mentre il beta del transistore Q2 è 120, come da te giustamente individuato, quello del transistore Q1 è invece pari a 100, da qui l'incongruenza del valore di Ib2 e di Vce.
IsidoroKZ ha scritto:La rete di polarizzazione ovviamente influisce sulla zona di funzionamento dei transistori: ad esempio se la resistenza equivalente di Thevenin fosse di 2.38kΩ il transistore Q2 sarebbe in saturazione. Oppure se la tensione equivalente fosse di 11V sarebbe di nuovo in saturazione.
Quindi non soltanto il circuito di polarizzazione, ma anche il carico determina la zona di funzionamento?
Anche se mi pare che il ruolo del carico venga ben equilibrato - almeno in questo caso - dal resto del circuito.
Mi spiego meglio (ma sottolineo che non so se ha senso quello che sto per dire
dalle formule si ricava che per un carico minore sia la tensione equivalente, sia la resistenza equivalente crescano e viceversa.

e

Quindi va forse ad equilibrare le due situazioni che citi? (intendo, per una resistenza minore avrei comunque una tensione maggiore e viceversa, e magari mi allontanerei così dalla saturazione) [magari domani provo a fare un po' di conti]
Se quello che ho scritto avesse senso, il carico avrebbe comunque un ruolo minore nel determinare la zona di funzionamento.
Per parlare di guadagno bisogna sapere dove viene applicato il segnale: suppongo sulla base di Q1
Esatto. Lo scopo dell'esercizio era quello di calcolare il circuito di grande segnale (quindi ho omesso tutta la "fuffa" variabile nello schema fidocad
In ogni caso il circuito e` un esempio di circuito delle palle perche' la corrente di collettore e` basata sul beta del transistore Q1, e questo NON SI FA MAI in quanto il beta e` troppo variabile da un transistore all'altro.
Anche includendo la "fuffa" questo fatto resta, quindi è un circuito inutile? Grazie al tuo spunto ho letto a riguardo delle variazioni del beta e ho notato quanto piccolissime differenze strutturali lo allontanino dal valore nominale. In questi casi in genere è il circuito di polarizzazione stessa che cerca di limitare la dipendenza degli altri parametri dal beta.
In circuiti come questo si vanifica il tutto?
Grazie mille in anticipo!

20 messaggi
• Pagina 2 di 2 • 1, 2
Chi c’è in linea
Visitano il forum: Nessuno e 273 ospiti

Elettrotecnica e non solo (admin)
Un gatto tra gli elettroni (IsidoroKZ)
Esperienza e simulazioni (g.schgor)
Moleskine di un idraulico (RenzoDF)
Il Blog di ElectroYou (webmaster)
Idee microcontrollate (TardoFreak)
PICcoli grandi PICMicro (Paolino)
Il blog elettrico di carloc (carloc)
DirtEYblooog (dirtydeeds)
Di tutto... un po' (jordan20)
AK47 (lillo)
Esperienze elettroniche (marco438)
Telecomunicazioni musicali (clavicordo)
Automazione ed Elettronica (gustavo)
Direttive per la sicurezza (ErnestoCappelletti)
EYnfo dall'Alaska (mir)
Apriamo il quadro! (attilio)
H7-25 (asdf)
Passione Elettrica (massimob)
Elettroni a spasso (guidob)
Bloguerra (guerra)






