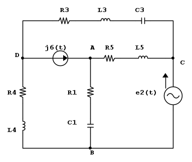
Il circuito in figura è a regime sinusoidale.
Calcolare:
1.1) i parametri del circuito equivalente alla Thévenin ai
morsetti A-B visto dalla serie
;1.2) il fasore della corrente che interessa tale serie e la
corrispondente funzione del tempo;
1.3) la potenza complessa assorbita dal bipolo serie

DATI








Elettrotecnica e non solo (admin)
Un gatto tra gli elettroni (IsidoroKZ)
Esperienza e simulazioni (g.schgor)
Moleskine di un idraulico (RenzoDF)
Il Blog di ElectroYou (webmaster)
Idee microcontrollate (TardoFreak)
PICcoli grandi PICMicro (Paolino)
Il blog elettrico di carloc (carloc)
DirtEYblooog (dirtydeeds)
Di tutto... un po' (jordan20)
AK47 (lillo)
Esperienze elettroniche (marco438)
Telecomunicazioni musicali (clavicordo)
Automazione ed Elettronica (gustavo)
Direttive per la sicurezza (ErnestoCappelletti)
EYnfo dall'Alaska (mir)
Apriamo il quadro! (attilio)
H7-25 (asdf)
Passione Elettrica (massimob)
Elettroni a spasso (guidob)
Bloguerra (guerra)









?![\text{[68]} \text{[68]}](/forum/latexrender/pictures/4d8570095b73cfedff2f7c4d762ae197.png)