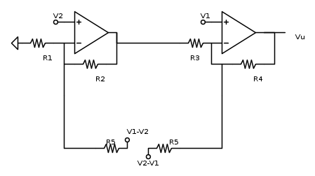
Stavo pensando... nelle dispense, quando propone l'alternativa, dice che ai nodi dovrebbero esserci le stesse correnti.
Ma questo è ovviamente impossibile, ed una simulazione SPICE con il modello gentilmente fornito dalla Linear (a proposito, caso mai non lo sapeste l'amplificatore qui sopra è un Linear LT1002) lo conferma...
Inoltre, stavo facendo l'analisi dei due circuiti: il primo si può risolvere con due equazioni ai nodi, e si ottiene l'espressione dell'uscita presente sulle dispense (per semplicità, ho posto

):

Ma per il secondo viene un risultato diverso, il che mi porta a concludere che i due circuiti non sono equivalenti
Invece, utilizzando

come inizialmente proposto da
MarkyMark la relazione ingresso/uscita risulta corretta (e quest'ultimo risultato è confermato dalla simulazione SPICE)... non vorrei essere presuntuoso, ma mi viene il dubbio che sia davvero sbagliata la dispensa.