Salve, scusate l'assenza. In effetti rivedendo il circuito con calma ho commesso un errore: ho invertito il Drain col Source del PMOS a svuotamento (M3)
Ecco lo schema esatto.
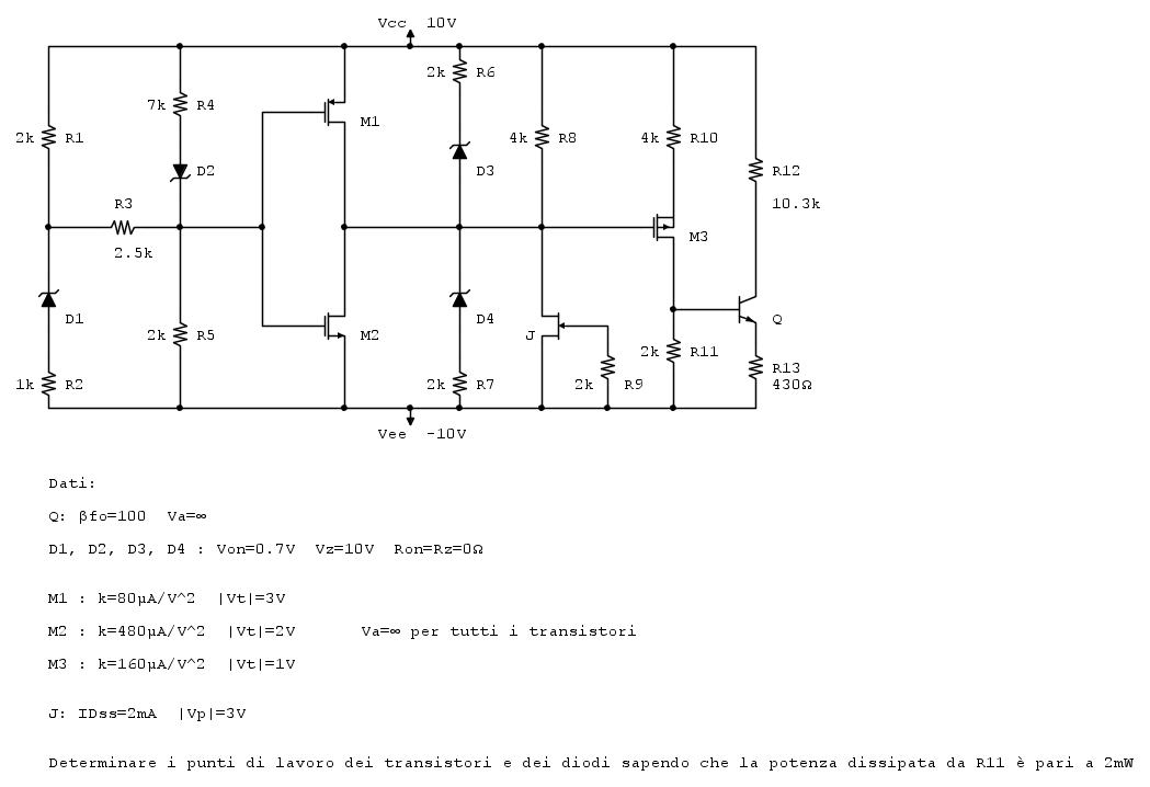
Con un po' di conti trovo che D2 è ON mentre D1 è in zener. La tensione sui Gate di M1 ed M2 risulta essere Vg= -2.73V. A questo punto ho pensato che il dato della potenza dissipata su R11 possa servirci a trovare la zona di lavoro del BJT che a quanto sembra sia in saturazione in quanto trovo che la base è ad un potenziale maggiore sia del collettore che dell'emettitore. N.B. per l'ipotesi di saturazione ho posto Vce= 0.2V Di qui, svolgendo un po' di calcoli, ipotizzando M3 in saturazione trovo la sua tensione di gate pari a Vg(M3)= -3.18V che coincide con le tensioni di drain di M1 ed M2. Il JFET è in saturazione così come anche M1 ed M2 e ricavando correnti e tensioni nei rami trovo che D3 è in zener mentre D4 è spento...voi che dite?
analisi circuito
Moderatori:
carloc,
g.schgor,
BrunoValente,
IsidoroKZ
11 messaggi
• Pagina 2 di 2 • 1, 2
11 messaggi
• Pagina 2 di 2 • 1, 2
Chi c’è in linea
Visitano il forum: Nessuno e 175 ospiti

Elettrotecnica e non solo (admin)
Un gatto tra gli elettroni (IsidoroKZ)
Esperienza e simulazioni (g.schgor)
Moleskine di un idraulico (RenzoDF)
Il Blog di ElectroYou (webmaster)
Idee microcontrollate (TardoFreak)
PICcoli grandi PICMicro (Paolino)
Il blog elettrico di carloc (carloc)
DirtEYblooog (dirtydeeds)
Di tutto... un po' (jordan20)
AK47 (lillo)
Esperienze elettroniche (marco438)
Telecomunicazioni musicali (clavicordo)
Automazione ed Elettronica (gustavo)
Direttive per la sicurezza (ErnestoCappelletti)
EYnfo dall'Alaska (mir)
Apriamo il quadro! (attilio)
H7-25 (asdf)
Passione Elettrica (massimob)
Elettroni a spasso (guidob)
Bloguerra (guerra)
