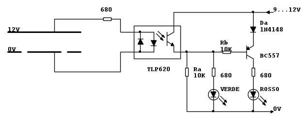
Per avere un'indicazione a led sul pannello di controllo delle stazioni nascoste del mio plastico ferroviario, ho realizzato questo circuito che, tramite fotoaccoppiatore, dovrebbe accendere il led rosso se nella tratta isolata è fermo un treno, e il led verde se la tratta è libera.
Problema: la resistenza di 680 ohm a monte del fotoaccoppiatore riduce la corrente nella rotaia isolata, ma non tanto da impedire l'azionamento del motore elettrico. Il circuito potrebbe andare per indicare la presenza di un treno in movimento lento.
Per mantenere il treno fermo andrebbe benissimo una resistenza da 10k, insufficiente per azionare il motore ma sufficiente per il circuito secondario di segnalazione led. Purtroppo con tale ridotta corrente, quando è presente un treno fermo si accende sia il led rosso che il led verde.
Essendo inesperto di elettronica devo aver sbagliato il circuito. Posso avere un aiuto ?
Sensore trenino in sosta
Moderatori:
carloc,
g.schgor,
BrunoValente,
IsidoroKZ
24 messaggi
• Pagina 1 di 3 • 1, 2, 3
0
voti
Ultima modifica di
mario_maggi il 5 mar 2017, 12:48, modificato 2 volte in totale.
Motivazione: Riscritto titolo in minuscolo
Motivazione: Riscritto titolo in minuscolo
0
voti
La polarita` delle rotaie e` fissa (una sempre positiva una sempre negativa) o cambia a seconda della direzione di marcia del treno? La rotaia isolata e` quella positiva o negativa (ammesso che siano a polarita` fissa)? L'interruttore dello "schema" serve per far andare il treno?
Certo che uno schema fatto bene sarebbe molto apprezzato!
Certo che uno schema fatto bene sarebbe molto apprezzato!
Per usare proficuamente un simulatore, bisogna sapere molta più elettronica di lui
Plug it in - it works better!
Il 555 sta all'elettronica come Arduino all'informatica! (entrambi loro malgrado)
Se volete risposte rispondete a tutte le mie domande
Plug it in - it works better!
Il 555 sta all'elettronica come Arduino all'informatica! (entrambi loro malgrado)
Se volete risposte rispondete a tutte le mie domande
0
voti
I led si accendono contemporaneamente perché con la 10K di pilotaggio, l'optocoupler si trova a lavore in zona lineare e quindi la base del BC557 viene a trovarsi ad un potenziale minore di almeno 0,6V di quello di emettitore.
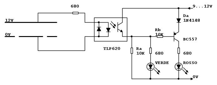
Per mantenere il pilotaggio dell' optocoupler originale (con la 680 Ohm) e fare in modo che la corrente If del diodo dell'opto non passi attraverso il motore mettendo in movimento la locomativa, perché non collegare l'optocuopler tra il binario "continuo" e quello isolato in questo modo?
Con questo schema però sarà necessario scambiare di posto tra loro i LED.
Inoltre sono stati aggiunti il diodo Da in serie al collettore, la resistenza Ra ed è stato diminuito il valore della resistenza di base Rb.
Buona domenica.
MariX
Per mantenere il pilotaggio dell' optocoupler originale (con la 680 Ohm) e fare in modo che la corrente If del diodo dell'opto non passi attraverso il motore mettendo in movimento la locomativa, perché non collegare l'optocuopler tra il binario "continuo" e quello isolato in questo modo?
Con questo schema però sarà necessario scambiare di posto tra loro i LED.
Inoltre sono stati aggiunti il diodo Da in serie al collettore, la resistenza Ra ed è stato diminuito il valore della resistenza di base Rb.
Buona domenica.
MariX
0
voti
Risposta per Isidoro KZ: La corrente nel binario è alternata DCC 15v ma può essere applicata anche una corrente analogica 12V con polarità alternabile. In questo caso la rotaia isolata sarà quella con polarità positiva come indicato nel disegno.
L'interruttore a pulsante normalmente aperto serve a cortocircuitare il sensore e alimentare temporaneamente la rotaia isolata con pieno tensione, in modo da far ripartire la loco e farla uscire dalla tratta isolata.
Risposta per MariX: Grazie per il suggerimento. Questa soluzione andrà bene anche se il binario è alimentato con DCC alternata 15V ?
Per far ripartire la loco è necessario un interruttore a pulsante normalmente chiuso ?
L'interruttore a pulsante normalmente aperto serve a cortocircuitare il sensore e alimentare temporaneamente la rotaia isolata con pieno tensione, in modo da far ripartire la loco e farla uscire dalla tratta isolata.
Risposta per MariX: Grazie per il suggerimento. Questa soluzione andrà bene anche se il binario è alimentato con DCC alternata 15V ?
Per far ripartire la loco è necessario un interruttore a pulsante normalmente chiuso ?
1
voti
Cos'è una corrente analogica?
-

PietroBaima
90,7k 7 12 13 - G.Master EY

- Messaggi: 12206
- Iscritto il: 12 ago 2012, 1:20
- Località: Londra
0
voti
Perdonatemi la semplicità di linguaggio tecnico: chiamo impropriamente corrente analogica quella con tensione 12Vcc generata da un semplice trasformatore con possibilità di invertirne la polarità nelle due rotaie del binario, e che viene inviata direttamente dalle due rotaie ai due poli del motore.
Si differenzia da quella alternata 15V generata da una centralina digitale che viene inviata da questa alle due rotaie e poi al decoder della loco per essere trasformata in corrente continua utilizzata per il motore e le altre funzioni gestite dal decoder medesimo.
Si differenzia da quella alternata 15V generata da una centralina digitale che viene inviata da questa alle due rotaie e poi al decoder della loco per essere trasformata in corrente continua utilizzata per il motore e le altre funzioni gestite dal decoder medesimo.
0
voti
Un contatto reed ed una calamita incollata sotto il locomotore, non c'è da spendere molto.
-

Antonino2017
65 3 - New entry

- Messaggi: 85
- Iscritto il: 24 gen 2017, 20:22
0
voti
enzo49 ha scritto:Questa soluzione andrà bene anche se il binario è alimentato con DCC alternata 15V ?
Per far ripartire la loco è necessario un interruttore a pulsante normalmente chiuso ?
Credo di proprio di si. Se vuoi potresti ridurre la corrente nei diodi dell' optoisolatore portandola da 680 ohm a 1k.
Per fare ripartire il treno ti serve un pulsante normalmente aperto, che quando premuto si dovrà chiudere per alimentare la rotaia isolata.
0
voti
Io sono ignorante e mi intrometto per impiccioneria.
Hai un plastico con segmenti di binario e locomotori contrallati in DCC.
Vuoi realizzare un pannello con un LED verde ed uno rosso, di via libera e via impegnata, anche se il locomotore e` fermo.
Se ho capito bene, quindi, il problema e` soprattutto rilevare la presenza del locomotore con una soluzione che permetta poi la successiva partenza, con modulazione di velocita` tramite il DCC.
Il circuito che hai realizzato ora, se ho capito bene, (quale circuito?), non funziona bene perche` ti si presenta una condizione coi due LED entrambi accesi?
Successivamente hai poi l il problema della ripartenza: devi escludere la resistenza che limita la corrente?
Ammesso che io abbia compreso, realizzerei un circuito di gestione un poco piu` complesso. Quello che chiedi di fare non e` per nulla cosa di poco conto, soprattutto nel decidere quando un locomotore e` fermo, od a bassa velocita`.
Il sistema dei reed non e` male, ma occorre poi un complesso sistema di memorie in caso di mancanza tensione.
Seguiro` con curiosita` per ora.
Hai un plastico con segmenti di binario e locomotori contrallati in DCC.
Vuoi realizzare un pannello con un LED verde ed uno rosso, di via libera e via impegnata, anche se il locomotore e` fermo.
Se ho capito bene, quindi, il problema e` soprattutto rilevare la presenza del locomotore con una soluzione che permetta poi la successiva partenza, con modulazione di velocita` tramite il DCC.
Il circuito che hai realizzato ora, se ho capito bene, (quale circuito?), non funziona bene perche` ti si presenta una condizione coi due LED entrambi accesi?
Successivamente hai poi l il problema della ripartenza: devi escludere la resistenza che limita la corrente?
Ammesso che io abbia compreso, realizzerei un circuito di gestione un poco piu` complesso. Quello che chiedi di fare non e` per nulla cosa di poco conto, soprattutto nel decidere quando un locomotore e` fermo, od a bassa velocita`.
Il sistema dei reed non e` male, ma occorre poi un complesso sistema di memorie in caso di mancanza tensione.
Seguiro` con curiosita` per ora.
-

CarloCoriolano
1.446 3 4 7 - ---
- Messaggi: 1023
- Iscritto il: 24 mag 2016, 13:08
0
voti
enzo49 ha scritto:Risposta per Isidoro KZ: La corrente nel binario è alternata DCC 15v....
alternata DCC 15v......

⋮ƎlectroYou
-

stefanob70
14,1k 5 11 13 - Master EY

- Messaggi: 3190
- Iscritto il: 14 lug 2012, 13:14
- Località: Roma
24 messaggi
• Pagina 1 di 3 • 1, 2, 3
Chi c’è in linea
Visitano il forum: Nessuno e 232 ospiti

Elettrotecnica e non solo (admin)
Un gatto tra gli elettroni (IsidoroKZ)
Esperienza e simulazioni (g.schgor)
Moleskine di un idraulico (RenzoDF)
Il Blog di ElectroYou (webmaster)
Idee microcontrollate (TardoFreak)
PICcoli grandi PICMicro (Paolino)
Il blog elettrico di carloc (carloc)
DirtEYblooog (dirtydeeds)
Di tutto... un po' (jordan20)
AK47 (lillo)
Esperienze elettroniche (marco438)
Telecomunicazioni musicali (clavicordo)
Automazione ed Elettronica (gustavo)
Direttive per la sicurezza (ErnestoCappelletti)
EYnfo dall'Alaska (mir)
Apriamo il quadro! (attilio)
H7-25 (asdf)
Passione Elettrica (massimob)
Elettroni a spasso (guidob)
Bloguerra (guerra)




pigreco]=π