TV Thomson: alimentatore non funziona
1
voti
devi ricominciare da qui.
⋮ƎlectroYou
-

stefanob70
14,1k 5 11 13 - Master EY

- Messaggi: 3190
- Iscritto il: 14 lug 2012, 13:14
- Località: Roma
0
voti
La situazione è la seguente:
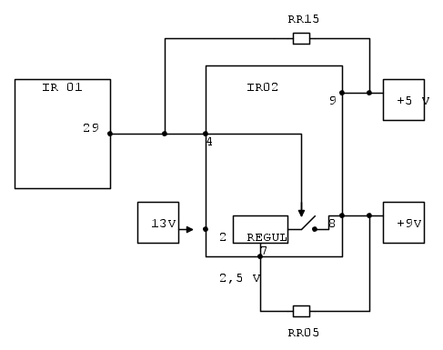
-LP03:
UB:115,20V
UA:0,02V
UX:13,83V
- IR02:
reoforo 9: 5V
reoforo 2: 13V
reoforo 7: 0.12V
reoforo 8: 0.49V
alcune tensioni si sono abbassate prima invece quando riuscivo ad accendere la tv col telecomando erano giuste come da schema elettrico del post precedente...
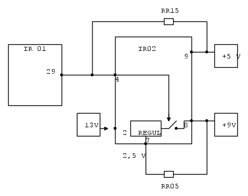
-LP03:
UB:115,20V
UA:0,02V
UX:13,83V
- IR02:
reoforo 9: 5V
reoforo 2: 13V
reoforo 7: 0.12V
reoforo 8: 0.49V
alcune tensioni si sono abbassate prima invece quando riuscivo ad accendere la tv col telecomando erano giuste come da schema elettrico del post precedente...
-

AccDel
33 2 5 - CRU - Account cancellato su Richiesta utente
- Messaggi: 273
- Iscritto il: 13 feb 2017, 21:40
1
voti
0
voti
Ma hai dato un occhiata al fusibile fp70?
- Allegati
-
- fusibile.jpg (19.45 KiB) Osservato 5425 volte
⋮ƎlectroYou
-

stefanob70
14,1k 5 11 13 - Master EY

- Messaggi: 3190
- Iscritto il: 14 lug 2012, 13:14
- Località: Roma
0
voti
Per quanto riguarda la tensione UA ho notato che nella misurazione del diodo DP21 la tensione da circa 29V si abbassa sul catodo a 0.06V.. ho dissaldato il componente però mi sembra buono, e il condensatore CP38 non è in corto (il CP39 non mi sembra ci sia). Il suddetto abbassamento di tensione da chi potrebbe dipendere?
-

AccDel
33 2 5 - CRU - Account cancellato su Richiesta utente
- Messaggi: 273
- Iscritto il: 13 feb 2017, 21:40
Torna a Costruzione, riparazione, riutilizzo
Chi c’è in linea
Visitano il forum: Nessuno e 69 ospiti

Elettrotecnica e non solo (admin)
Un gatto tra gli elettroni (IsidoroKZ)
Esperienza e simulazioni (g.schgor)
Moleskine di un idraulico (RenzoDF)
Il Blog di ElectroYou (webmaster)
Idee microcontrollate (TardoFreak)
PICcoli grandi PICMicro (Paolino)
Il blog elettrico di carloc (carloc)
DirtEYblooog (dirtydeeds)
Di tutto... un po' (jordan20)
AK47 (lillo)
Esperienze elettroniche (marco438)
Telecomunicazioni musicali (clavicordo)
Automazione ed Elettronica (gustavo)
Direttive per la sicurezza (ErnestoCappelletti)
EYnfo dall'Alaska (mir)
Apriamo il quadro! (attilio)
H7-25 (asdf)
Passione Elettrica (massimob)
Elettroni a spasso (guidob)
Bloguerra (guerra)


