Salve a tutti, possiedo un sintoamplificatore Onkyo HT-R390. Siccome è installato in una posizione che non consente una ideale dissipazione del calore, vorrei metterci una ventola da PC per aiutare il raffreddamento. Il problema è che non so come potrei collegare l'alimentazione in modo che la ventola parti all'accensione dell'home Theater. Qualcuno di voi ha fatto una cosa simile?
Grazie.
Alimentare ventola PC con un Home Theater?
Moderatori:
carloc,
g.schgor,
BrunoValente,
IsidoroKZ
7 messaggi
• Pagina 1 di 1
0
voti
-

dadothebest
24 2 7 - Frequentatore

- Messaggi: 229
- Iscritto il: 25 nov 2013, 17:13
- Località: Ascoli Piceno
0
voti
Ciao, te la senti di aprirlo e trovare il punto dove attaccare la ventola, questo è lo schema.
La ventola che dati ha di alimentazione ?

La ventola che dati ha di alimentazione ?

Alex
https://www.facebook.com/Elettronicaeelettrotecnica
<< vedi di pigliare arditamente in mano, il dizionario che ti suona in bocca,
se non altro è schietto e paesano.
(Giuseppe Giusti) <<
https://www.facebook.com/Elettronicaeelettrotecnica
<< vedi di pigliare arditamente in mano, il dizionario che ti suona in bocca,
se non altro è schietto e paesano.
(Giuseppe Giusti) <<
0
voti
Devo aprirlo per installarci la ventola quindi no mi faccio nessun problema. Le specifiche sono 12V - 0.05A. Se possibile vorrei alimentarla tra i 6 - 9V per limitare il rumore prodotto.
Grazie dello schema ma non ci ho capito un granché. Lo stereo possiede anche una porta "universal port" per collegarci delle estensioni, ma su internet sono riuscito a trovare solo questo schema:
Dove potrei collegarla?
Grazie dello schema ma non ci ho capito un granché. Lo stereo possiede anche una porta "universal port" per collegarci delle estensioni, ma su internet sono riuscito a trovare solo questo schema:
Dove potrei collegarla?
Ultima modifica di
wall87 il 26 mar 2017, 23:11, modificato 1 volta in totale.
Motivazione: Rimosso link e inserito immaggine come allegato
Motivazione: Rimosso link e inserito immaggine come allegato
-

dadothebest
24 2 7 - Frequentatore

- Messaggi: 229
- Iscritto il: 25 nov 2013, 17:13
- Località: Ascoli Piceno
0
voti
Ciao,
Nell'apparecchio ci sono moltissimi punti con tensione da poter utilizzare, ma io ci aggiungerei uno LM7809 (LM7808) per alimentare la ventola e mi attaccherei ad una tensione adeguata, per esempio c'è uno stabilizzatore LM7815 che farebbe al caso tuo e ci metterei in ingresso una resistenzina fusibile a 1 o 2,2ohm.
Vuoi che ti faccia lo schema ( domani) con il punto dove e come attaccarla?

Nell'apparecchio ci sono moltissimi punti con tensione da poter utilizzare, ma io ci aggiungerei uno LM7809 (LM7808) per alimentare la ventola e mi attaccherei ad una tensione adeguata, per esempio c'è uno stabilizzatore LM7815 che farebbe al caso tuo e ci metterei in ingresso una resistenzina fusibile a 1 o 2,2ohm.
Vuoi che ti faccia lo schema ( domani) con il punto dove e come attaccarla?

Alex
https://www.facebook.com/Elettronicaeelettrotecnica
<< vedi di pigliare arditamente in mano, il dizionario che ti suona in bocca,
se non altro è schietto e paesano.
(Giuseppe Giusti) <<
https://www.facebook.com/Elettronicaeelettrotecnica
<< vedi di pigliare arditamente in mano, il dizionario che ti suona in bocca,
se non altro è schietto e paesano.
(Giuseppe Giusti) <<
0
voti
Sarebbe di grande aiuto se mi disegnassi uno schema
Grazie mille!!
Grazie mille!!
-

dadothebest
24 2 7 - Frequentatore

- Messaggi: 229
- Iscritto il: 25 nov 2013, 17:13
- Località: Ascoli Piceno
0
voti
Guardando lo schema, ho trovato che potrebbe esserci la disposizione per un ventilatore, nell'immagine che metto è nei riquadri gialli, controlla nell'apparecchio se trovi il connettore per il ventilatore e se è attivo.
Nell'immagine accanto, c'è una parte del circuitop dove si vede il regolatore di tensione LM 7812, dovresti trovarlo ed attaccarti con lo schema che ti ho messo.
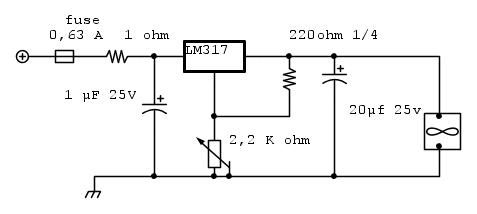
Ho cambiato idea da ieri sera ( mi sembra giusto), che anzichè metterci un regolatore di tensione fissa, ti ho fatto lo schema con un LM317 così hai modo di regolarti la velocità .
Facci sapere se trovi i punti .
Nell'immagine accanto, c'è una parte del circuitop dove si vede il regolatore di tensione LM 7812, dovresti trovarlo ed attaccarti con lo schema che ti ho messo.
Ho cambiato idea da ieri sera ( mi sembra giusto), che anzichè metterci un regolatore di tensione fissa, ti ho fatto lo schema con un LM317 così hai modo di regolarti la velocità .
Facci sapere se trovi i punti .
Alex
https://www.facebook.com/Elettronicaeelettrotecnica
<< vedi di pigliare arditamente in mano, il dizionario che ti suona in bocca,
se non altro è schietto e paesano.
(Giuseppe Giusti) <<
https://www.facebook.com/Elettronicaeelettrotecnica
<< vedi di pigliare arditamente in mano, il dizionario che ti suona in bocca,
se non altro è schietto e paesano.
(Giuseppe Giusti) <<
0
voti
I punti a 12V li ho trovati mentre quelli predisposti per la ventola non li trovo. Purtroppo le schede sono montate quasi una sopra l'altra e tra loro è difficile trovare quello che si cerca.
-

dadothebest
24 2 7 - Frequentatore

- Messaggi: 229
- Iscritto il: 25 nov 2013, 17:13
- Località: Ascoli Piceno
7 messaggi
• Pagina 1 di 1
Chi c’è in linea
Visitano il forum: Nessuno e 140 ospiti

Elettrotecnica e non solo (admin)
Un gatto tra gli elettroni (IsidoroKZ)
Esperienza e simulazioni (g.schgor)
Moleskine di un idraulico (RenzoDF)
Il Blog di ElectroYou (webmaster)
Idee microcontrollate (TardoFreak)
PICcoli grandi PICMicro (Paolino)
Il blog elettrico di carloc (carloc)
DirtEYblooog (dirtydeeds)
Di tutto... un po' (jordan20)
AK47 (lillo)
Esperienze elettroniche (marco438)
Telecomunicazioni musicali (clavicordo)
Automazione ed Elettronica (gustavo)
Direttive per la sicurezza (ErnestoCappelletti)
EYnfo dall'Alaska (mir)
Apriamo il quadro! (attilio)
H7-25 (asdf)
Passione Elettrica (massimob)
Elettroni a spasso (guidob)
Bloguerra (guerra)

