Salve a tutti,
ho una trasmittente audio/video basata sull'integrato RTC6705. Il circuito è già montato ma la trasmissione dell'audio non funziona (non so se effettivamente non è collegata in quanto è tutto integrato e difficilmente smontabile). Ho accesso soltanto all'integrato.
Visionando il datasheet ci si ritrova i pin 14-15-16 per la modulazione in fm del segnale audio dx e nei pin successivi per il segnale sx con portate a 6 MHz e 6.5 MHz. Il piedino 11 invece, da quello che ho capito fa da piedino di in dei due canali audio modulati al fine di inserirsi nella portante a 5.8 GHz.
Il mio problema è capire se effettivamente ho capito bene e se c'è qualcosa di bruciato oppure manca la connessione dell'audio. Nel caso mancasse mi piacerebbe usufruirne e creare un circuitino per inserirla nel video. Premetto che nel piedino 16 (così anche per il 19) c'è effettimante la portante richiesta, cosa che invece mi lascia perplesso è che nel piedino 11 invece non c'è nulla.
Non conoscendo come si proceda al calcolo né come funzioni la modulazione con vco con abbinata la pompa di carica sono qui a chiedervi un aiuto, magari anche indicarmi dove approfondire.
Grazie mille
Trasmettitore audio video 5.8 GHz
15 messaggi
• Pagina 1 di 2 • 1, 2
0
voti
0
voti
No purtroppo non ho uno schema, ho però quello del rct6701 che mi pare simile x la parte audio. La ricezione é poi fatta con un modulo che estrae il composito e le due portanti della nextwave
1
voti
e le due portanti della nextwave
Potrebbe essere che il ricevitore ha la sub carrier a 5.5 e non a 6 6.5?
Che modello è il ricevitore nexwave?
Il TX in se stesso non può non funzionare, sempre se il chip è buono (non guasto) ... non c'è niente sulla catena audio in
Da soli conosciamo alcune cose.
In molti ne conosceremo molte di più.
In molti ne conosceremo molte di più.
0
voti
Il ricevitore dovrebbe essere 6, 6.5mhz. Lo schema che ti ho dato non é quello del mio circuito, il mio purtroppo non lo conosco perché i pin del chip hanno connessioni col substrato e non ho idea di dove vadano in quanto tutta la scheda tx é poi saldata SMD ad altra ancora ed é troppo difficile da dissaldare. Volevo capire appunto come venisse portato il segnale audio all'rtc perché collegando al piedino esterno un segnale non lo ritrovo da nessuna parte sui piedini dell'rtc ed é da li che mi viene il dubbio non siano connessi i pin dell'audio. Volevo quindi capire come é costituita la rete con la pompa di carica x capire se c'è un transistor o qualcosa tra il connettore ed il chip rtc.
Ulteriore dubbio sta nel fatto che la pista che parte dal connettore esterno audio in effetti esiste (perché altrimenti ce la avrebbero messa) ma anche questa sparisce sotto la scheda tx e non la si può seguire. Cercavo quindi di capire come provare a fornire direttamente all'rtc l'audio bypassando il resto.
Ulteriore dubbio sta nel fatto che la pista che parte dal connettore esterno audio in effetti esiste (perché altrimenti ce la avrebbero messa) ma anche questa sparisce sotto la scheda tx e non la si può seguire. Cercavo quindi di capire come provare a fornire direttamente all'rtc l'audio bypassando il resto.
0
voti
Posso fornirgli l'audio direttamente al chip magari con circuito esterno?
1
voti
Certo che è possibile, resta il fatto che senza schema applicativo del tuo RTC non si può dire granché.
Prova, diretto sul pin con un condensatore da 100 nF in serie con una resistenza da 20 K .
Prova, diretto sul pin con un condensatore da 100 nF in serie con una resistenza da 20 K .
Da soli conosciamo alcune cose.
In molti ne conosceremo molte di più.
In molti ne conosceremo molte di più.
0
voti
Sull'avt1 giusto?
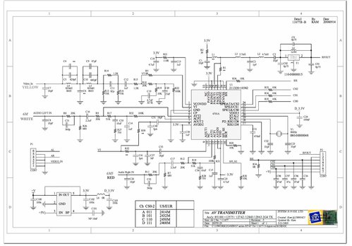
In che senso non si sa come é applicato? Ritengo sia molto simile allo schema che ho allegato. Allego inoltre come in effetti dovrebbe funzionare.
Come hai scelto quei valori?
Il cond. per il taglio continua e i 20k?
Costante di tempo? O x corrente max?
Ps intanto ti ringrazio x il tempo che mi hai dedicato.
In che senso non si sa come é applicato? Ritengo sia molto simile allo schema che ho allegato. Allego inoltre come in effetti dovrebbe funzionare.
Come hai scelto quei valori?
Il cond. per il taglio continua e i 20k?
Costante di tempo? O x corrente max?
Ps intanto ti ringrazio x il tempo che mi hai dedicato.
0
voti
Allego anche due foto del circuito giusto per farti capire come è messo.
Come puoi vedere i pin dall'11 in poi non sembrano nemmeno connessi (sono tutti ben saldati ma da questa prospettiva non si vede benissimo), salvo piste non visibili o vias
Come puoi vedere i pin dall'11 in poi non sembrano nemmeno connessi (sono tutti ben saldati ma da questa prospettiva non si vede benissimo), salvo piste non visibili o vias
1
voti
Il condensatore 100n è per tagliare la CC, basso valore per non dare picchi inutili all RTC non sapendo il livello della CC della tua sorgente, la resistenza analoga a quella nel circuito, non critica
Attenzione però, io mi riferivo a iniettare l'audio per prova direttamente sul piedino.
SE lo senti - bisogna capire perché dal suo ingresso "ufficiale" non gli arriva.
SE NON lo senti, mmm brutta storia, ho manca qualcosa o si è rotto qualcosa, anche lo stampato o un vias - mah?
SE lo senti - bisogna capire perché dal suo ingresso "ufficiale" non gli arriva.
SE NON lo senti, mmm brutta storia, ho manca qualcosa o si è rotto qualcosa, anche lo stampato o un vias - mah?
Da soli conosciamo alcune cose.
In molti ne conosceremo molte di più.
In molti ne conosceremo molte di più.
15 messaggi
• Pagina 1 di 2 • 1, 2
Torna a Costruzione, riparazione, riutilizzo
Chi c’è in linea
Visitano il forum: Nessuno e 9 ospiti

Elettrotecnica e non solo (admin)
Un gatto tra gli elettroni (IsidoroKZ)
Esperienza e simulazioni (g.schgor)
Moleskine di un idraulico (RenzoDF)
Il Blog di ElectroYou (webmaster)
Idee microcontrollate (TardoFreak)
PICcoli grandi PICMicro (Paolino)
Il blog elettrico di carloc (carloc)
DirtEYblooog (dirtydeeds)
Di tutto... un po' (jordan20)
AK47 (lillo)
Esperienze elettroniche (marco438)
Telecomunicazioni musicali (clavicordo)
Automazione ed Elettronica (gustavo)
Direttive per la sicurezza (ErnestoCappelletti)
EYnfo dall'Alaska (mir)
Apriamo il quadro! (attilio)
H7-25 (asdf)
Passione Elettrica (massimob)
Elettroni a spasso (guidob)
Bloguerra (guerra)


