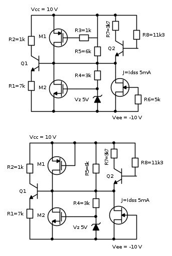
Per facilitare l'esercizio a qualche altro povero disgraziato "regalo" il tracciato fidocad dell'originale più una prima semplificazione. Il disegno di partenza va tenuto in conto per i parametri dei vari transistori (che sono da considerarsi ideali)
Problema con transistor
Moderatori:
carloc,
g.schgor,
BrunoValente,
IsidoroKZ
25 messaggi
• Pagina 2 di 3 • 1, 2, 3
0
voti
Ok, e` ufficiale, sono total-rincoglionito. Ho sempre letto che fosse il transistore M2 a dissipare 24mW, non M1. La mia maestra mi aveva spiegato in prima elementare che era importante leggere
.
Questi gli schemi con i simboli giusti dei MOS, canale preformato per il P e indotto per l'N
e la tensione sui drain e` proprio di -2V
Questi gli schemi con i simboli giusti dei MOS, canale preformato per il P e indotto per l'N
e la tensione sui drain e` proprio di -2V
Per usare proficuamente un simulatore, bisogna sapere molta più elettronica di lui
Plug it in - it works better!
Il 555 sta all'elettronica come Arduino all'informatica! (entrambi loro malgrado)
Se volete risposte rispondete a tutte le mie domande
Plug it in - it works better!
Il 555 sta all'elettronica come Arduino all'informatica! (entrambi loro malgrado)
Se volete risposte rispondete a tutte le mie domande
0
voti
Ok, allora concordiamo tutti col fatto che sul Drain sia di M1 che di M2 ci sono -2V.
A questo punto mi sono spostato sul lato destro del circuito verificando la zona di lavoro di Q2 che trovo sia in saturazione. Di qui porto poi avanti il computo delle correnti ai nodi trovandomi una corrente in base di Q1 di circa 180 microA...forse mi conveniva iniziare a studiare il circuito partendo da Q1?
A questo punto mi sono spostato sul lato destro del circuito verificando la zona di lavoro di Q2 che trovo sia in saturazione. Di qui porto poi avanti il computo delle correnti ai nodi trovandomi una corrente in base di Q1 di circa 180 microA...forse mi conveniva iniziare a studiare il circuito partendo da Q1?
0
voti
Secondo me conviene iniziare lo studio di questi circuiti partendo dagli elementi che sono meno dipendenti dagli altri (che in questo caso sembrano essere proprio M1 e M2 anche per il modo in dui risultano controllati) e procedere poi sugli altri), Q1 e Q2 mi pare siano gli ultimi a poter decidere qualcosa di quanto succede nel circuito.
0
voti
In effetti ho optato per l'inizio sul lato destro anche per la presenza del JFET il cui comportamento è facilmente riconducibile ad un generatore di corrente...
2
voti
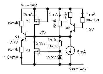
Se parti dall'informazione che la base di Q1 e` a -2V (diamolo come punto fisso), allora il suo emettitore e` a -2.7V circa e quindi sulla resistenza di emettitore ci sono 7.3V e sai la corrente di emettitore e quindi quella di base. Altre tensioni e correnti si possono ricavare sul circuito come indicato
La cosa importante da notare e` che T1 non e` pilotato in corrente, con una corrente di base prefissata, ma in tensione: la rete applica sulla base di T1 una tensione e lui decide che corrente assorbire dalla base.
La ragione e` che l'impedenza di ingresso di T1 e` molto elevata (in piccolo segnale sarebbe oltre 700kΩ) mentre la rete che lo pilota ha una impedenza equivalente di Thevenin di AL MASSIMO 2kΩ dato dal parallelo di R5 ed R4, senza contare l'effetto del transistore saturo. E quindi hai una sorgente con impedenza interna di meno di 2kΩ che pilota un carico che assorbe una decina di microampere (base di T1), un carico ad alta impedenza.
La cosa importante da notare e` che T1 non e` pilotato in corrente, con una corrente di base prefissata, ma in tensione: la rete applica sulla base di T1 una tensione e lui decide che corrente assorbire dalla base.
La ragione e` che l'impedenza di ingresso di T1 e` molto elevata (in piccolo segnale sarebbe oltre 700kΩ) mentre la rete che lo pilota ha una impedenza equivalente di Thevenin di AL MASSIMO 2kΩ dato dal parallelo di R5 ed R4, senza contare l'effetto del transistore saturo. E quindi hai una sorgente con impedenza interna di meno di 2kΩ che pilota un carico che assorbe una decina di microampere (base di T1), un carico ad alta impedenza.
Per usare proficuamente un simulatore, bisogna sapere molta più elettronica di lui
Plug it in - it works better!
Il 555 sta all'elettronica come Arduino all'informatica! (entrambi loro malgrado)
Se volete risposte rispondete a tutte le mie domande
Plug it in - it works better!
Il 555 sta all'elettronica come Arduino all'informatica! (entrambi loro malgrado)
Se volete risposte rispondete a tutte le mie domande
0
voti
Dunque ricapitolando: una volta trovata la tensione di Drain comune ad M1 ed M2 pari a -2V, essa rappresenta il controllo di Q1 con cui il transistor preleva la corrente dalla sua base. Analizzare invece prima la rete a destra e quindi partire da Q2 mi trascina nell'errore di "forzare" una corrente nella Base di Q1 diversa da quella richiesta dal controllo in tensione in questione. Ecco evidentemente spiegata la contraddizione che nasceva dalla corretta zona di lavoro di Q1 (attiva) con un
troppo piccolo e quindi incompatibile per quel punto di lavoro. Spero di aver espresso bene il mio pensiero...
troppo piccolo e quindi incompatibile per quel punto di lavoro. Spero di aver espresso bene il mio pensiero...0
voti
Ritorno per un attimo al problema.
Sono d'accordo con ciò che dici ma ho notato un particolare sullo schema che non mi torna. Con una tensione di base di Q2 pari a -1.3V mi ritrovo una tensione collettore-emettitore di Q2 pari quasi ad 1V in contraddizione col valore di 0,2V
0,3V tipico per la zona di saturazione. Per tale motivo, essendo Q2 in saturazione, ho posto la sua tensione collettore-emettitore pari proprio a 0,2V ritrovandomi una tensione di base di circa 0,7V ed una conseguente tensione base-emettitore pari a circa 2,7V. Sapendo che sul transistor saturo la tensione base-emettitore è di solito più elevata di quella del dispositivo funzionante in attiva è possibile che sulla resistenza intrinseca della regione di base (a mio avviso maggiore di 2
) cadano 2V o è troppo elevato come valore?
IsidoroKZ ha scritto:Se parti dall'informazione che la base di Q1 e` a -2V (diamolo come punto fisso), allora il suo emettitore e` a -2.7V circa e quindi sulla resistenza di emettitore ci sono 7.3V e sai la corrente di emettitore e quindi quella di base. Altre tensioni e correnti si possono ricavare sul circuito come indicato
La cosa importante da notare e` che T1 non e` pilotato in corrente, con una corrente di base prefissata, ma in tensione: la rete applica sulla base di T1 una tensione e lui decide che corrente assorbire dalla base.
La ragione e` che l'impedenza di ingresso di T1 e` molto elevata (in piccolo segnale sarebbe oltre 700kΩ) mentre la rete che lo pilota ha una impedenza equivalente di Thevenin di AL MASSIMO 2kΩ dato dal parallelo di R5 ed R4, senza contare l'effetto del transistore saturo. E quindi hai una sorgente con impedenza interna di meno di 2kΩ che pilota un carico che assorbe una decina di microampere (base di T1), un carico ad alta impedenza.
Sono d'accordo con ciò che dici ma ho notato un particolare sullo schema che non mi torna. Con una tensione di base di Q2 pari a -1.3V mi ritrovo una tensione collettore-emettitore di Q2 pari quasi ad 1V in contraddizione col valore di 0,2V
0,3V tipico per la zona di saturazione. Per tale motivo, essendo Q2 in saturazione, ho posto la sua tensione collettore-emettitore pari proprio a 0,2V ritrovandomi una tensione di base di circa 0,7V ed una conseguente tensione base-emettitore pari a circa 2,7V. Sapendo che sul transistor saturo la tensione base-emettitore è di solito più elevata di quella del dispositivo funzionante in attiva è possibile che sulla resistenza intrinseca della regione di base (a mio avviso maggiore di 2
) cadano 2V o è troppo elevato come valore?1
voti
Q2 è sicuramente in saturazione per cui, secondo me, ti conviene trattare le resistenze di base e collettore come se fossero praticamente in parallelo tra loro,"aggiustandoti" per aggiungere una Vbe sulla R8 e una Vcesat su R7.
2
voti
deltaV ha scritto: ho notato un particolare sullo schema che non mi torna. Con una tensione di base di Q2 pari a -1.3V mi ritrovo una tensione collettore-emettitore di Q2 pari quasi ad 1V...
Come fai a determinare la tensione di collettore? Con una corrente di base di Q2 di 1mA, il transistore vorrebbe assorbire dal collettore un centinaio di milliampere, che porterebbe la tensione di collettore a valori assurdi. Il transistore e` quindi in saturazione e pilota le tensioni, le correnti vengono di conseguenza.
Se l'emettitore di Q2 e` a -2V il suo collettore sara` a -1.7V circa e quindi la corrente nella resistenza di collettore e` dalle parti di 3.1mA, e si somma alla corrente di base di 1mA.
Piu` o meno i conti tornano perche' al il quel modo il bilancio delle correnti e` circa a posto. Solo circa, dato che e` un problema per niente realistico.
Per usare proficuamente un simulatore, bisogna sapere molta più elettronica di lui
Plug it in - it works better!
Il 555 sta all'elettronica come Arduino all'informatica! (entrambi loro malgrado)
Se volete risposte rispondete a tutte le mie domande
Plug it in - it works better!
Il 555 sta all'elettronica come Arduino all'informatica! (entrambi loro malgrado)
Se volete risposte rispondete a tutte le mie domande
25 messaggi
• Pagina 2 di 3 • 1, 2, 3
Chi c’è in linea
Visitano il forum: Nessuno e 140 ospiti

Elettrotecnica e non solo (admin)
Un gatto tra gli elettroni (IsidoroKZ)
Esperienza e simulazioni (g.schgor)
Moleskine di un idraulico (RenzoDF)
Il Blog di ElectroYou (webmaster)
Idee microcontrollate (TardoFreak)
PICcoli grandi PICMicro (Paolino)
Il blog elettrico di carloc (carloc)
DirtEYblooog (dirtydeeds)
Di tutto... un po' (jordan20)
AK47 (lillo)
Esperienze elettroniche (marco438)
Telecomunicazioni musicali (clavicordo)
Automazione ed Elettronica (gustavo)
Direttive per la sicurezza (ErnestoCappelletti)
EYnfo dall'Alaska (mir)
Apriamo il quadro! (attilio)
H7-25 (asdf)
Passione Elettrica (massimob)
Elettroni a spasso (guidob)
Bloguerra (guerra)





