Salve, scusate se ho postato male :
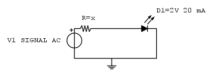
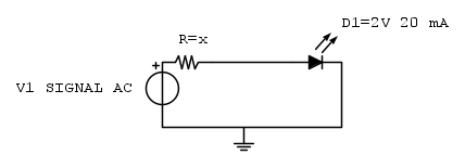
Dimensionare il circuito in Figura affinché sul Led scorra una corrente pari a 20 mA e ci sia una caduta di tensione pari a 2V. Analizzare il circuito sperimentalmente, impostare diverse forme d’onda dal generatore di funzione e trarre le conclusioni opportune.
Scelgo 2V del generatore
R=(Vgeneratore-Vdiodo)/I=(5-2)/(20*10^-3) ma i conti non tornano nel simulatore.
posso postare il circuito del simulatore per controllare i dati inseriti?
circuito con diodo
Moderatori:
carloc,
g.schgor,
BrunoValente,
IsidoroKZ
26 messaggi
• Pagina 1 di 3 • 1, 2, 3
0
voti
0
voti
signfra ha scritto:Scelgo 2V del generatore
R=(Vgeneratore-Vdiodo)/I=(5-2)/(20*10^-3) ma i conti non tornano nel simulatore.
Se stabilisci che il generatore è da 2 V, perché poi quei 2 V li assegni alla VF del diodo ?
Forse l'errore viene da qui ?
Poi, il generatore è AC o DC ... ?
0
voti
Io ho scelto 2v, il professore avevo detto che c'era un errore nel circuito, devo scoprire dove e l'errore,avevo capito sul diodo.
come dovrei procedere?
come dovrei procedere?
0
voti
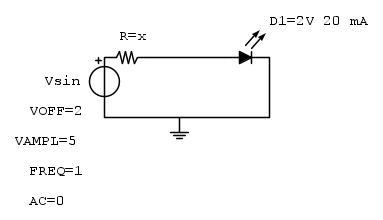
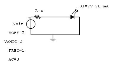
Il generatore deve avere una tensione alternata di picco di 2V
e una componente continua di 2V,, con resistenza da 100 ohm.
Non occorre realizzarlo fisicamente, basta simularlo.
e una componente continua di 2V,, con resistenza da 100 ohm.
Non occorre realizzarlo fisicamente, basta simularlo.
0
voti
g.schgor ha scritto:Il generatore deve avere una tensione alternata di picco di 2V
e una componente continua di 2V,, con resistenza da 100 ohm.
Non occorre realizzarlo fiicasmente, basta simularlo.
io uso cadente orcad, posso postare il circuito da orcad?
0
voti
signfra ha scritto:io uso cadente orcad
Orcad Cadence in versione economica
signfra ha scritto:posso postare il circuito da orcad?
No, come ti ho già detto qui si usa FidoCadJ
-

PietroBaima
90,7k 7 12 13 - G.Master EY

- Messaggi: 12206
- Iscritto il: 12 ago 2012, 1:20
- Località: Londra
0
voti
con R=38.7 la corrente mi viene 19.99 mA
VOFF cosa rappresenta? ho messo 2V
VAMPL Sarebbe l'ampiezza?
26 messaggi
• Pagina 1 di 3 • 1, 2, 3
Chi c’è in linea
Visitano il forum: Nessuno e 57 ospiti

Elettrotecnica e non solo (admin)
Un gatto tra gli elettroni (IsidoroKZ)
Esperienza e simulazioni (g.schgor)
Moleskine di un idraulico (RenzoDF)
Il Blog di ElectroYou (webmaster)
Idee microcontrollate (TardoFreak)
PICcoli grandi PICMicro (Paolino)
Il blog elettrico di carloc (carloc)
DirtEYblooog (dirtydeeds)
Di tutto... un po' (jordan20)
AK47 (lillo)
Esperienze elettroniche (marco438)
Telecomunicazioni musicali (clavicordo)
Automazione ed Elettronica (gustavo)
Direttive per la sicurezza (ErnestoCappelletti)
EYnfo dall'Alaska (mir)
Apriamo il quadro! (attilio)
H7-25 (asdf)
Passione Elettrica (massimob)
Elettroni a spasso (guidob)
Bloguerra (guerra)





pigreco]=π