EcoTan ha scritto:(50) esprime l'ammettenza y come V/I anzichè il reciproco
La formula effettiva proposta ha le dimensioni di un'ammettenza, quindi credo sia un errore di battitura.
EcoTan ha scritto:(51) manca la formula
Non sapremo mai quale fosse
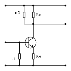
EcoTan ha scritto:(52) usa lo stesso simbolo Rb per indicare due cose diverse
Questa cosa ha dato molto fastidio anche a me... ma non gli ho dato molta importanza: quello che mi interessava era illustrare un ragionamento valido che giustificasse la formula che avevo proposto.... onestamente, non avevo voglia di riscrivere qui tutti i miei calcoli sviluppati con il metodo del generatore arbitrario
EcoTan ha scritto:(53) scrive re al posto di rb
(54) scrive RL/Rb al posto di RL/Re
Anche qui, ritengo si tratti di errori di battitura... tutte cose che non inficiano la correttezza del ragionamento illustrato

Onestamente, di questi errori avevo colto solo quello in (52), perché ho preferito valutare (come ho già evidenziato) il ragionamento invece che le singole formule, che possono facilmente presentare errori di battitura (ho sbagliato io tre volte a trascrivere la stessa formula in questo solo topic, figurati se non può sbagliare uno che scrive 8 pagine di spiegazione

Elettrotecnica e non solo (admin)
Un gatto tra gli elettroni (IsidoroKZ)
Esperienza e simulazioni (g.schgor)
Moleskine di un idraulico (RenzoDF)
Il Blog di ElectroYou (webmaster)
Idee microcontrollate (TardoFreak)
PICcoli grandi PICMicro (Paolino)
Il blog elettrico di carloc (carloc)
DirtEYblooog (dirtydeeds)
Di tutto... un po' (jordan20)
AK47 (lillo)
Esperienze elettroniche (marco438)
Telecomunicazioni musicali (clavicordo)
Automazione ed Elettronica (gustavo)
Direttive per la sicurezza (ErnestoCappelletti)
EYnfo dall'Alaska (mir)
Apriamo il quadro! (attilio)
H7-25 (asdf)
Passione Elettrica (massimob)
Elettroni a spasso (guidob)
Bloguerra (guerra)





. Allora possiamo fare l'approssimazione
. Calcoliamo quindi K come


la resistenza dinamica tra base ed emettitore.
, trascurando l'effetto Early.




