ti hanno già detto tutto quello che serviva ma se posso dare un consiglio su questo
marcot1004 ha scritto:Però da quanto detto ho capito (correggetemi se sbaglio) che è possibile verificarlo anche al volo, vedendo se tra emettitore e base vi sono sollecitazione esterne al transistor.
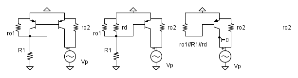
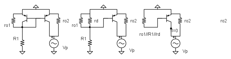
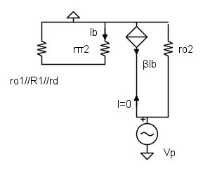
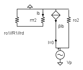
ti suggerirei di non usare il metodo by inspection (cioè semplicemente guardando il circuito) quando si hanno dei transistori o, in generale, generatori pilotati. Si rischia di non tenere conto dell'effetto del pilotato. Ovviamente puoi calcolare al volo una impedenza se hai già risolto quel tipo di circuito mille volte oppure se è un caso noto. In tutti gli altri casi ti consiglio di usare i generatori di prova o qualche altro metodo.


Elettrotecnica e non solo (admin)
Un gatto tra gli elettroni (IsidoroKZ)
Esperienza e simulazioni (g.schgor)
Moleskine di un idraulico (RenzoDF)
Il Blog di ElectroYou (webmaster)
Idee microcontrollate (TardoFreak)
PICcoli grandi PICMicro (Paolino)
Il blog elettrico di carloc (carloc)
DirtEYblooog (dirtydeeds)
Di tutto... un po' (jordan20)
AK47 (lillo)
Esperienze elettroniche (marco438)
Telecomunicazioni musicali (clavicordo)
Automazione ed Elettronica (gustavo)
Direttive per la sicurezza (ErnestoCappelletti)
EYnfo dall'Alaska (mir)
Apriamo il quadro! (attilio)
H7-25 (asdf)
Passione Elettrica (massimob)
Elettroni a spasso (guidob)
Bloguerra (guerra)


(da sinistra a destra) circola
, su
allora nel nodo di congiunzione delle due basi arriva
che esce verso il nodo di collettore di Q1. Ora nel parallelo di R e
circola 


(visto che
sono in parallelo) e in tal caso otteniamo un equazione tutta nella variabile
da cui si deduce che anche 
(visto che 





