Salve,
Durante la manutenzione di un vecchio quadro di media tensione ho notato che il trasformatore di tensione per le misure ha la seconda fase del secondario a terra.
Ho cercato di investigare le motivazioni di tale accorgimento e cio' che sospetto e' che tale modifica va a limitare un guasto al primario riportato al secondario, e limita cosi eventuali danneggiamenti agli strumenti di misura collegati. Inoltre dovrebbe limitare anche il rischio di tensioni di contatto in caso di malfunzionamento delle protezioni.
E poi permette anche di risparmiare la protezione della fase che e' messa a terra.
Non avevo mai visto una fase del secondario del VT messa a terra e sarei curioso di capire quale effetto si ha sulla terna di tensioni viste al secondario. Si ha solo lo spostamento del centro stella?
Vi ringrazio anticipatamente per il vostro aiuto.
Cordiali Saluti,
NM
Effetti sulla terna di tensioni su trasformatore di misura
Moderatori:
sebago,
MASSIMO-G,
lillo,
Mike
11 messaggi
• Pagina 1 di 2 • 1, 2
0
voti
Da ricordare che, come impone l'art. 5.2.4 della CEI 11-1, se non esiste uno schermo da collegare a terra che separa primario e secondario, il secondario di TA e TV deve essere collegato a terra con un conduttore di sezione 4 mm2 (2,5 mm2 se meccanicamente protetto). La messa a terra si rende necessaria per evitare che gli strumenti alimentati dal secondario assumano un potenziale rispetto a terra per accoppiamento capacitivo, dovuto alla ripartizione della tensione totale verso terra dell'impianto tra la capacità esistente tra gli avvolgimenti e la capacità verso terra. Le norme di riferimento sono le seguenti
Da un articolo di
TA e TV di misura
Da soli conosciamo alcune cose.
In molti ne conosceremo molte di più.
In molti ne conosceremo molte di più.
1
voti
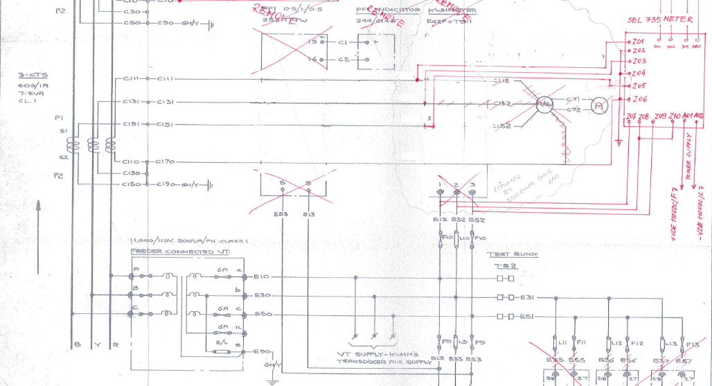
Sarebbe interessante vedere come sono collegati gli strumenti di misura. Dallo schema si capisce che il quadro è vecchio però io TV collegati cosi non li ho mai visti. La normalità per un collegamento a “stella” di quel tipo sono i TV detti con un polo a terra (con un solo corno che prende la rispettiva fase) . Tali TV sono collegati tra fase e terra al primario e al secondario. Al secondario hanno due avvolgimenti uno 100:1.73 che tra fase e fase permette di avere una normale misura di tensione, e uno a 100:3 che collegandolo in serie a quelli delle altre fasi permette di rilevare la tensione omopolare (il famoso triangolo aperto). L’ultilità di questo vecchio collegamento al momento mi sfugge, vedo un dispositivo di protezione da 6 ampere (fusibili?) su a/c/n che evidentemente vengono considerati i conduttori attivi. Al primario i 3TV sono sottoposti alla tensione di fase, la tensione di esercizio quanto è 20kV?oppure 15? Oppure 11 (mi sembra strano , in italia? 11KV Strano) . Se fossero 20 i TV al primario sarebbero sottoposti circa a 11000V , ma poi perché quel collegamento al secondario e non un normale collegamento con un polo a terra? Probabilmente si tratta di archeologia industriale ,ma sarebbe interessante capire cosi si impara qualcosa . Al momento non mi suggerisce niente di sensato
0
voti
Grazie per le risposte.
La tensione di esercizio e' 11kV.
L'impianto e' al nord dell'Inghilterra e le protezioni da 6A sono fusibili.
Il quadro ha 30 anni.
Gli strumenti di misura (nuovi) sono connessi normalmente, come se non ci fosse quella fase a terra.
Funziona, ma sarei curioso di capire come la terna di tesioni varia al secondario dal punto di vista teorico.
Saluti,
NM
La tensione di esercizio e' 11kV.
L'impianto e' al nord dell'Inghilterra e le protezioni da 6A sono fusibili.
Il quadro ha 30 anni.
Gli strumenti di misura (nuovi) sono connessi normalmente, come se non ci fosse quella fase a terra.
Funziona, ma sarei curioso di capire come la terna di tesioni varia al secondario dal punto di vista teorico.
Saluti,
NM
1
voti
Sul mio piccolo iPhone 5 vedo poco o niente e faccio anche fatica a rispondere però appena ho il computer e rientro in ufficio ( non so quando oggi...) sicuramente qualcosa scrivo. Grazie di avere postato lo schema che certamente aiuta . Dal poco che riesco a vedere mi sembra di capire che con tre TV hanno fatto quello che potevano fare con due, ovvero bastava collegare due TV e basta tra fase e fase per avere lo stesso collegamento.
0
voti
Anch'io sono con smartphone. Ma non è che sul polo a terra c'è un sezionatore normalmente aperto che si chiude in caso di intervento sugli strumenti di misura?
Dario
Dario
⋮ƎlectroYou e non smetti mai di imparare!
1
voti
Il sezionatore sulla terra non c’è , è solo la barra della scritta GN/Y (green yellow). Questo collegamento in Italia non si farebbe mai. Prima c’era un semplice commutatore amperometrico con un solo amperometo, ora le tre amperometriche con il comune e le tre voltmetriche vanno su un analizzatore (ed a altri strumenti che non sono evidenziati. I TV da 11000/110 sarebbe stato sufficiente metterne due collegati tra le fasi (B-Y /Y –R) e l’effetto sarebbe stato lo stesso. Tre Tv si impiegano solo nel modo in cui ho spiegato prima altrimenti non hanno senso
1
voti
Comunque in questo caso abbiamo ogni avvolgimento primario che è sottoposto a 11000/1.73 , quindi ovviamente facendo la somma vettoriale abbiamo 11000 tra A-B e tra B-C. Al secondario stessa cosa ovviamente anche se visto che occorreva un punto a terra forse dovevano scegliere il centro stella. Comunque vedendo sta roba mi convinco sempre di piu che gli impiantisti italiani, sono un miliardo di volte meglio degli anglosassoni, magari sbaglio qualcosa io, però mi sembra un’inserzione strana che in italia non avrebbe avuto luogo (nel megacementificio vicino di fianco a noi, dove lavoriamo spesso hanno ancora un mare di cabine anni 70 con TV ma queste cose non le ho mai viste)
1
voti
Insomma alla fine tre TV con tensione di fase quando per avere lo stesso risultato ne sarebbero bastati due. In Italia i TV collegati a stella (con polo a terra – 1 corno) sono diffusissimi, molto piu di quelli fase-fase (riconoscibili dai due corni) , il motivo è che hanno un doppio secondario e piu che l’avvolgimento delle misure interessa quello per rilevare la 59N , a volte anche se non c’è autoproduzione si preferisce installare comunque quelli perché con l’avvolgimento delle misure si alimentano l’analizzatore o i convertitori mentre l’altro si presume che prima o poi verrà buono casomai si installasse un fotovoltaico o similare
0
voti
Dario, nessun sezionatore.
Massimo, questo tipo di installazioni sono rare anche in Inghilterra e presenti solo in particolari vecchi quadri di media tensione.
Signori, farò qualche altra ricerca e proverò a svelare l'arcano.
Nel frattempo grazie per il vostro contributo.
Saluti,
NM
Massimo, questo tipo di installazioni sono rare anche in Inghilterra e presenti solo in particolari vecchi quadri di media tensione.
Signori, farò qualche altra ricerca e proverò a svelare l'arcano.
Nel frattempo grazie per il vostro contributo.
Saluti,
NM
11 messaggi
• Pagina 1 di 2 • 1, 2
Torna a Impianti, sicurezza e quadristica
Chi c’è in linea
Visitano il forum: Nessuno e 156 ospiti

Elettrotecnica e non solo (admin)
Un gatto tra gli elettroni (IsidoroKZ)
Esperienza e simulazioni (g.schgor)
Moleskine di un idraulico (RenzoDF)
Il Blog di ElectroYou (webmaster)
Idee microcontrollate (TardoFreak)
PICcoli grandi PICMicro (Paolino)
Il blog elettrico di carloc (carloc)
DirtEYblooog (dirtydeeds)
Di tutto... un po' (jordan20)
AK47 (lillo)
Esperienze elettroniche (marco438)
Telecomunicazioni musicali (clavicordo)
Automazione ed Elettronica (gustavo)
Direttive per la sicurezza (ErnestoCappelletti)
EYnfo dall'Alaska (mir)
Apriamo il quadro! (attilio)
H7-25 (asdf)
Passione Elettrica (massimob)
Elettroni a spasso (guidob)
Bloguerra (guerra)




