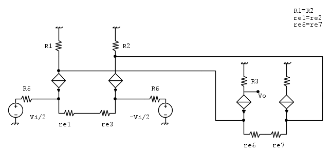
Prima di tutto, visto che la resistenza (di early) del generatore è infinita, quando passiamo all'analisi per piccoli segnali gli emettitori sono a massa?
Sul sedra si dice che se la resistenza del generatore che polarizza i transistor è molto più grande della resistenza di emettitore
allora è possibile applicare il segnale Vin in modo differenziale con un generatore Vin/2 a sinistra e uno -Vin/2 a destra. Questo equivale a dire che la coppia differenziale amplifica il segnale differenziale ma non quello di modo comune giusto? Per studiare il circuito il nostro professore usa il teorema di buttler, ma non ho capito come lo utilizza.... Il circuito simmetrico presenta un ingresso asimettrico, quindi tutti i punti sull'asse di simmetria sono allo stesso potenziale, cioè a massa??

Elettrotecnica e non solo (admin)
Un gatto tra gli elettroni (IsidoroKZ)
Esperienza e simulazioni (g.schgor)
Moleskine di un idraulico (RenzoDF)
Il Blog di ElectroYou (webmaster)
Idee microcontrollate (TardoFreak)
PICcoli grandi PICMicro (Paolino)
Il blog elettrico di carloc (carloc)
DirtEYblooog (dirtydeeds)
Di tutto... un po' (jordan20)
AK47 (lillo)
Esperienze elettroniche (marco438)
Telecomunicazioni musicali (clavicordo)
Automazione ed Elettronica (gustavo)
Direttive per la sicurezza (ErnestoCappelletti)
EYnfo dall'Alaska (mir)
Apriamo il quadro! (attilio)
H7-25 (asdf)
Passione Elettrica (massimob)
Elettroni a spasso (guidob)
Bloguerra (guerra)








in re1 e re3, la corrente di emettitore a quella circolante nella serie di re6 e re7.