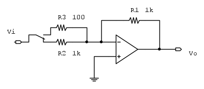
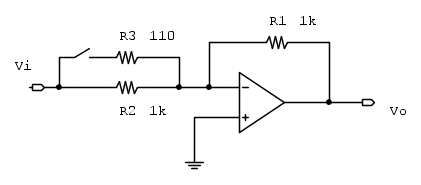
Ho la nececessità di avere un amplificatore che non guadagna nulla o guadagna 10.
Come da schema seguente ho messo una R da 110Ohm che si inserisce in parallelo a quella da 1k mediante switch.
Il parallelo (non considerando le tolleranze dei componenti) fa 99.099Ohm, e il guadagno in tensione risulta essere di 10,09, quindi ho un errore del 9% che vorrei ridurre (portare all'1%).
Soluzione sarebbe sostituire l'interruttore semplice con quello a tra poli:
Altre soluzioni?
Grazie
Cambio di guadagno da 1 a 10 operazionale
Moderatori:
carloc,
g.schgor,
BrunoValente,
IsidoroKZ
25 messaggi
• Pagina 1 di 3 • 1, 2, 3
2
voti
DarioDT ha scritto:il guadagno in tensione risulta essere di 10,09, quindi ho un errore del 9% che vorrei ridurre (portare all'1%)
10,09 corrisponde ad un errore dello 0,9 % ...
0
voti
Io che sono elettrico sguazzo fra commutatori e relè.
Volevo capire se cera qualche soluzione più raffinata da elettronico.
Grazie
Volevo capire se cera qualche soluzione più raffinata da elettronico.
Grazie
⋮ƎlectroYou e non smetti mai di imparare!
0
voti
I don't fight weather - Woodrow W. Smith
3
voti
E' un po' come l'uovo di Colombo:
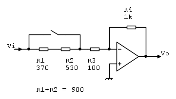
però se si usano resistori della serie standard E192 è possibile ottenere guadagni teorici con errore dello 0%

però se si usano resistori della serie standard E192 è possibile ottenere guadagni teorici con errore dello 0%
0
voti
Da soli conosciamo alcune cose.
In molti ne conosceremo molte di più.
In molti ne conosceremo molte di più.
1
voti
gammaci ha scritto:Zero %è dura
...ma più che dura direi impossibile!
0% era solo per dare enfasi ai conti senza decimali

25 messaggi
• Pagina 1 di 3 • 1, 2, 3
Chi c’è in linea
Visitano il forum: Nessuno e 84 ospiti

Elettrotecnica e non solo (admin)
Un gatto tra gli elettroni (IsidoroKZ)
Esperienza e simulazioni (g.schgor)
Moleskine di un idraulico (RenzoDF)
Il Blog di ElectroYou (webmaster)
Idee microcontrollate (TardoFreak)
PICcoli grandi PICMicro (Paolino)
Il blog elettrico di carloc (carloc)
DirtEYblooog (dirtydeeds)
Di tutto... un po' (jordan20)
AK47 (lillo)
Esperienze elettroniche (marco438)
Telecomunicazioni musicali (clavicordo)
Automazione ed Elettronica (gustavo)
Direttive per la sicurezza (ErnestoCappelletti)
EYnfo dall'Alaska (mir)
Apriamo il quadro! (attilio)
H7-25 (asdf)
Passione Elettrica (massimob)
Elettroni a spasso (guidob)
Bloguerra (guerra)





.




