Buon giorno,
sto cercando un circuito già pronto oppure con il vostro aiuto da costruire che mi interrompa il transito di corrente (ossia si apra) quanto la tensione scende al di sotto di certo valore. Como posso fare senza l'utilizzo di Arduino o un controllore programmabile ma solamente attraverso l'elettronica?
Per la precisione mi servirebbe che mi staccasse se la tensione scende al di sotto degli 11.6 V
Come avrete intuito sarà da utilizzare in una macchina vi alimenterei un dispositivo che funziona a 12V ( in giro si trova quello che cerco con protezione a 11.6v ma con output 5V e a me serve per forza un uscita 12V). Quindi metterei in serie questo dispositivo di controllo tensione che se scende sotto gli 11.8-11.6V stacchi e che mi alimenti il tutto a 12V 3A.
Grazie a tutti in anticipo!
Circuito aperto ad una certa tensione
Moderatori:
g.schgor,
IsidoroKZ
16 messaggi
• Pagina 1 di 2 • 1, 2
0
voti
0
voti
Scusate l' intromissione.
Se avessi voglia tempo e pazienza
, a me farebbe molto piacere, non ho mai usato il 555 in questa configurazione e mi piacerebbe capirne i "segreti".
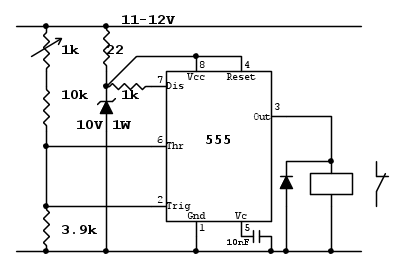
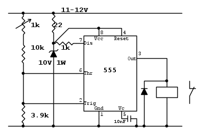
Per ora PENSO di aver capito solo che il 555 viene alimentato a 10 V grazie allo zener (nel quale a 12 V scorrono circa 10 mA) e che tramite il partitore (sempre alimentando a 12 V) impostiamo la tensione di soglia e trigger da 3.1 a 3.4 V.
g.schgor ha scritto:... (possiamo vedere come).
Se avessi voglia tempo e pazienza
Per ora PENSO di aver capito solo che il 555 viene alimentato a 10 V grazie allo zener (nel quale a 12 V scorrono circa 10 mA) e che tramite il partitore (sempre alimentando a 12 V) impostiamo la tensione di soglia e trigger da 3.1 a 3.4 V.
0
voti
Ciao innanzittutto grazie. Dal tuo circuito quindi avrei un range in cui il relè stacca se sta tra gli 11 e i 12V corretto? Per approsimare il tutto a 11.6 invece che con un range più ampio come potrei fare? perché se la tolleranza arrivasse fino a portarmi la batteria a 11V, non penso che poi riuscirei ad avviarla.
Ti spiego così da risolvermi il dubbio ed essere chiaro sull'utilizzo.
Devo collegare in auto un dispositivo che mi resti sempre collegato e che richiede i 12V. Ho già acquistato un DC-DC Converter input 8-40V output 12V in modo che i 12V sia relativamente puliti ( +/- 2%).
Prendendo l'alimentazione diretta però non vorrei arrivare una mattina con la macchina a terra. Per questo mi serve che intorno agli 11.8V ( max 11.6V) mi stacchi il circuito sennò addio avviamento motore :)
Spero questo ti possa essere d'aiuto per spiegarmi meglio e togliermi i dubbi ;)
16 messaggi
• Pagina 1 di 2 • 1, 2
Torna a Elettrotecnica generale
Chi c’è in linea
Visitano il forum: Nessuno e 81 ospiti

Elettrotecnica e non solo (admin)
Un gatto tra gli elettroni (IsidoroKZ)
Esperienza e simulazioni (g.schgor)
Moleskine di un idraulico (RenzoDF)
Il Blog di ElectroYou (webmaster)
Idee microcontrollate (TardoFreak)
PICcoli grandi PICMicro (Paolino)
Il blog elettrico di carloc (carloc)
DirtEYblooog (dirtydeeds)
Di tutto... un po' (jordan20)
AK47 (lillo)
Esperienze elettroniche (marco438)
Telecomunicazioni musicali (clavicordo)
Automazione ed Elettronica (gustavo)
Direttive per la sicurezza (ErnestoCappelletti)
EYnfo dall'Alaska (mir)
Apriamo il quadro! (attilio)
H7-25 (asdf)
Passione Elettrica (massimob)
Elettroni a spasso (guidob)
Bloguerra (guerra)







